Запчасти Case 350B (108) - TRANSMISSION, HOUSING AND CONTROLS (03) - TRANSMISSION

Схема запчастей Case 350B - (108) - TRANSMISSION, HOUSING AND CONTROLS (03) - TRANSMISSION
FIT
1:1
100%

Артикул

Название

Примечание

Количество

REF

INSTRUCTION

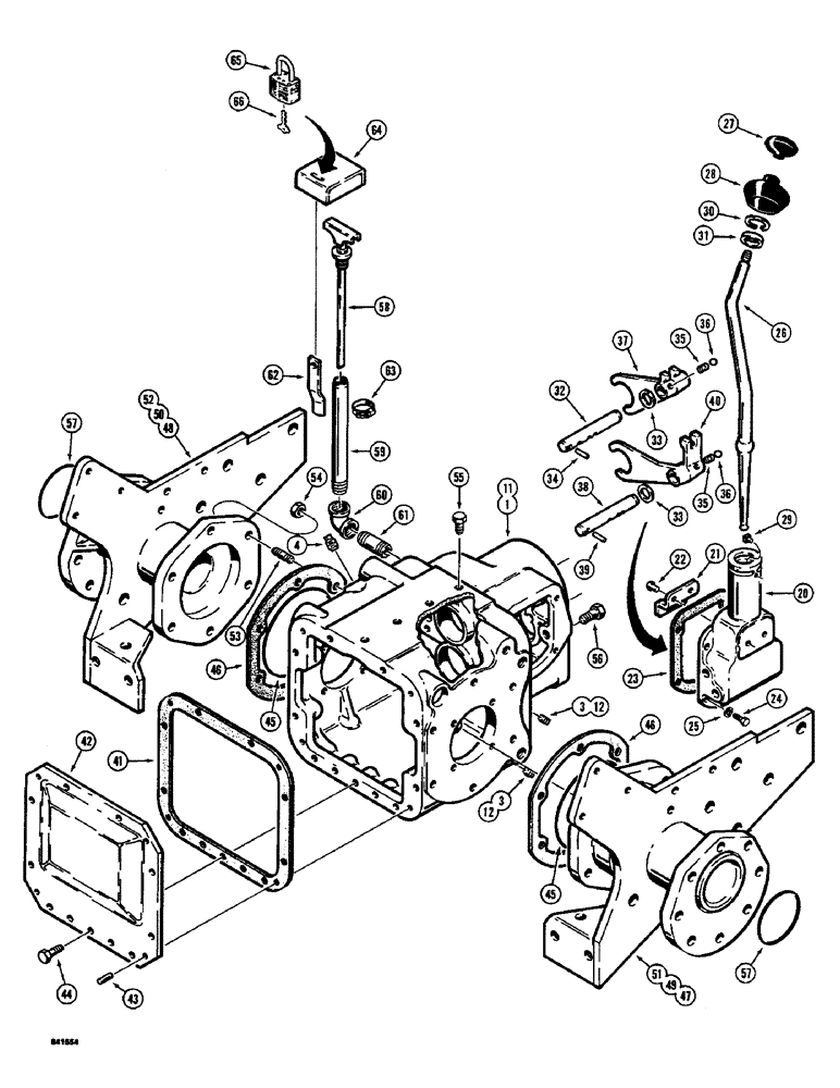
TRANSMISSION ASSEMBLY - no longer available, order parts as needed from figures 108 - 116

1шт.

NLS

NO LONGER SERVICED

KIT - housing assembly, used before Clark transmission model no. S70TS-48, no longer available, replace with all parts listed under N7937 kit listed below, Includes: Ref. 1 - 10

1шт.

See the note at the bottom of figure 112 when replacing D38919 housing assembly (Used before Clark transmission model no. S70TS-48) with the parts in N7937 kit (Used on Clark transmission model no. S70TS-48 and after).

1шт.

1

NSS

NOT SOLD SEPARAT

HOUSING - used before Clark transmission model no. S70TS-48

1шт.

2

11451

RING, SNAP

RETAINING RING - pinion shaft bearing, rear, not shown, see ref. 32 on figure 112

1шт.

3

221-674

DRAIN PLUG,Sq Hd, 1/2" NPT

PLUG - drain, magnetic, square head, 1/2" NPT

2шт.

4

221-16

PLUG,Sq Hd, 1"-11 1/2 NPTF

- fill, top left-hand side, square head, not used on Clark transmission model no. S70TS-48 and after

1шт.

4a

221-14

DRAIN PLUG,Sq Hd, 1/2"-14 NPTF

PLUG - square head, 1/2" NPT, left-hand side, not shown, remove to install filler tube assembly, refs. 53-58

1шт.

5

D29626

WASHER

THRUST WASHER - models with reverse idler only, if used, not shown, see ref. 39 on figure 112

2шт.

6

D37370

BEARING CUP,2.6542" OD x 0.625"

CUP - tapered roller bearing, front pinion shaft, not shown, see ref. 23 on figure 112

1шт.

7

A31272

ROLLER BEARING,1" ID x 0.8125"

TAPERED ROLLER BEARING - front, pinion shaft, not shown, see ref. 22 on figure 112

1шт.

8

D37368

CYLINDER END CAP

CAP - bearing, pinion shaft, not shown, see ref. 18 on figure 112

1шт.

9

D37369

GASKET

- bearing cap, not shown, see ref. 19 on figure 112

1шт.

10

D58177

CAPTIVE WASHER SCREW,3/8" - 16 x 1"

BOLT AND LOCK WASHER - bearing cap, not shown, see ref. 20 on figure 112

3шт.

N7937

HOUSING

KIT - housing assembly, used on Clark transmission model no. S70TS-48 and after, if used, kit not available, order individual parts as listed (Also see the note at the bottom of figure 1142, Includes: Ref. 11 -19

1шт.

See the note at the bottom of figure 112 when replacing D38919 housing assembly (Used before Clark transmission model no. S70TS-48) with the parts in N7937 kit (Used on Clark transmission model no. S70TS-48 and after).

1шт.

11

N8350

HOUSING

- used on Clark transmission model no. S70TS-48 and after

1шт.

12

221-674

DRAIN PLUG,Sq Hd, 1/2" NPT

PLUG - drain, magnetic, square head, 1/2" NPT

2шт.

13

221-14

DRAIN PLUG,Sq Hd, 1/2"-14 NPTF

PLUG - square head, 1/2" NPT, left-hand side, not shown, remove to install filler tube assembly, refs. 53-58 on figure 108

1шт.

14

D29626

WASHER

THRUST WASHER - models with reverse idler only, if used, not shown, see ref. 39 on figure 112

2шт.

15

O4056TS

CUP

- tapered roller bearing, front, pinion shaft, not shown, see ref. 23A on figure 112

1шт.

16

A31272

ROLLER BEARING,1" ID x 0.8125"

TAPERED ROLLER BEARING - front, pinion shaft, not shown, see ref. 22 on figure 112

1шт.

17

D37368

CYLINDER END CAP

CAP - bearing, pinion shaft, not shown, see ref. 18 on figure 112

1шт.

18

D37369

GASKET

- bearing cap, not shown, see ref. 19 on figure 112

1шт.

19

D58177

CAPTIVE WASHER SCREW,3/8" - 16 x 1"

BOLT AND LOCK WASHER - bearing cap, not shown, see ref. 20 on figure 112

3шт.

D33506

SHIFTING UNIT

CONTROL ASSEMBLY - gear shift, Includes: Ref. 20 - 40

1шт.

20

NLS

NO LONGER SERVICED

COVER - control lever

1шт.

21

11389

PLATE

- guide, control, lever

1шт.

22

45-414

RIVET,But Hd, 1/4" x 7/8"

- guide plate, 1/4" x 7/8"

2шт.

23

11391

GASKET

- control cover

1шт.

24

13-614

BOLT,Hex, 3/8" - 16 x 7/8", Gr 5, Full Thd

4шт.

25

92-6

LOCK WASHER,3/8"

4шт.

26

D33480

LEVER

- gear shift

1шт.

27

A26727

BALL

KNOB - gear shift lever

1шт.

28

A57876

COVER

- dust, gear shift lever

1шт.

29

A30294

PIN

- gear shift lever

1шт.

30

CAS11454

RING, SNAP

RETAINING RING - gear shift lever

1шт.

31

CAS11393

WASHER

- pivot, gear shift lever

1шт.

32

11396

ROD

- shift, first and reverse

1шт.

33

D28299

WASHER

- spacer, shift rod

1шт.

34

R17820

AXLE PIN,4.76mm OD x 25.4mm L

PIN - lock, shift rod

1шт.

35

11403

SPRING

- mesh lock, shift fork

2шт.

36

211-11

BALL,3/8" Dia

- mesh lock, shift fork, meter 3/8" Dia

2шт.

37

11400

FORK TEDDER

FORK - shift, first and reverse

1шт.

38

11397

ROD

- shift, second and third

1шт.

39

11399

PIN

- lock, shift rod, second and third

1шт.

40

NLS

NO LONGER SERVICED

FORK - shift, second and third

1шт.

41

11429

GASKET

- transmission cover plate, rear

1шт.

42

D21185

PLATE

- cover, transmission, rear

1шт.

43

49882

PIN

DOWEL PIN - cover locating

4шт.

44

13-720

BOLT,Hex, 7/16" - 14 x 1-1/4", Gr 5, Full Thd

11шт.

45

A28239

O-RING,0.139" Thk x 5.984" ID, -258, Cl 5, 75 Duro

- axle housing, 48" (1219 mm) gauge models only

2шт.

46

D29309

GASKET

- axle housing, 60" (1524 mm) and 72" (1829 mm) gauge models only

2шт.

47

R35303

SPACER

HOUSING - axle, right-hand, 48" (1219 mm) gauge models

1шт.

48

R35304

SPACER

HOUSING - axle, left-hand, 48" (1219 mm) gauge models

1шт.

49

R35305

SPACER

HOUSING - axle, right-hand, 60" (1524 mm) gauge models

1шт.

50

R35306

SPACER

HOUSING - axle, left-hand, 60" (15254 mm) gauge models

1шт.

51

R35307

SPACER

HOUSING - axle, right hand, 72" (1829 mm) gauge models

1шт.

52

R35308

SPACER

HOUSING - axle, left-hand, 72" (1829 mm) gauge models

1шт.

53

46505

STUD

, Serial Range: --transmission

12шт.

54

131-675

LOCK NUT,9/16"-18, GB

NUT - hex, self-locking, 9/16" - 18 NF

12шт.

55

13-916

BOLT,Hex, 9/16" - 12 x 1", Gr 5

- hex head, 9/16" - 12 NC x 1"

4шт.

56

13-1020

BOLT,Hex, 5/8" - 11 x 1-1/4", Gr 5, Full Thd

1шт.

57

A27507

O-RING,0.139" Thk x 3.984" ID, -242, Cl 5, 75 Duro

- final drive

2шт.

D38931

FILLER

KIT - transmission dipstick and filler tube, Includes: Ref. 58 - 61

1шт.

58

D38929

DIPSTICK

- transmission

1шт.

59

D38928

TUBE

- filler

1шт.

60

221-385

ELBOW

- 90 degree, female

1шт.

61

221-190

PIPE,Nipple, 1/2" NPT x 2"

NIPPLE - pipe, 1/2" NPT x 2"

1шт.

62

D44505

STRAP - transmission dipstick

1шт.

63

214-256

HOSE CLAMP,#20, 0.81" - 1.75", Type F Worm

CLAMP - adjustable, strap

1шт.

64

D44502

LOCK

CAP - transmission dipstick lockup

1шт.

65

D93753

PADLOCK

- transmission dipstick, includes keys, Includes: Ref. 66

1шт.

66

R29555

KEY

- for Master padlock only

2шт.

66

D93751

SET OF 2 KEYS

KEY - for Yale padlock only

2шт.

Выбрано товаров: 75