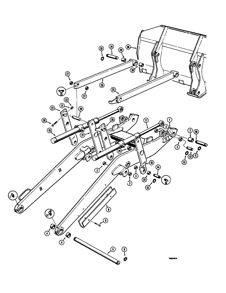
Запчасти Case 350B (248) - LOADER LIFT FRAME, BUCKET TILT CYLINDERS AND LINKS (05) - UPPERSTRUCTURE CHASSIS

Схема запчастей Case 350B - (248) - LOADER LIFT FRAME, BUCKET TILT CYLINDERS AND LINKS (05) - UPPERSTRUCTURE CHASSIS
FIT
1:1
100%

Артикул

Название

Примечание

Количество

1

R41410

FRAME - loader lift, Includes: Ref. 2 - 4

1шт.

2

D33094

BUSHING

- bucket pivot

2шт.

3

D32919

BUSHING,38.4mm ID x 47.63mm OD x 19.05mm L

- cylinder rod ends and tilt levers

10шт.

4

D30756

BUSHING,51.02mm ID x 63.5mm OD x 31.8mm L

- lift frame pivot at loader upright frame

4шт.

5

D33145

SHAFT - lift frame mounting

1шт.

6

D26919

SNAP RING,#200, Ext

Ring, Snap, , shaft #200, Ext

2шт.

7

219-1

LUBE NIPPLE,1/8" - 27 NPTF

GREASE FITTING - straight, 1/8" NPT, left-hand rear

1шт.

8

R38895

STRUT - support, loader lift frame

1шт.

9

13-1056

BOLT,Hex, 5/8" - 11 x 3-1/2", Gr 5

- hex had, 5/8" - 11 NC x 3-1/2"

2шт.

10

D33146

AXLE PIN

PIN - mounting, bucket to lift frame

2шт.

11

D25280

SNAP RING,#175, Ext

Ring, Snap, , mounting pin #175, Ext

4шт.

12

D33140

AXLE PIN

PIN - mounting, tilt cylinder to lift frame

2шт.

13

D25279

SNAP RING,M35, Int

- mounting pin

4шт.

14

D34656

PIN,38.1mm OD x 101.6mm L

- mounting, tilt lever to lift frame

2шт.

15

D25279

SNAP RING,M35, Int

- mounting pin

4шт.

16

219-1

LUBE NIPPLE,1/8" - 27 NPTF

GREASE FITTING - straight, 1/8" NPT

2шт.

17

G101248

CYLINDER ASSY.

CYLINDER - bucket tilt, right-hand, parts list figure 232

1шт.

18

G101249

CYLINDER BLOCK

CYLINDER - bucket tilt, left-hand, parts list figure 232

1шт.

19

R43226

LEVER - tilt, right-hand, outer

1шт.

20

D49245

LEVER - tilt, right-hand, inner

1шт.

21

D49242

DRAG LINK

LEVER - tilt, left-hand, inner

1шт.

22

R43229

BRACKET

LEVER - tilt, left-hand, outer, Includes: Ref. 23 and 24

1шт.

23

D32919

BUSHING,38.4mm ID x 47.63mm OD x 19.05mm L

- tilt levers at lift frame

1шт.

24

D31512

BUSHING,47.75mm ID x 57.15mm OD x 19.05mm L

- tilt levers at tilt cylinders

1шт.

25

D33124

DRAG LINK

LINK - bucket, right-hand

1шт.

26

D33125

LINK - bucket, left-hand, Includes: Ref. 27 and 28

1шт.

27

D33127

BUSHING,38.33mm ID x 47.63mm OD x 12.7mm L

- bucket link at tilt lever

2шт.

28

D30929

BUSHING,38.33mm ID x 47.63mm OD x 38.1mm L

- bucket link at bucket

2шт.

29

D33148

AXLE PIN

PIN - mounting, bucket link to tilt lever

2шт.

30

13-8600

BOLT - hex head, 1/2" - 13 NC x 3-3/4"

4шт.

31

92-8

LOCK WASHER,1/2"

4шт.

32

25-108

NUT,1/2"-13, G5

- hex, 1/2" - 13 NC

4шт.

33

219-55

LUBE NIPPLE,90 Degree Elbow, 1/8" - 27 NPTF

NIPPLE, LUBE, 90º, 1/8" NPT x .84" lg

2шт.

34

D32931

PIN

- mounting, bucket to bucket link

2шт.

35

D25279

SNAP RING,M35, Int

- mounting pin

4шт.

36

REF

INSTRUCTION

BUCKET - loader, for correct assembly and components see figures 234 or 254

1шт.

37

219-55

LUBE NIPPLE,90 Degree Elbow, 1/8" - 27 NPTF

NIPPLE, LUBE, , RH, Rear 90º, 1/8" NPT x .84" lg

1шт.

Выбрано товаров: 37