Запчасти Case 350B (254) - LOADER CLAM BUCKET (05) - UPPERSTRUCTURE CHASSIS

Схема запчастей Case 350B - (254) - LOADER CLAM BUCKET (05) - UPPERSTRUCTURE CHASSIS
FIT
1:1
100%

Артикул

Название

Примечание

Количество

D51664

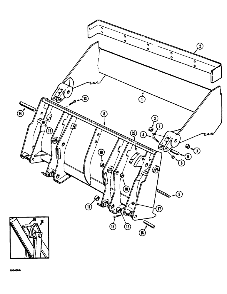
BUCKET ASSEMBLY - clam, machinery item, see figure 2 for ordering, Includes: Ref. 1 - 17

1шт.

D51663

CLAM ASSEMBLY - clam bucket, Includes: Ref. 1 - 3

1шт.

1

NSS

NOT SOLD SEPARAT

CLAM - bucket

1шт.

2

D51885

EDGE

CUTTING EDGE - clam

1шт.

3

D31140

BUSHING,38.33mm ID x 47.63mm OD x 25.4mm L

- pivot

4шт.

4

13-656

BOLT,Hex, 3/8" - 16 x 3-1/2", Gr 5

- hex head, 3/8" - 16 NC x 3-1/2"

2шт.

5

D51392

PIN,31.72mm OD x 101.6mm L

- cylinder mounting, upper

2шт.

6

131-352

LOCK NUT,3/8"-16, GA

NUT - hex, self-locking, 3/8" - 16 NC

2шт.

7

219-1

LUBE NIPPLE,1/8" - 27 NPTF

GREASE FITTING - straight, 1/8" NPT

2шт.

D51665

BLADE ASSEMBLY - clam bucket, Includes: Ref. 8 - 12

1шт.

8

NSS

NOT SOLD SEPARAT

BLADE - clam bucket

1шт.

9

D51678

EDGE, CUTTING

CUTTING EDGE - blade

1шт.

10

D32919

BUSHING,38.4mm ID x 47.63mm OD x 19.05mm L

- upper

4шт.

11

D33047

BUSHING,44.68mm ID x 53.98mm OD x 22.23mm L

- lower, inner

2шт.

12

D33054

BUSHING

- lower, outer

2шт.

13

13-664

BOLT,Hex, 3/8" - 16 x 4", Gr 5

2шт.

14

D51391

PIN,15mm OD x 74mm L

, Serial Range: clam-blade

2шт.

15

13-644

BOLT,Hex, 3/8" - 16 x 2-3/4", Gr 5

- hex head, 3/8" - 16 NC x 2-3/4"

2шт.

16

D51393

PIN,31.72mm OD x 152.4mm L

Cylinder mounting, lower

2шт.

17

131-352

LOCK NUT,3/8"-16, GA

NUT - hex, self-locking, 3/8" - 16 NC

4шт.

18

D51816

PLATE

INDICATOR - bucket position, weld to right-hand outer tilt lever, see figure 310 for decal

1шт.

19

D51726

PIN

POINTER - bucket position, weld only right-hand bucket link

1шт.

20

REF

INSTRUCTION

DECAL - clam position, see figure 310 for decal

1шт.

Выбрано товаров: 23