Запчасти Case 350B (260) - RIPPER (05) - UPPERSTRUCTURE CHASSIS

Схема запчастей Case 350B - (260) - RIPPER (05) - UPPERSTRUCTURE CHASSIS
FIT
1:1
100%

Артикул

Название

Примечание

Количество

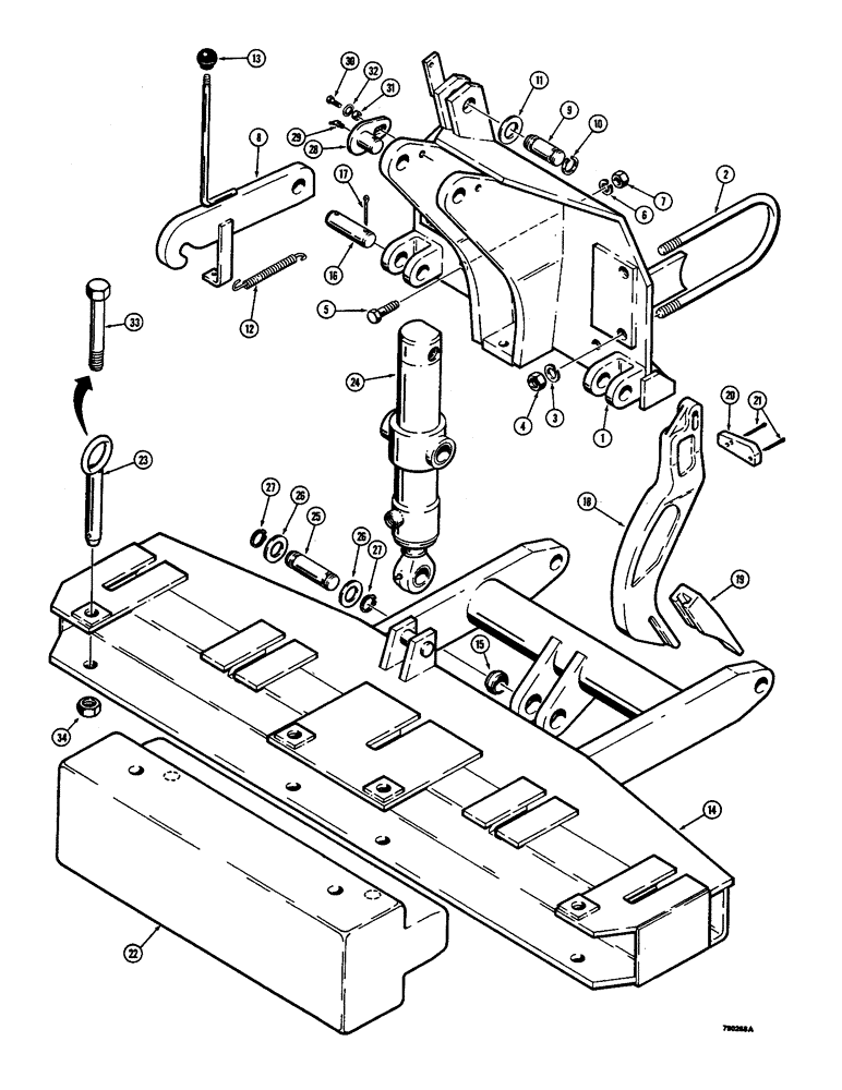
1

R33195

FRAME

- ripper mounting

1шт.

2

R33193

U-BOLT

- 3/4" - 16 NF threads

2шт.

3

92-12

LOCK WASHER,3/4"

WASHER, LOCK, 3/4"

4шт.

4

25-1112

NUT,3/4"-16, G5

- hex, 3/4" - 16 NF

4шт.

5

13-1032

BOLT,Hex, 5/8" - 11 x 2", Gr 5

2шт.

6

92-10

LOCK WASHER,5/8"

WASHER, LOCK, 5/8"

2шт.

7

25-1010

NUT,5/8"-11, G5

2шт.

8

D29985

LOCK

LEVER - transport safety lock

1шт.

9

D33816

PIN

- safety lever mounting

1шт.

10

D26918

SNAP RING,#125, Ext

Ring, Snap, , pin #125, Ext

2шт.

11

95-20

WASHER,1 1/4" x 2 3/8" x .165"

- flat, 1-3/8" ID

1шт.

12

R33370

SPRING

- transport safety lever

1шт.

13

CAS31375

KNOB

- lock lever

1шт.

14

D33518

FRAME - ripper, Includes: Ref. 15

1шт.

15

D32789

BUSHING,31.98mm ID x 41.27mm OD x 19.05mm L

- frame, cylinder mounting

2шт.

16

31715

PIN

- mounting, ripper frame

2шт.

17

132-152

PIN

COTTER PIN - 1/4" x 1-3/4"

4шт.

18

D23748

TOOTH

SHANK - tooth, ripper

3-5шт.

19

R33815

POINT

TOOTH - ripper

3-5шт.

20

D30592

WEDGE

RETAINER - wedge, ripper shank

3-5шт.

21

132-148

COTTER PIN,1/4" x 1 1/4"

PIN, Split (Cotter), 1/4" x 1 1/4"

10шт.

22

D28845

COUNTERWEIGHT - ripper

2шт.

23

REF

INSTRUCTION

PIN - retaining, counterweight, no longer used, replace with refs. 33 and 34

4шт.

24

G101241

CYLINDER ASSY.

CYLINDER - ripper, parts list figure 242

1шт.

25

D26105

PIN ASSY.

PIN - mounting, cylinder to ripper frame, rod end

1шт.

26

R15389

SPACER

- pin

2шт.

27

D26918

SNAP RING,#125, Ext

Ring, Snap, , pin #125, Ext

2шт.

28

35031

PIN

- mounting, cylinder to ripper frame, center pivot

2шт.

29

219-40

LUBE NIPPLE,65 Degree Elbow, 1/8" - 27 NPTF

GREASE FITTING - 65 degree, 1/8" NPT

2шт.

30

14-816

BOLT,Hex, 1/2" - 20 x 1", Gr 5

- hex head, 1/2" - 20 NF x 1"

2шт.

31

D23740

BUSHING

- bolt, pin mounting

2шт.

32

193-32

LOCK WASHER,Int Tooth, 1/2"

WASHER, LOCK, Int Tooth, 1/2"

2шт.

33

13-6104

BOLT,Hex, 3/8" - 16 x 6-1/2", Gr 5

- hex head, 1" - 8 NC x 6-1/2"

4шт.

34

131-659

NUT,1"-8, GB

NUT - hex, self-locking, 1" - 8 NC

4шт.

Выбрано товаров: 34