Запчасти Case 350B (266) - PTO CONTROL AND ADAPTER PARTS (05) - UPPERSTRUCTURE CHASSIS

Схема запчастей Case 350B - (266) - PTO CONTROL AND ADAPTER PARTS (05) - UPPERSTRUCTURE CHASSIS
FIT
1:1
100%

Артикул

Название

Примечание

Количество

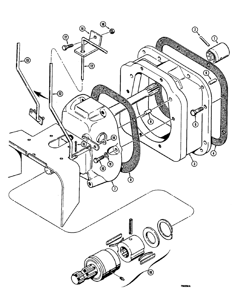
1

23018

SLEEVE,90 Degree, 9/16"-18, 37 Degree x 3/4"-16, O-Ring

- PTO shaft adapter

1шт.

2

23019

RIVET

- sleeve

1шт.

3

D41906

ADAPTER -, Serial Range: PTO-transmission

1шт.

4

11429

GASKET

- adapter

1шт.

5

49882

PIN

DOWEL PIN - adapter locating

4шт.

6

13-720

BOLT,Hex, 7/16" - 14 x 1-1/4", Gr 5, Full Thd

11шт.

7

R30095

PTO ASSEMBLY - parts list figure 268, machinery item, see figure 2 for ordering

1шт.

8

G10447

GASKET

- PTO assembly

1шт.

9

G10711

PIN

DOWEL PIN - PTO locating

2шт.

10

13-616

BOLT,Hex, 3/8" - 16 x 1", Gr 5, Full Thd

6шт.

11

92-6

LOCK WASHER,3/8"

6шт.

12

R29642

LEVER - PTO control, used on models without three point hitch

1шт.

13

R29881

LEVER - PTO control, used on models with three point hitch

1шт.

14

195-25

WASHER,3/8"

- flat, 3/8"

1шт.

15

132-26

COTTER PIN

PIN, Split (Cotter), 3/32" x 3/4"

1шт.

16

R29641

BRACKET - lever retaining

1шт.

17

13-616

BOLT,Hex, 3/8" - 16 x 1", Gr 5, Full Thd

1шт.

18

131-352

LOCK NUT,3/8"-16, GA

NUT - hex, self-locking, 3/8" - 16 NC

1шт.

19

R29557

COUPLER - PTO

1шт.

Выбрано товаров: 0