Запчасти Case 350B (060) - R42414 ALTERNATOR (06) - ELECTRICAL SYSTEMS

Схема запчастей Case 350B - (060) - R42414 ALTERNATOR (06) - ELECTRICAL SYSTEMS
FIT
1:1
100%

Артикул

Название

Примечание

Количество

R42414

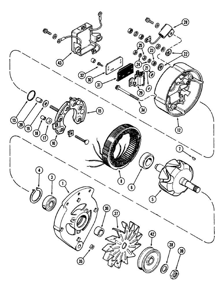
ALTERNATOR ASSEMBLY - (Used in production only) (Motorola No. 8AR2065F) (Order 1-A47614 alternator, 1-A44678 pulley and 1-A44772 voltage regulator), Includes: Ref. 1 - 39

1шт.

A47614

ALTERNATOR

ALTERNATOR ASSEMBLY - (Used for service only) (Motorola No. 70D44166E03) (Without pulley and voltage regulator), Includes: Ref. 1 - 39

1шт.

103799A1R

REMAN-ALTERNATOR

Remanufactured Alternator, 12 volt 63 ampere,

1шт.

103799A1C

CORE-ALTERNATOR

Return Number

1шт.

103801A1R

REMAN-ALTERNATOR

Remanufactured 12 Volt, 61 AMP Alternator

1шт.

103801A1C

CORE-ALTERNATOR

Return Number, 12 Volt, 61 AMP Alternator

1шт.

103802A1R

REMAN-ALTERNATOR

Reman For New P/N A47614

1шт.

103802A1C

CORE-ALTERNATOR

Return Number

1шт.

87297244

REMAN-ALTERNATOR

12V 61A

1шт.

87297245

CORE-ALTERNATOR

Return Number

1шт.

103814A1R

REMAN-GENERATOR

Generator

1шт.

103814A1C

CORE-GENERATOR

Return Number

1шт.

1

A47605

HOUSING

HOUSING - front

1шт.

3

A65781

BALL BEARING,0.6693" ID x 1.5748" OD x 0.4724"

BEARING - front

1шт.

4

A43394

RETAINER

RETAINER - front bearing

1шт.

5

A47604

ROTOR

ROTOR ASSEMBLY - alternator

1шт.

6

A44427

BALL BEARING,0.3937" ID x 1.1811" OD x 0.3543"

BEARING - rear

1шт.

7

126-111

WOODRUFF KEY,#5, 1/8" x 5/8", HT

WOODRUFF KEY, , Pulley #5, 1/8" x 5/8", HT

1шт.

8

A47603

STATOR

STATOR ASSEMBLY - alternator

1шт.

12

A44765

SPARE PART HOUSING - rear

1шт.

13

A27342

O-RING,1.109" ID x 1.387" OD x 0.139"

RETAINER - rear bearing (O-ring)

1шт.

15

A47607

DIODE

DIODE ASSEMBLY - positive

1шт.

16

A47600

SPARE PART DIODE ASSEMBLY - negative

1шт.

17

A47608

SLEEVE

SLEEVE - insulation, No. 10

1шт.

18

A43395

RUBBER INSULATOR

SLEEVE - insulation, No. 10 x 19/32"

1шт.

19

A45254

SPACER

SLEEVE - insulation, 1/4"

1шт.

20

A44771

SLEEVE CYLINDER

SLEEVE - insulation, 1/4 x 1/2"

1шт.

21

A47613

WASHER

INSULATOR - (For 1/4" stud)

2шт.

22

A47612

WASHER

INSULATOR - (For no. 10 stud)

3шт.

23

A47609

NUT

NUT - No. 10 (With washer)

1шт.

24

192-18

LOCK WASHER,Helical Spring, #10, 0.196" ID, CST, ZND

WASHER, LOCK, #10

3шт.

25

129-17

NUT,Hex, #10 - 24

NUT - hex, No. 10-24

3шт.

28

A47273

CAPACITOR

CAPACITOR ASSEMBLY - alternator

1шт.

29

A43401

BRUSH ASSY.

HOLDER ASSEMBLY - brush (With brushes)

1шт.

30

A43399

COVER

COVER - brush holder

1шт.

31

A44769

GUARD

SHIELD - dust, brush holder

1шт.

32

187-480

SCREW,Hex Hd, #8 x 1/2"

SCREW - brush holder, self tapping, No. 8 x 1/2"

2шт.

34

A44423

BOLT

BOLT - through, No. 10-32 x 2-7/8"

4шт.

35

A47610

NUT

- through bolt, square, No. 10

4шт.

36

A43405

SPACER

SPACER - fan and pulley

1шт.

37

A47602

FAN

FAN - alternator ventilating

1шт.

38

192-25

LOCK WASHER,5/8"

WASHER, LOCK, , Pulley 5/8"

1шт.

39

A41035

NUT

NUT - pulley, hex, 5/8 - 18"

1шт.

42

A44678

PULLEY

PULLEY - drive

1шт.

43

A44772

REGULATOR

REGULATOR ASSEMBLY - voltage

1шт.

Выбрано товаров: 45