Запчасти Case 350B (066) - STARTER AND ALTERNATOR MOUNTING (06) - ELECTRICAL SYSTEMS

Схема запчастей Case 350B - (066) - STARTER AND ALTERNATOR MOUNTING (06) - ELECTRICAL SYSTEMS
FIT
1:1
100%

Артикул

Название

Примечание

Количество

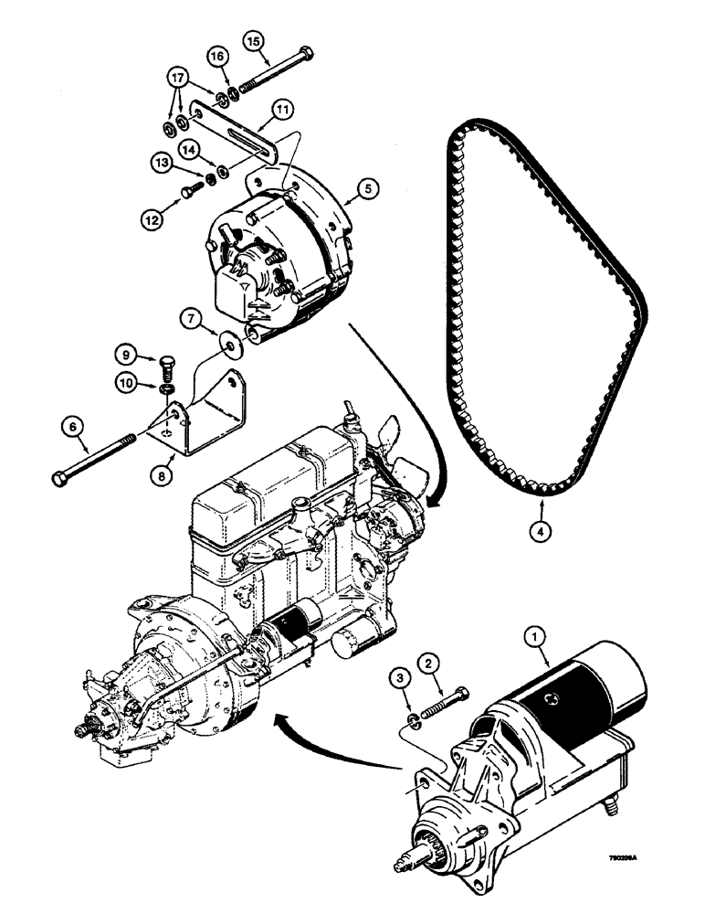
1

R39341

STARTING MOTOR

STARTER - engine, parts list figures 62 and 64

1шт.

2

13-636

BOLT,Hex, 3/8" - 16 x 2-1/4", Gr 5

3шт.

3

92-6

LOCK WASHER,3/8"

3шт.

4

A11444

BELT,0.53" W x 50.50" L

Alternator and Fan Drive 0.53" W x 50.50" L

1шт.

5

R42414

ALTERNATOR - electrical, parts list figure 60

1шт.

6

13-664

BOLT,Hex, 3/8" - 16 x 4", Gr 5

1шт.

7

D52275

WASHER,9.92mm ID x 31.75mm OD x 2.78mm Thk

- hardened, 3/8"

1шт.

8

R43734

BRACKET

- alternator mounting

1шт.

9

13-612

BOLT,Hex, 3/8" - 16 x 3/4", Gr 5, Full Thd

2шт.

10

92-6

LOCK WASHER,3/8"

2шт.

11

R29597

STRAP

- alternator adjusting

1шт.

12

13-516

BOLT,Hex, 5/16" - 18 x 1", Gr 5

1шт.

13

92-5

LOCK WASHER,5/16"

1шт.

14

95-5

WASHER,3/8" x 7/8" x .083"

- flat, 5/16"

1шт.

15

13-656

BOLT,Hex, 3/8" - 16 x 3-1/2", Gr 5

- hex head, 3/8" - 16 NC x 3-1/2"

1шт.

16

92-6

LOCK WASHER,3/8"

1шт.

17

195-25

WASHER,3/8"

- flat, 3/8"

3шт.

Выбрано товаров: 17