Запчасти Case 19 (14) - ADAPTER PARTS FOR 310G AND 350 CRAWLERS

Схема запчастей Case 19 - (14) - ADAPTER PARTS FOR 310G AND 350 CRAWLERS
FIT
1:1
100%

Артикул

Название

Примечание

Количество

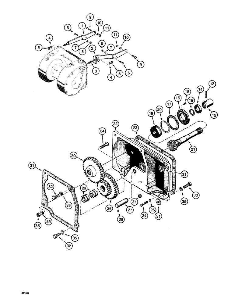
1

D37687

ARM - support, left-hand

1шт.

2

D37829

ARM - support, right-hand

1шт.

3

D37828

STUD - right-hand support arm

1шт.

4

192-25

LOCK WASHER,5/8"

WASHER, LOCK, 5/8"

2шт.

5

25-1110

NUT,5/8"-18, G5

- hex, 5/8" - 18 NF

2шт.

6

14-832

BOLT,Hex, 1/2" - 20 x 2", Gr 5

- hex head, 1/2" - 20 NF x 2"

2шт.

7

92-8

LOCK WASHER,1/2"

2шт.

8

25-118

NUT,1/2"-20, G5

- hex, 1/2" - 20 NF

2шт.

9

14-1232

BOLT,Hex, 3/4" - 16 x 2", Gr 5

- hex head, 3/4" - 16 NF x 2"

4шт.

10

92-12

LOCK WASHER,3/4"

WASHER, LOCK, 3/4"

4шт.

11

25-1112

NUT,3/4"-16, G5

- hex, 3/4" - 16 NF

4шт.

12

D37679

COUPLING

- shafts

1шт.

13

138-100

LOCK PIN,3/16" x 1 1/2", Slotted

PIN, 3/16" x 1 1/2", Slotted

1шт.

14

D37921

SEAL

OIL SEAL - coupling

1шт.

15

A7409

SNAP RING,#137, Ext

Ring, Snap, , shaft #137, Ext

1шт.

16

D37682

RETAINER - shaft bearing

1шт.

17

D37683

GASKET - retainer

1шт.

18

61-48

HEX SOC SCREW,1/4"-20 x 1/2"

BOLT - socket head, 1/4" - 20 NC x 1/2"

3шт.

A37733

BALL BEARING

ASSEMBLY - shaft, Includes: Ref. 19 & 20

1шт.

19

NSS

NOT SOLD SEPARAT

BALL BEARING - shaft

1шт.

20

A28153

RING

SNAP RING - bearing

1шт.

21

D37681

SHAFT - cluster gear drive

1шт.

22

D37678

HOUSING

- adapter

1шт.

23

D37684

GASKET

-, Serial Range: adapter-tractor

1шт.

24

13-732

BOLT,Hex, 7/16" - 14 x 2", Gr 5

11шт.

25

92-7

LOCK WASHER,7/16"

11шт.

26

D37685

GEAR

CLUSTER GEAR - drive

1шт.

27

D37825

SHAFT

- cluster gear

1шт.

28

D37827

PIN

- shaft retaining

1шт.

29

S96901

NEEDLE BEARING

- cluster gear

2шт.

30

D37686

GEAR

- pinion shaft

1шт.

31

D37688

KIT

GASKET - adapter to winch, includes three pieces

1шт.

32

13-1028

BOLT,Hex, 5/8" - 11 x 1-3/4", Gr 5, Full Thd

2шт.

33

14-1028

BOLT,Hex, 5/8" - 18 x 1-3/4", Gr 5

1шт.

34

14-1036

BOLT,Hex, 5/8" - 18 x 2-1/4", Gr 5

1шт.

35

192-25

LOCK WASHER,5/8"

WASHER, LOCK, 5/8"

4шт.

36

25-1110

NUT,5/8"-18, G5

- hex, 5/8" - 18 NF

1шт.

37

221-844

PLUG,Hex Soc, 1/2"-14

- hex socket head, 1/2"

1шт.

38

S106649

DOWEL

PIN - 3/8" x 1-1/2", locating, not shown

4шт.

Выбрано товаров: 39