Запчасти Case 1000 (042) - EXHAUST SYSTEM AND AIR CLEANER (01) - ENGINE

Схема запчастей Case 1000 - (042) - EXHAUST SYSTEM AND AIR CLEANER (01) - ENGINE
FIT
1:1
100%

Артикул

Название

Примечание

Количество

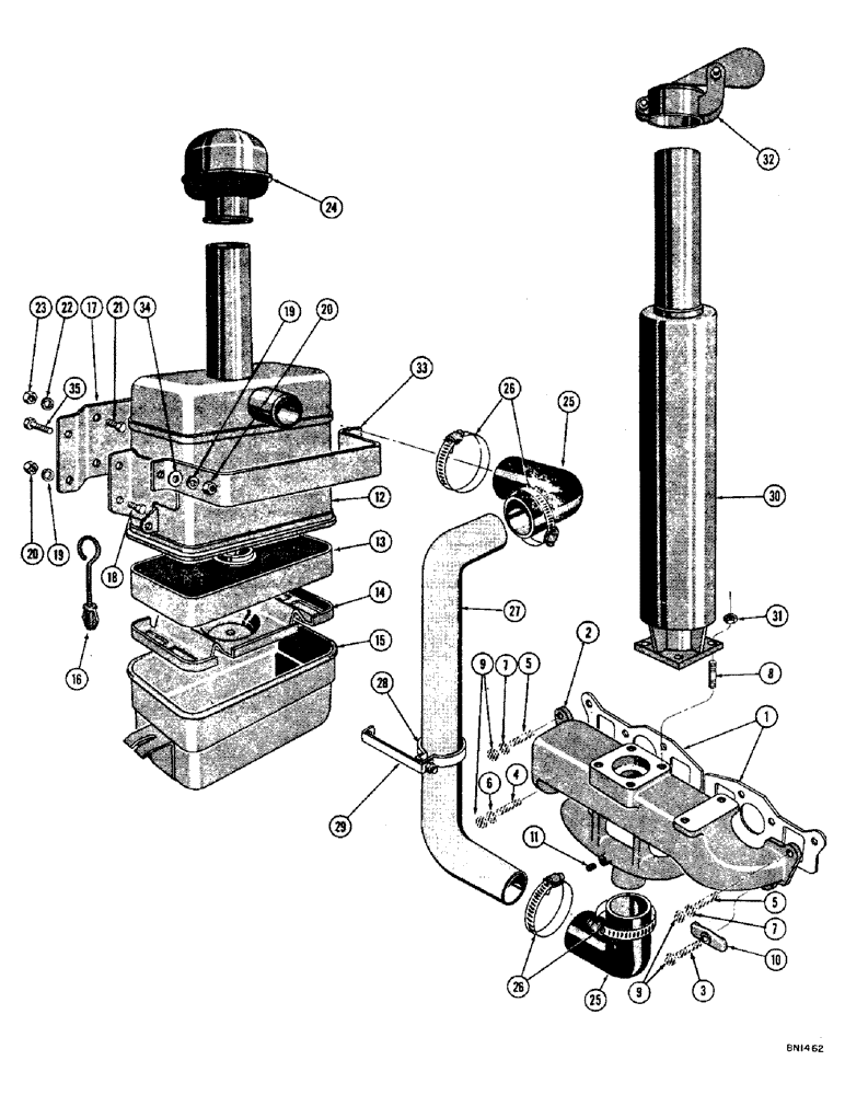
1

17483

GASKET

Manifold

2шт.

2

NLS

NO LONGER SERVICED

MANIFOLD - intake & exhaust

1шт.

3

REF

INSTRUCTION

STUD - 3/8 - 16 NC x 2-1/4 (See figure 22, ref. #13)

4шт.

4

REF

INSTRUCTION

STUD - 3/8 - 16 NC X 1-7/8 (See figure 22, ref. #12)

5шт.

5

REF

INSTRUCTION

STUD - 3/8 - 16 NC x 2 (See figure 22, ref. #15)

2шт.

6

11578

CLIP

SPARE PART WASHER - plain (73407 mt'g.)

5шт.

7

11167

SPARE PART

WASHER - plain (73407 mt'g.)

2шт.

8

46520

BOLT AND NUT,Hex, 1/4" - 20 x 1 1/2"

STUD - (R20695 mt'g.)

4шт.

9

10452

SEALING RING

SEALRING NUT - hex. (3/8 - 16 NC) (73407 mt'g.)

11шт.

10

11101

GEAR

SPARE PART CRAB - manifold

4шт.

11

221-12

PLUG,Sq Hd, 1/4"-18

1/4 NPT pipe

1шт.

71260

AIR CLEANER ASSY

1шт.

The air cleaner assy is not set up in system believe it is a Continental part

1шт.

12

NSS

NOT SOLD SEPARAT

BODY ASSY - air cleaner

1шт.

13

73564

VALVE

SCREEN ASSY - housed

1шт.

14

73567

CUP & BAFFLE ASSY - air cleaner

1шт.

15

73565

COUPLING

CUP ASSY - air cleaner oil

1шт.

16

73566

ELBOW

ROD ASSY - side

2шт.

17

71262

BRACKET - air cleaner

1шт.

18

14-612

BOLT,Hex, 3/8" - 24 x 3/4", Gr 5, Full Thd

(71260 mt'g.)

2шт.

19

92-6

LOCK WASHER,3/8"

4шт.

20

25-116

NUT,Hex, 3/8"-24, G5

4шт.

21

14-512

BOLT,Hex, 5/16" - 24 x 3/4", Gr 5, Full Thd

(71262 mt'g.)

4шт.

22

92-5

LOCK WASHER,5/16"

4шт.

23

25-115

NUT,5/16"-24, G5

Reg. SF hex

4шт.

24

70974

SPARE PART CAP - air cleaner

1шт.

25

71400

GASKET

SPARE PART HOSE - elbow

2шт.

26

214-262

HOSE CLAMP,#44, 2.31" - 3.25", Type F Worm

4шт.

27

73769

SPARE PART TUBE - air, Serial Range: cleaner-manifold

1шт.

28

72366

CLAMP - tube support

1шт.

29

72365

MAGNETO

STRAP - tube support

1шт.

30

R20695

X

MUFFLER ASSY

1шт.

31

R14386

NUT

Special

4шт.

32

74081

X

CAP - rain

1шт.

33

R12503

CLAMP - air cleaner support (Optional)

1шт.

34

95-6

WASHER,3/8"

(R12503 mt'g.)

2шт.

35

14-632

BOLT,Hex, 3/8" - 24 x 2", Gr 5

(R12503 mt'g.)

2шт.

Выбрано товаров: 37