Запчасти Case 1000 (104) - DRIVESHAFT AND UNIVERSAL JOINTS, TYPE III SPICER (03) - TRANSMISSION

Схема запчастей Case 1000 - (104) - DRIVESHAFT AND UNIVERSAL JOINTS, TYPE III SPICER (03) - TRANSMISSION
FIT
1:1
100%

Артикул

Название

Примечание

Количество

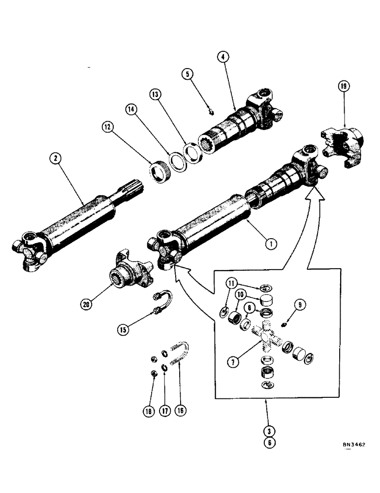
1

R14333

SHAFT ASS'Y - universal

1шт.

2

R14418

SHAFT SUB ASS'Y - universal

1шт.

3

R2713

BEARING ASSY

JOURNAL & BEARING KIT - universal (See ref #6 for breakdown)

1шт.

4

R13989

LINKAGE YOKE

SLEEVE & YOKE ASS'Y - universal

1шт.

5

219-4

LUBE NIPPLE,1/8" - 27 NPTF

FITTING - straight grease

1шт.

6

R2713

BEARING ASSY

JOURNAL & BEARING KIT - universal

1шт.

R13990

CROSS ASS'Y - universal

1шт.

7

NSS

NOT SOLD SEPARAT

CROSS - universal

1шт.

8

R13944

GASKET

4шт.

9

219-37

LUBE NIPPLE,45 Degree Elbow, 1/4" - 28 NPTF

FITTING - 45 degrees grease

1шт.

10

R13991

BEARING ASS'Y - universal

4шт.

11

R13992

RING, SNAP

RING - snap

4шт.

12

R13995

X

CAP - dust

1шт.

13

R13997

WASHER

- cork

1шт.

14

R13996

WASHER

- steel

1шт.

15

R13345

BOLT

"U" BOLT ASS'Y - universal

4шт.

16

NSS

NOT SOLD SEPARAT

"U" BOLT - universal

1шт.

17

92-6

LOCK WASHER,3/8"

2шт.

18

25-116

NUT,Hex, 3/8"-24, G5

- reg. SF hex. (3/8 - 24 NF)

2шт.

19

R17992

YOKE - universal, torque converter end

1шт.

20

R17993

YOKE - universal, transmission end

1шт.

Выбрано товаров: 21