Запчасти Case 1000 (152) - TRACK ROLLER (04) - UNDERCARRIAGE

Схема запчастей Case 1000 - (152) - TRACK ROLLER (04) - UNDERCARRIAGE
FIT
1:1
100%

Артикул

Название

Примечание

Количество

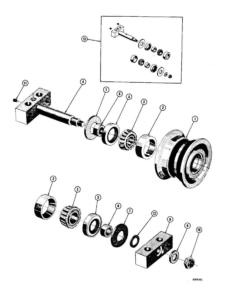
R12774

ROLLER ASS'Y - track

12шт.

1

R12305

HUB ASS'Y - track roller

1шт.

2

O1455AB

X

CUP - bearing

2шт.

3

40409

ROLLER BEARING,1.5625" ID x 1.01"

CONE - bearing

2шт.

4

74529

SHAFT

BLOCK & SHAFT ASS'Y - track roller

1шт.

5

40646

GASKET

SEAL - oil

2шт.

6

70068

SPACER

- track roller

2шт.

7

70069

SHIELD

- track roller

2шт.

8

70073

BLOCK - track roller, outer

1шт.

9

32601

WASHER

- yoke retaining

1шт.

10

131-581

LOCK NUT,3/4"-16

NUT - lock (3/4 - 16 NF)

1шт.

11

221-661

PLUG,Hex Hd, 1/8"-27

- ctsk. square head pipe, 1/8 NPT

1шт.

12

R19587

SHIM,.005" Thk

Track roller .005" Thk

1шт.

13

R3310

KIT

- track roller

1шт.

74529

SHAFT

BLOCK & SHAFT

1шт.

70068

SPACER

2шт.

70069

SHIELD

2шт.

40409

ROLLER BEARING,1.5625" ID x 1.01"

CONE - bearing

2шт.

O1455AB

X

CUP - bearing

2шт.

40646

GASKET

SEAL - oil

2шт.

32601

WASHER

- retainer

1шт.

74667

GASKET

1шт.

221-661

PLUG,Hex Hd, 1/8"-27

- ctsk. square head pipe, 1/8 NPT

1шт.

131-581

LOCK NUT,3/4"-16

NUT - lock (3/4 - 16 NF)

1шт.

Выбрано товаров: 0