Запчасти Case 1000 (206) - REAR HINGE LOADER, TYPE III (05) - UPPERSTRUCTURE CHASSIS

Схема запчастей Case 1000 - (206) - REAR HINGE LOADER, TYPE III (05) - UPPERSTRUCTURE CHASSIS
FIT
1:1
100%

Артикул

Название

Примечание

Количество

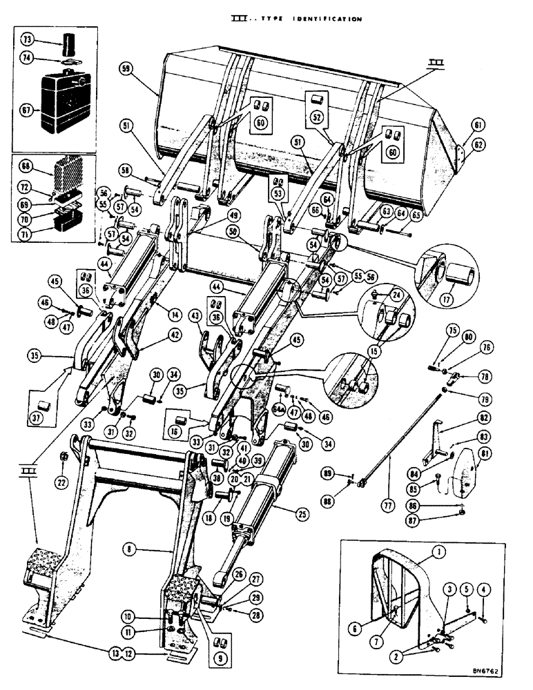
1

R13976

GUARD ASS'Y - front

1шт.

2

14-1244

BOLT,Hex, 3/4" - 16 x 2-3/4", Gr 5

HHCS - 3/4 - 16 NF x 2-3/4 (R13976 mt'g.)

4шт.

3

230-46112

LOCK NUT,3/4"-16, GA

NUT - lock (3/4 - 16 NF)

4шт.

4

14-1644

BOLT,Hex, 1" - 14 x 2-3/4", Gr 5, Full Thd

HHCS - 1-14 NF x 2-3/4 (R13976 mt'g.)

2шт.

5

131-370

LOCK NUT

NUT - lock (1 - 14 NF)

2шт.

6

14-1640

BOLT,Hex, 1" - 14 x 2-1/2", Gr 5, Full Thd

HHCS - 1 - 14 NF x 2-1/2 (R13976 mt'g.)

1шт.

7

92-16

LOCK WASHER,1"

WASHER, LOCK, 1"

1шт.

8

R16580

FRAME ASS'Y - upright

1шт.

9

70466

BUSHING

4шт.

10

14-1644

BOLT,Hex, 1" - 14 x 2-3/4", Gr 5, Full Thd

HHCS - 1 - 14 NF x 2-3/4 (R16580 mt'g.)

16шт.

11

92-16

LOCK WASHER,1"

WASHER, LOCK, 1"

16шт.

12

73169

SHIM

1шт.

13

73170

SHIM

1шт.

14

R18690

FRAME ASS'Y - lift

1шт.

15

72936

BUSHING

4шт.

72973

BUSHING

4шт.

16

R14259

BUSHING

2шт.

17

R13421

BUSHING

2шт.

18

R14702

PIN ASS'Y - (R18690 mt'g.)

2шт.

19

14-1028

BOLT,Hex, 5/8" - 18 x 1-3/4", Gr 5

(R14702 mt'g.) Hex, 5/8"-18 x 1 3/4", G5

2шт.

20

92-10

LOCK WASHER,5/8"

WASHER, LOCK, 5/8"

2шт.

21

195-41

WASHER,5/8"

2шт.

22

74298

WASHER

SPACER

1шт.

23

219-55

LUBE NIPPLE,90 Degree Elbow, 1/8" - 27 NPTF

NIPPLE, LUBE, (Not illustrated) 90º, 1/8" NPT x .84" lg

2шт.

24

219-1

LUBE NIPPLE,1/8" - 27 NPTF

FITTING - straight grease, 1/8" NPT

2шт.

25

R13565

CYLINDER ASSY.

CYLINDER ASS'Y - lift (See figure 262 for breakdown)

2шт.

26

70524

PIN

- (R13565 mt'g.)

2шт.

27

70523

WASHER,16.67mm ID x 47.63mm OD x 6.35mm Thk

- pin retaining

2шт.

28

14-1020

BOLT,Hex, 5/8" - 18 x 1-1/4", Gr 5

Hex, 5/8"-18 x 1 1/4 (70524 mt'g.)

2шт.

29

92-10

LOCK WASHER,5/8"

WASHER, LOCK, 5/8"

2шт.

30

72972

PIN - (R13565 mt'g.)

4шт.

31

73092

WASHER - pin retaining

4шт.

32

14-1288

BOLT,Hex, 3/4" - 16 x 5-1/2", Gr 5

HHCS - 3/4 - 16 NF x 5-1/2 (72972 mt'g.)

4шт.

33

230-46112

LOCK NUT,3/4"-16, GA

NUT - lock

4шт.

34

219-23

LUBE NIPPLE,1/4" - 18 NPTF

FITTING - straight grease, 1/4" NPT

4шт.

35

R19835

ARM ASS'Y - leveling

2шт.

36

72973

BUSHING

2шт.

37

R14259

BUSHING

1шт.

38

R14702

PIN ASS'Y - (R19835 mt'g.)

2шт.

39

14-1028

BOLT,Hex, 5/8" - 18 x 1-3/4", Gr 5

(R14702 mt'g.) Hex, 5/8"-18 x 1 3/4", G5

2шт.

40

92-10

LOCK WASHER,5/8"

WASHER, LOCK, 5/8"

2шт.

41

195-41

WASHER,5/8"

2шт.

42

R19449

LEVER ASS'Y - leveling, L.H.

1шт.

43

R19450

LEVER ASS'Y - leveling, R.H.

1шт.

44

73046

ROTOR

CYLINDER ASS'Y - dump (See figure 264 for breakdown)

2шт.

45

R15288

PIN ASS'Y - (73046, R19449, R19450, & R19835 mt'g.)

2шт.

46

14-816

BOLT,Hex, 1/2" - 20 x 1", Gr 5

HHCS - 1/2 - 20 NF x 1 (R15288 mt'g.)

4шт.

47

D23740

BUSHING

4шт.

48

92-8

LOCK WASHER,1/2"

4шт.

49

R13198

LEVER ASS'Y - L.H. (Order kit R2731 for service)

1шт.

50

R13199

LEVER ASS'Y - R.H. (Order kit R2737 for service)

1шт.

51

R17495

ARM ASS'Y - dump

2шт.

52

R13421

BUSHING

1шт.

53

72973

BUSHING

2шт.

54

R14705

PIN ASS'Y - (R13198 & R13199 mt'g.)

6шт.

55

14-816

BOLT,Hex, 1/2" - 20 x 1", Gr 5

HHCS - 1/2 - 20 NF x 1 (R14705 mt'g.)

6шт.

56

D23740

BUSHING

- (Not illustrated) (R14705 mt'g.)

6шт.

57

92-8

LOCK WASHER,1/2"

6шт.

58

219-1

LUBE NIPPLE,1/8" - 27 NPTF

FITTING - straight grease, 1/8" NPT

2шт.

59

R13438

BUCKET ASS'Y

1шт.

60

R14220

BUSHING

8шт.

61

72855

BLADE

EDGE - cutting

1шт.

62

46-836

RIVET,Csk, 1/2" x 2 1/4"

- ctsk. head (72855 mt'g.)

27шт.

63

R13427

PIN

- pivot (R13438 mt'g.)

4шт.

64

72915

GASKET

- pin retaining

8шт.

64a

R18680

PIN ASS'Y

2шт.

65

14-12120

HHCS - 3/4 - 16 NF x 7-1/2 (R13427 mt'g.)

4шт.

66

230-46112

LOCK NUT,3/4"-16, GA

NUT - lock (3/4 - 16 NF)

4шт.

67

74761

CLEANER ASS'Y - air

1шт.

68

NSS

NOT SOLD SEPARAT

BODY ASS'Y - air cleaner

1шт.

69

73564

VALVE

SCREEN ASS'Y

1шт.

70

73567

CUP & BAFFLE ASS'Y

1шт.

71

73565

COUPLING

CUP ASS'Y

1шт.

72

73566

ELBOW

ROD ASS'Y

2шт.

73

74767

ARTICULATION

STACK - air cleaner

1шт.

74

74768

X,2-1/2" ID

CLAMP ASS'Y

1шт.

8875

INDICATOR - bucket (Optional)

1шт.

75

74061

STUD - (74053 mt'g.)

1шт.

76

25-118

NUT,1/2"-20, G5

- reg. SF hex. (1/2 - 20 NF)

1шт.

74053

X

ROD ASS'Y - indicator

1шт.

77

74054

ROD - indicator

1шт.

78

213-4

ADJUSTABLE CLEVIS,3/8"-24 x 2 1/2"

YOKE - adjustable

1шт.

79

25-116

NUT,Hex, 3/8"-24, G5

- reg. SF hex. (3/8 - 24 NF)

1шт.

80

132-24

COTTER PIN,3/32" x 1/2"

PIN, SPLIT (COTTER), 3/32" x 1/2"

1шт.

74055

CASTING ASS'Y - indicator

1шт.

81

74056

SPARE PART

CASTING - indicator

1шт.

82

74057

POINTER ASS'Y - welded

1шт.

83

132-26

COTTER PIN

Pin, Split (Cotter), 3/32" x 3/4"

1шт.

84

195-33

WASHER,1/2"

- plain

1шт.

85

14-620

BOLT,Hex, 3/8" - 24 x 1-1/4", Gr 5

HHCS - 3/8 - 24 NF x 1-1/4 (74055 mt'g.)

2шт.

86

92-6

LOCK WASHER,3/8"

2шт.

87

25-116

NUT,Hex, 3/8"-24, G5

- reg. SF hex. (3/8 - 24 NF)

2шт.

88

141-4

CLEVIS PIN,3/8" x 1.060"

PIN, CLEVIS, 3/8" x 1.060"

1шт.

89

132-25

COTTER PIN,3/32" x 5/8"

Pin, Split (Cotter), 3/32" x 5/8"

1шт.

Выбрано товаров: 0