Запчасти Case 1000 (176) - HYDRAULIC OIL FILTERS (07) - HYDRAULIC SYSTEM

Схема запчастей Case 1000 - (176) - HYDRAULIC OIL FILTERS (07) - HYDRAULIC SYSTEM
FIT
1:1
100%

Артикул

Название

Примечание

Количество

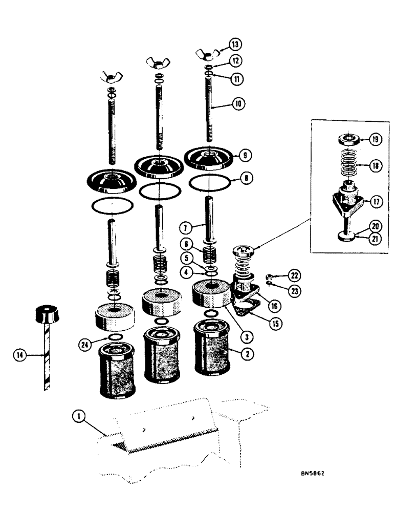
1

REF

INSTRUCTION

TANK ASSY - hydraulic (See figure 172, ref. #12)

1шт.

2

R11909

FILTER

ELEMENT ASSY - hydraulic (Screen type)

3шт.

3

71895

SPARE PART Oil filter

3шт.

4

NLS

NO LONGER SERVICED

SEAL

3шт.

5

48559

WASHER

Special

3шт.

6

R17536

SPRING

3шт.

7

70605

SPARE PART & WASHER ASSY

3шт.

8

49405

SPARE PART SEAL

3шт.

9

73893

SPARE PART

COVER - oil filter

3шт.

10

70600

STUD - oil filter

3шт.

11

49404

WASHER - rubber

3шт.

12

195-25

WASHER,3/8"

3шт.

13

129-410

WING NUT,3/8"-16

3шт.

14

72066

BREATHER FILTER & GAUGE STICK ASSY

1шт.

15

71361

GASKET - relief valve

1шт.

16

71358

LOCK VALVE

ASSY - relief

1шт.

17

71356

STUD

SPARE PART HOUSING - relief valve

1шт.

18

R17536

SPRING

Relief valve

1шт.

19

35426

WASHER - relief valve

1шт.

20

71360

VALVE ASSY - relief valve

1шт.

21

132-45

COTTER PIN,1/8" x 5/8"

1шт.

22

25-116

NUT,Hex, 3/8"-24, G5

3шт.

23

92-6

LOCK WASHER,3/8"

3шт.

24

O10021AB

X

SEAL - "O" ring

3шт.

Выбрано товаров: 24