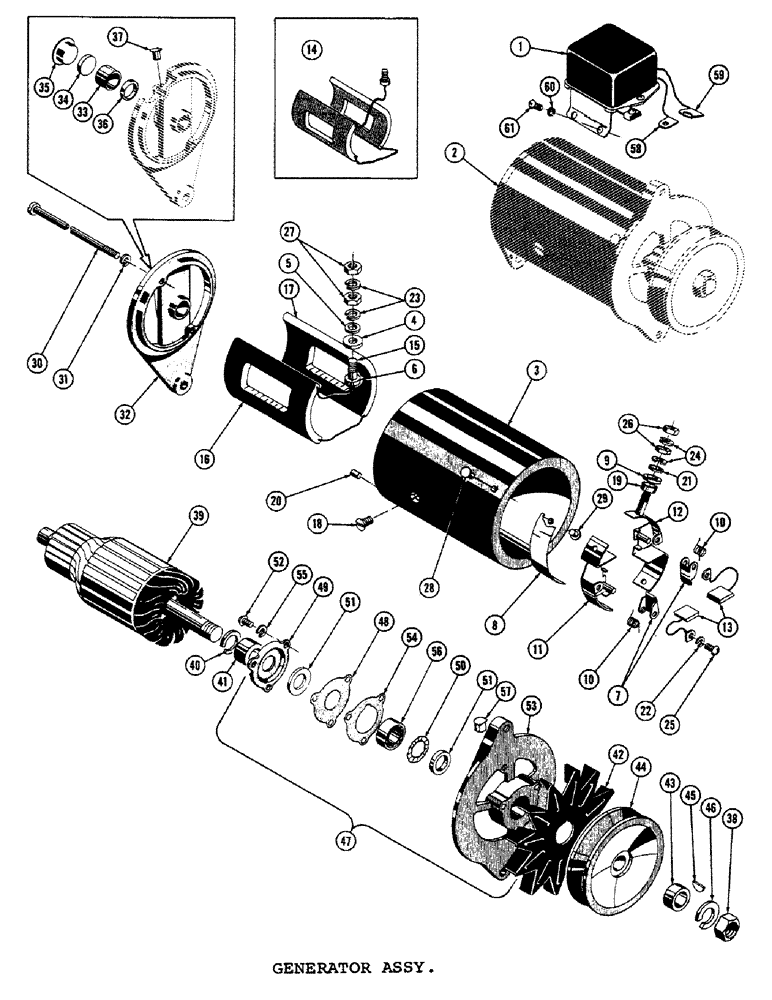
Запчасти Case 1000C (068) - 73102 GENERATOR ASSEMBLY (06) - ELECTRICAL SYSTEMS

Схема запчастей Case 1000C - (068) - 73102 GENERATOR ASSEMBLY (06) - ELECTRICAL SYSTEMS
FIT
1:1
100%

Артикул

Название

Примечание

Количество

73102

GENERATOR & VOLTAGE REGULATOR ASS'Y

1шт.

This can be purchased anywhere, does not have to be purchased at Auto-Lite

1шт.

1

73436

BEARING CUP

REGULATOR ASS'Y. - voltage

1шт.

This can be purchased anywhere, does not have to be purchased at Auto-Lite

1шт.

2

NSS

NOT SOLD SEPARAT

GENERATOR ASS'Y.

1шт.

3

GHG-2045

FRAME & FIELD ASS'Y. (Case p/n A25893)

1шт.

This can be purchased anywhere, does not have to be purchased at Auto-Lite

1шт.

4

GGU-30

WASHER - insulation, field terminal (Order Case p/n A40471)

1шт.

5

GGU-31

WASHER - plain, field terminal (Order Case p/n A40471)

1шт.

6

GGU-32

BUSHING - insulation, field terminal (Order Case p/n A40471)

1шт.

7

GJC-35

ARM - brush (NSS) (Case p/n A25621)

2шт.

8

GJC-39

INSULATION - brush holder (Order Case p/n A40471)

1шт.

9

GJC-41

BUSHING - insulation, armature, terminal (Order Case p/n A40471)

1шт.

10

GJC-42

SPRING - brush (NSS) (Case p/n A25622)

2шт.

11

GJC-1033

HOLDER - brush ground (Order Case p/n A40471)

1шт.

12

GJC-1034

HOLDER & TERMINAL - ins. brush (Order Case p/n A40471)

1шт.

13

GJC-2012BS

BRUSH SET - service (Case p/n A25873)

1шт.

This can be purchased anywhere, does not have to be purchased at Auto-Lite

1шт.

14

GHG-1005B

COIL ASS'Y. - field, complete (Case p/n A25906)

1шт.

This can be purchased anywhere, does not have to be purchased at Auto-Lite

1шт.

15

GGU-27

STUD - field terminal #10-32 (Use Case p/n A40471)

1шт.

16

GHG-1007B

COIL - field, right (NSS) (Order Case p/n A25906)

1шт.

17

GHG-1008B

COIL - field, left (NSS) (Order Case p/n A25906)

1шт.

18

GK-38

SCREW - pole shoe

2шт.

19

MDF-25

BUSHING - insulation, brush holder rivet (Order Case p/n A40471)

1шт.

20

MN-21

PIN - dowel

2шт.

21

SW-634

WASHER - plain, armature terminal (Order Case p/n A40471)

1шт.

22

12X-195

WASHER - lock, brush lead screw, #8 (Case p/n 192-16)

2шт.

This can be purchased anywhere, does not have to be purchased at Auto-Lite

1шт.

23

12X-196

WASHER - lock, field terminal, #10

2шт.

24

12X-199

WASHER - lock, armature terminal, 1/4

2шт.

25

8X-305

SCREW - round hd., brush lead, #8-32 x 1/4

2шт.

26

8X-1063

NUT - hex armature terminal (1/4-28 NF)

2шт.

27

8X-1377

NUT - hex field terminal #10-32

2шт.

28

8X-3280

RIVET - ground brush holder

2шт.

29

8X-3284

RIVET - insulation brush holder

1шт.

30

GY-20

BOLT - thru (Case p/n A25912)

2шт.

This can be purchased anywhere, does not have to be purchased at Auto-Lite

1шт.

31

12X-199

WASHER - lock, thru bolt, 1/4

2шт.

32

GJC-2044B

HEAD ASS'Y. - comm. end (Case p/n A25851)

1шт.

This can be purchased anywhere, does not have to be purchased at Auto-Lite

1шт.

33

GJC-38A

BEARING - abs. bronze (Case p/n A25623)

1шт.

This can be purchased anywhere, does not have to be purchased at Auto-Lite

1шт.

34

GJC-46

WICK - felt

1шт.

35

GJC-49

COVER - bearing, comm. end

1шт.

36

GJK-1020

RETAINER - oil

1шт.

37

X-3326

OILER (Case p/n A25624)

1шт.

This can be purchased anywhere, does not have to be purchased at Auto-Lite

1шт.

38

GBM-21B

NUT - armature shaft, drive end (Case p/n A25679)

1шт.

This can be purchased anywhere, does not have to be purchased at Auto-Lite

1шт.

39

GHG-2030F

ARMATURE ASS'Y (Case p/n A25880)

1шт.

This can be purchased anywhere, does not have to be purchased at Auto-Lite

1шт.

40

GAR-171

RING - snap (Case p/n A25626)

1шт.

This can be purchased anywhere, does not have to be purchased at Auto-Lite

1шт.

41

GEG-55

SPACER - shaft, drive end, inner (Case p/n A25925)

1шт.

This can be purchased anywhere, does not have to be purchased at Auto-Lite

1шт.

42

PU-217

FAN - ventilating (Case p/n 14503)

1шт.

This can be purchased anywhere, does not have to be purchased at Auto-Lite

1шт.

43

PU-218

SPACER - shaft, drive end, outer (Case p/n 14504)

1шт.

This can be purchased anywhere, does not have to be purchased at Auto-Lite

1шт.

44

PU-234A

PULLEY - drive (Case p/n A25918)

1шт.

This can be purchased anywhere, does not have to be purchased at Auto-Lite

1шт.

45

X-260

KEY - #5 Woodruff (Case p/n 126-11)

1шт.

This can be purchased anywhere, does not have to be purchased at Auto-Lite

1шт.

46

12X-864

WASHER - lock, shaft, drive end (Case p/n 92-11)

1шт.

This can be purchased anywhere, does not have to be purchased at Auto-Lite

1шт.

47

GGW-1102C

HEAD ASS'Y. - drive end (Case p/n A25835)

1шт.

This can be purchased anywhere, does not have to be purchased at Auto-Lite

1шт.

48

GBM-125

RETAINER - felt washer, inner (Case p/n A25632)

1шт.

This can be purchased anywhere, does not have to be purchased at Auto-Lite

1шт.

49

GBM-127

RETAINER - bearing (Case p/n A25631)

1шт.

This can be purchased anywhere, does not have to be purchased at Auto-Lite

1шт.

50

GBM-128

RETAINER - felt washer, outer (Case p/n A25633)

1шт.

This can be purchased anywhere, does not have to be purchased at Auto-Lite

1шт.

51

GG-164

WASHER - felt (Case p/n A25617)

2шт.

This can be purchased anywhere, does not have to be purchased at Auto-Lite

1шт.

52

GGW-52

SCREW - round hd. retainer, #10-32 x 1/2

3шт.

53

GGW-102C

HEAD - drive end (Case p/n 17492)

1шт.

This can be purchased anywhere, does not have to be purchased at Auto-Lite

1шт.

54

GJK-9

GASKET (Case p/n A25634)

1шт.

This can be purchased anywhere, does not have to be purchased at Auto-Lite

1шт.

55

12X-196

WASHER - lock, retainer screw, #10

3шт.

56

X-295

BEARING - ball, SAE #203 (Case p/n A25843)

1шт.

This can be purchased anywhere, does not have to be purchased at Auto-Lite

1шт.

57

X-2961

OILER (Case p/n A25844)

1шт.

This can be purchased anywhere, does not have to be purchased at Auto-Lite

1шт.

58

GHD-30A

LEAD ASS'Y. - armature terminal

1шт.

59

GHD-33A

LEAD ASS'Y. - field terminal

1шт.

60

12X-196

WASHER - lock, voltage regulator mt'g., #10

1шт.

61

8X-321

SCREW - round head, voltage regulator mt'g., #10-32 x 5/16

1шт.

A40276

SPRING

ARM & SPRING KIT (Incl. ref. 7 & 9) (Case p/n)

1шт.

A40471

STUD & MINOR PARTS KIT (Inc. ref. 4, 5, 6, 8, 9, 11, 12, 15, 19, & 21) (Case p/n)

1шт.

Выбрано товаров: 92