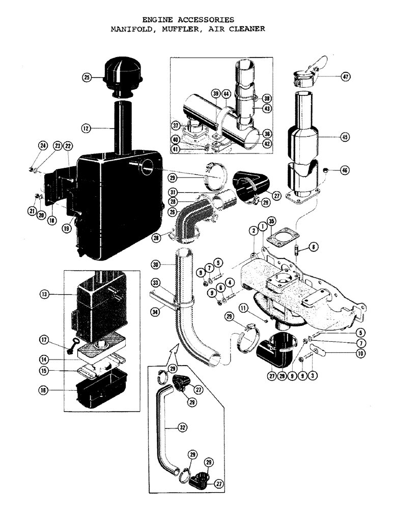
Запчасти Case 1000C (044) - ENGINE ACCESSORIES, MANIFOLD, MUFFLER, AIR CLEANER (01) - ENGINE

Схема запчастей Case 1000C - (044) - ENGINE ACCESSORIES, MANIFOLD, MUFFLER, AIR CLEANER (01) - ENGINE
FIT
1:1
100%

Артикул

Название

Примечание

Количество

1

17483

GASKET

Manifold

2шт.

2

73407

TUBE ASSY.

MANIFOLD - intake & exhaust

1шт.

3

REF

INSTRUCTION

STUD - 3/8 - 16 NC x 2-1/4 (See Figure # 22, ref. #13)

4шт.

4

REF

INSTRUCTION

STUD - 3/8 - 16 NC x 1-7/8 (See Figure # 22, ref. #12)

5шт.

5

REF

INSTRUCTION

STUD - 3/8 - 16 NC x 2 (See Figure #22, ref. #15)

2шт.

6

11578

CLIP

SPARE PART WASHER - plain (73407 mtg.)

5шт.

7

11167

SPARE PART

WASHER - plain (73407 mtg.)

2шт.

8

R14669

STUD

1/2"-13 NC x 1-15/16 (R15498 mt'g.)

4шт.

9

10452

SEALING RING

SEALRING NUT - hex (3/8"-16 NC) (73407 mtg.)

11шт.

10

11101

GEAR

SPARE PART CRAB - manifold

4шт.

11

221-12

PLUG,Sq Hd, 1/4"-18

1/4 NP pipe, ext. sq. head

1шт.

12

71260

AIR CLEANER ASS'Y.

1шт.

13

NSS

NOT SOLD SEPARAT

BODY ASSY - air cleaner

1шт.

14

73564

VALVE

SCREEN ASSY - housed

1шт.

15

73567

CUP & BAFFLE ASSY - air cleaner

1шт.

16

73565

COUPLING

CUP ASSY - air cleaner oil

1шт.

17

73566

ELBOW

ROD ASSY - side

2шт.

18

71262

BRACKET - air cleaner

1шт.

19

14-612

BOLT,Hex, 3/8" - 24 x 3/4", Gr 5, Full Thd

(71260 mtg.) (45654)

4шт.

20

92-6

LOCK WASHER,3/8"

(48446)

4шт.

21

25-116

NUT,Hex, 3/8"-24, G5

(48102)

4шт.

22

14-512

BOLT,Hex, 5/16" - 24 x 3/4", Gr 5, Full Thd

(71262 mtg.) (45629)

4шт.

23

92-5

LOCK WASHER,5/16"

(48445)

4шт.

24

25-115

NUT,5/16"-24, G5

Reg. S.F. hex (48101)

4шт.

25

70974

SPARE PART CAP - air cleaner

1шт.

26

NSS

NOT SOLD SEPARAT

HOSE - elbow (Used up to 3-3-58) (Order ref. #32)

1шт.

27

71400

GASKET

SPARE PART HOSE - elbow

2шт.

28

NSS

NOT SOLD SEPARAT

CLAMP - hose (Used up to 3-3-58) (Order ref. #32)

2шт.

29

214-1444

HOSE CLAMP,58.6mm - 82.5mm

CLAMP - hose

4шт.

30

NSS

NOT SOLD SEPARAT

TUBE - air cleaner to manifold (Order ref. # 32) (Used, Serial Range: up-3-3-58)

1шт.

31

NSS

NOT SOLD SEPARAT

TUBE - air cleaner to manifold (Order ref. # 32) (Used, Serial Range: up-3-3-58)

1шт.

32

73769

SPARE PART TUBE - air cleaner to manifold (Used from 8-3-58)

1шт.

33

72366

CLAMP - tube support

1шт.

34

72365

MAGNETO

STRAP - tube support

1шт.

35

72114

SPARE PART, Serial Range: Muffler-manifold

1шт.

36

72043

X

MUFFLER ASSY (Used up to S/N 7100015)

1шт.

37

72115

FLANGE ASSY (Used up to S/N 7100015)

1шт.

38

72129

CLAMP ASSY (72116 mtg.) (Used up to S/N 7100015)

1шт.

39

14-616

BOLT,Hex, 3/8" - 24 x 1", Gr 5

(72094 mtg.) (Used up to S/N 71000015) (45656)

2шт.

40

92-6

LOCK WASHER,3/8"

(Used up to S/N 71000015) (48446)

2шт.

41

25-116

NUT,Hex, 3/8"-24, G5

(Used up to S/N 7100015) (48102)

2шт.

42

72090

SPARE PART BRACKET ASSY - muffler mtg. (Used up to S/N 7100015)

1шт.

43

72116

TUBE - exhaust (Used up to S/N 7100015)

1шт.

44

72094

HYD CONNECTOR

SPARE PART CLAMP - muffler mtg. (Used up to S/N 7100015)

1шт.

45

R15498

X

MUFFLER ASSY (Used from S/N 7100015)

1шт.

46

R-14386

NUT - special

4шт.

47

74081

X

CAP - rain

1шт.

Выбрано товаров: 47