Запчасти Case 1000C (094) - UNIVERSAL SHAFT ASSEMBLY, USED UP TO SERIAL NUMBER 7101201 (03) - TRANSMISSION

Схема запчастей Case 1000C - (094) - UNIVERSAL SHAFT ASSEMBLY, USED UP TO SERIAL NUMBER 7101201 (03) - TRANSMISSION
FIT
1:1
100%

Артикул

Название

Примечание

Количество

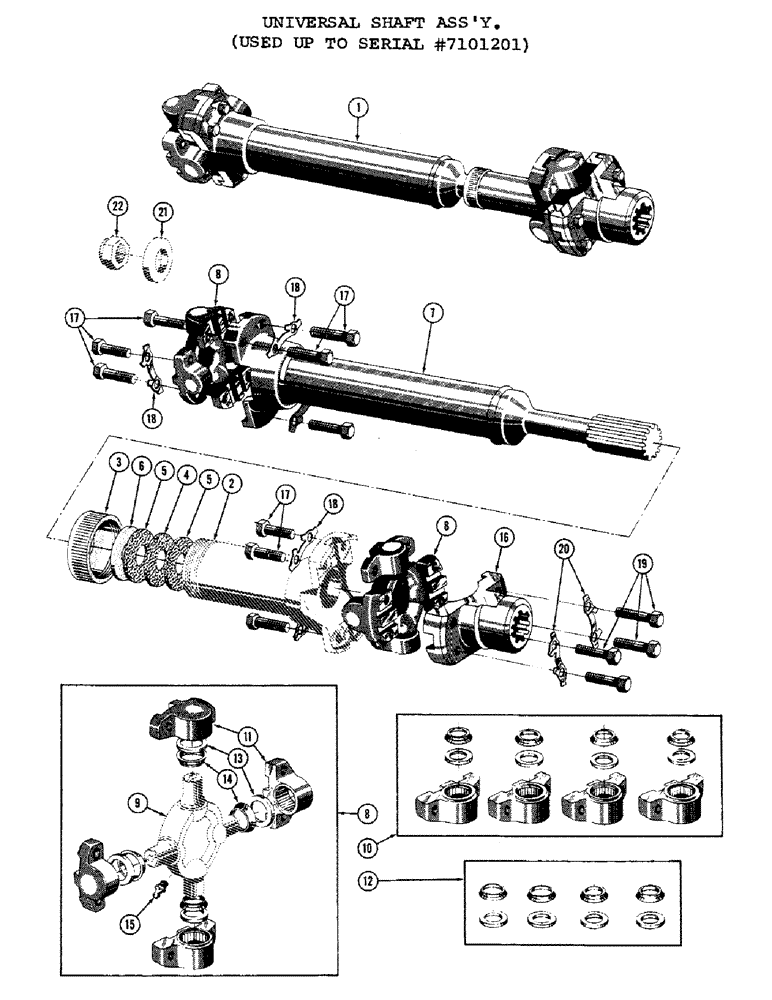
1

71259

SPARE PART SHAFT ASSY, universal

1шт.

71277

TAPERED BEARING

SHAFT ASSY, slip joint

1шт.

2

NSS

NOT SOLD SEPARAT

SHAFT - slip joint

1шт.

3

R14034

CAP - dust

1шт.

4

R14035

WASHER - felt

1шт.

5

R14037

WASHER - felt retainer

2шт.

6

R14036

RETAINER - felt washer

1шт.

7

R14033

SHAFT & YOKE ASSY, universal

1шт.

8

5996

DIFF. SPIDER

KIT - bearing & journal

2шт.

9

NSS

NOT SOLD SEPARAT

SPIDER ASSY, journal

1шт.

10

R2128

DIFF. SPIDER

KIT - journal repair

1шт.

11

19329

BEARING ASSY

ASSY - universal

4шт.

12

R2129

KIT - journal repair

1шт.

13

31719

WASHER

Cork

4шт.

14

31719

WASHER

SHIELD - universal dust

4шт.

15

31724

X

FITTING - grease

1шт.

16

31729

PRESSURE PIPE

Universal end

1шт.

17

31725

SPARE PART HHCS - 5/16-24 NF x 7/8 (31729 mt'g.)

12шт.

18

NLS

NO LONGER SERVICED

Lock

6шт.

19

31725

SPARE PART HHCS - 5/16-24 NF x 7/8

4шт.

20

NLS

NO LONGER SERVICED

Lock

2шт.

21

REF

INSTRUCTION

WASHER - yoke retaining (See Figure 88 ref. #30)

1шт.

22

REF

INSTRUCTION

NUT - elastic lock (3/4-16 NF) (See Figure 88 ref. #31)

1шт.

Выбрано товаров: 23