Запчасти Case 1000C (112) - HYDRAULIC BRAKE ASSEMBLY, USED FROM SERIAL NUMBER 7101201 (04) - UNDERCARRIAGE

Схема запчастей Case 1000C - (112) - HYDRAULIC BRAKE ASSEMBLY, USED FROM SERIAL NUMBER 7101201 (04) - UNDERCARRIAGE
FIT
1:1
100%

Артикул

Название

Примечание

Количество

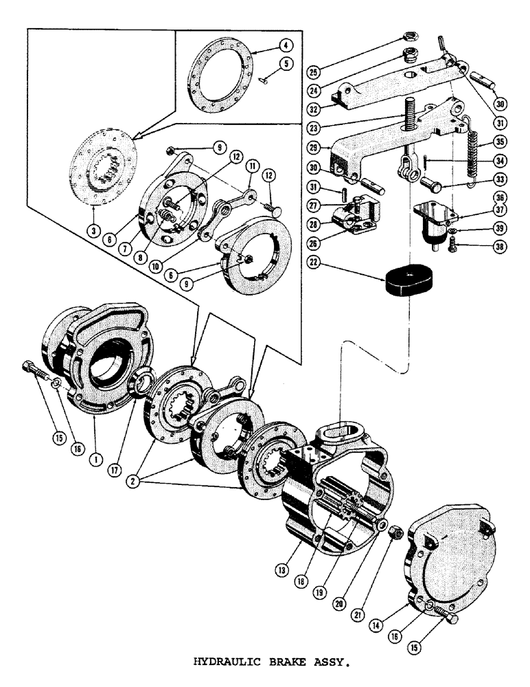
1

R13811

MOUNT - brake

2шт.

2

R13983

X

BRAKE ASS'Y. - hydraulic

2шт.

R3003

KIT - middle

1шт.

3

NSS

NOT SOLD SEPARAT

DISC ASS'Y. - middle

2шт.

4

NSS

NOT SOLD SEPARAT

LINING - brake (Order kit #R3004 for service)

2шт.

5

O7206AB

RIVET

3/16 dia. x 7/16

18шт.

R2724

X

KIT - actuating disc

1шт.

6

NSS

NOT SOLD SEPARAT

DISC - actuating

2шт.

7

O9384AB

X

BALL - 7/8 dia.

5шт.

8

O8780AB

X

SPRING - extension

3шт.

9

25-156

JAM NUT,Jam, 3/8"-24, G5

- hex jam (3/8-24 NF)

2шт.

10

O8782AB

X

LINK - yoke

1шт.

11

O8781AB

X

LINK - plain

1шт.

12

O8783AB

X

STUD

2шт.

13

R14123

HOUSING

- brake

2шт.

14

R13413

COVER

- brake

2шт.

15

13-820

BOLT,Hex, 1/2" - 13 x 1-1/4", Gr 5, Full Thd

(45107) Hex, 1/2"-13 x 1 1/4", G5, Full Thd

20шт.

16

92-8

LOCK WASHER,1/2"

(48448) 1/2"

20шт.

17

R13614

SHIELD

SLINGER - oil

2шт.

18

R12613

ADAPTER

- brake

2шт.

19

72824

X

STUD 1/2-13 NC x 1-7/8

2шт.

20

R13347

WASHER

- special

2шт.

21

131-10

NUT,1/2"-13, GB

NUT, LOCK, 1/2"-13, GB

2шт.

22

O8762AB

X

CAP - dust

2шт.

23

R14125

ROD

2шт.

24

R13820

X

NUT - ball seat

2шт.

25

25-157

JAM NUT,Jam, 7/16"-20, G5

- hex jam (7/16-20 NF) (48193)

2шт.

26

R14120

BRACKET

- brake

2шт.

27

13-614

BOLT,Hex, 3/8" - 16 x 7/8", Gr 5, Full Thd

(45056) Hex, 3/8"-16 x 7/8", G5, Full Thd

8шт.

28

92-6

LOCK WASHER,3/8"

(48446) 3/8"

8шт.

29

R14121

LEVER

- brake

2шт.

30

R13609

AXLE PIN

PIN - brake

4шт.

31

135-747

GROOVED PIN,3/16" x 1 1/4", Type E

PIN - roll

4шт.

32

R14122

LEVER

- hand brake

2шт.

33

141-6

CLEVIS PIN,1/2" x 1.360"

PIN - yoke (48665)

2шт.

34

132-48

COTTER PIN,1/8" x 1"

Pin, Split (Cotter), (48695) 1/8" x 1"

2шт.

35

R14124

SPRING

4шт.

36

R14115

X

CYLINDER ASS'Y. - wheel

2шт.

37

R2933

BRAKE

KIT - wheel cylinder repair

1шт.

38

13-414

BOLT,Hex, 1/4" - 20 x 7/8", Gr 5, Full Thd

(45005) Hex, 1/4"-20 x 7/8", G5, Full Thd

4шт.

39

92-4

LOCK WASHER,1/4"

WASHER, LOCK, (48444) 1/4"

4шт.

R14605

PIN

- cotter (Not shown)

4шт.

Выбрано товаров: 42