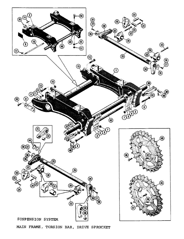
Запчасти Case 1000C (140) - SUSPENSION SYSTEM, MAIN FRAME, TORSION BARS, DRIVE SPROCKET (04) - UNDERCARRIAGE

Схема запчастей Case 1000C - (140) - SUSPENSION SYSTEM, MAIN FRAME, TORSION BARS, DRIVE SPROCKET (04) - UNDERCARRIAGE
FIT
1:1
100%

Артикул

Название

Примечание

Количество

1

R2985

KIT - main frame (Used up to serial #7101201)

1шт.

2

R13446

FRAME ASS'Y. - main (Used from serial #7101201)

1шт.

3

71655

SHIM - (Used up to serial #7101201)

1шт.

4

71656

SHIM - (Used up to serial #7101201)

1шт.

5

72151

SHIM - (Used up to serial #7101201)

1шт.

6

71976

AMMETER

BOLT - main frame (Used up to serial #7101201)

10шт.

R12990

BOLT - main frame (Used from serial #7101201)

12шт.

7

231-46112

LOCK NUT,3/4"-16, GB

NUT - lock (3/4-16 NF) (Used up to serial #7101201)

10шт.

232-46116

LOCK NUT,1"-14, GC

NUT - lock (1-1/4 NF) (Used from serial #7101201)

12шт.

8

70171

PLATE - wear (Used up to serial #7101201)

4шт.

9

R12977

PLATE - wear (Used from serial #7101201)

4шт.

10

14-836

BOLT,Hex, 1/2" - 20 x 2-1/4", Gr 5

HHCS 1/2-20 NF x 2-1/4 (70171 or R12977 mt'g.) (45711)

4шт.

11

92-8

LOCK WASHER,1/2"

(48448) 1/2"

4шт.

12

25-118

NUT,1/2"-20, G5

- reg. SF hex (1/2-20 NF) (48104)

4шт.

13

14-1272

BOLT,Hex, 3/4" - 16 x 4-1/2", Gr 5

HHCS 3/4-16 NF x 4-1/2 (70692 mg'g.) (Used up to ser. #7101201)

8шт.

14

14-1248

BOLT,Hex, 3/4" - 16 x 3", Gr 5

HHCS 3/4-16 NF x 3 (R13446 mt'g.) (Used from ser. #7101201)

8шт.

15

25-2712

LOCK NUT

NUT - lock (3/4-16 NF)

8шт.

16

R13422

ROD

- compression (Used from serial #7101201)

1шт.

17

25-1124

NUT,1 1/2"-12, G5

- reg. SF hex (1-1/2-12 NF) (Used from serial #7101201)

4шт.

18

70091

BUSHING

- (Used from serial #7101201)

2шт.

19

70041

KEY

LINK - torsion (Used up to serial #7101201)

2шт.

R13786

LINK

- torsion (Used from serial #7101201)

2шт.

20

NLS

NO LONGER SERVICED

ASS'Y. - front equalizer (Used up to serial #7101201)

2шт.

R13132

LEVER

ASS'Y. - front equalizer (Used from serial #7101201)

2шт.

21

NSS

NOT SOLD SEPARAT

LEVER - front equalizer

1шт.

22

70028

BUSHING

- (Used up to serial #7101201)

1шт.

R13096

BUSHING

- (Used from serial #7101201)

1шт.

23

70089

PIN - socket link (Used up to serial #7101201)

4шт.

R13128

PIN

- socket link (Used from serial #7101201)

4шт.

24

138-180

LOCK PIN,3/8" x 2 1/2", Slotted

PIN, , Drive lock (used up to S/N 7101201) (49870) 3/8" x 2 1/2", Slotted

4шт.

138-209

LOCK PIN,1/2" x 2 3/4", Slotted

Pin, , drive lock (used from serial #7101201) 1/2" x 2 3/4", Slotted

4шт.

25

R13450

X

BAR - torsion

2шт.

26

34423

PLATE - lock

4шт.

27

46947

HHCS 1/2-20 NF x 1-1/4 (34423 mt'g.) (Drilled)

12шт.

28

R10831

ELECTRICAL WIRE

WIRE - tie

1шт.

29

70096

BRACKET

ASS'Y. - torsion bar (Used up to ser. #7101201)

4шт.

70096

BRACKET

ASS'Y. - torsion bar (Used from ser. #7101201)

2шт.

30

NSS

NOT SOLD SEPARAT

BRACKET - torsion bar

1шт.

31

70091

BUSHING

1шт.

32

14-1296

BOLT,Hex, 3/4" - 16 x 6", Gr 5

HHCS 3/4-16 NF x 6 (70096 mtg.) (Used up to ser. #7101201)

8шт.

14012100

HHCS 3/4-16 NF x 6-1/4 (70096 mt'g.) (Used from ser. #7101201)

4шт.

33

231-46112

LOCK NUT,3/4"-16, GB

NUT - lock (3/4-16 NF) (Used up to ser. #7101201)

8шт.

231-46112

LOCK NUT,3/4"-16, GB

NUT - lock (3/4-16 NF) (Used from ser. #7101201)

4шт.

34

NLS

NO LONGER SERVICED

ASS'Y - rear equalizer

2шт.

35

NSS

NOT SOLD SEPARAT

LEVER - rear equalizer

1шт.

36

70914

BUSHING

1шт.

37

R16591

YOKE

ASS'Y. - L.H. thread

1шт.

38

R16592

YOKE

ASS'Y. - R.H. thread

1шт.

39

71673

PIN - yoke

2шт.

40

435-5824

GROOVED PIN,1/4" x 1 1/2", Type E

PIN - drive lock

2шт.

41

129-330

NUT,1"-14, G5, LH

(48085) 1"-14, G5, LH

1шт.

42

25-1116

NUT,1"-14, G5

- reg. SF hex (R.H. thread) (48109)

1шт.

43

71323

LOCK NUT

ROD - equalizer

1шт.

44

74298

WASHER

SPACER

1шт.

45

70030

SPROCKET ASSY.

SPROCKET - drive (Used, Serial Range: up-9-19-59)

2шт.

R15887

SPROCKET - drive (Used from 9-19-59)

1шт.

46

70119

BOLT,Hex, 3/4" - 16 x 2.75", Gr 5

- drive sprocket

14шт.

47

231-46112

LOCK NUT,3/4"-16, GB

NUT - lock (3/4-16 NF)

14шт.

48

R14101

SHAFT - pivot (Used from ser. #7101201)

1шт.

49

R14205

CLAMP

- pivot (Used from ser. #7101201)

2шт.

50

14-1256

BOLT,Hex, 3/4" - 16 x 3-1/2", Gr 5

HHCS 3/4-16 NF x 3-1/2 (R14205 mt'g.) (Used from ser. #7101201)

2шт.

51

92-12

LOCK WASHER,3/4"

WASHER, LOCK, (Used from S/N 7101201) 3/4"

2шт.

52

25-1112

NUT,3/4"-16, G5

- reg. SF hex (3/4-16 NF) (Used from ser. #7101201)

2шт.

Выбрано товаров: 0