Запчасти Case 1000C (150) - TRACK ROLLERS, ROLLERS, BEARINGS SEALS (04) - UNDERCARRIAGE

Схема запчастей Case 1000C - (150) - TRACK ROLLERS, ROLLERS, BEARINGS SEALS (04) - UNDERCARRIAGE
FIT
1:1
100%

Артикул

Название

Примечание

Количество

R12774

ROLLER ASS'Y. - track (Used up to serial #7101201)

12шт.

R13554

ROLLER ASS'Y. - track (Used from serial #7101201)

8шт.

R14429

ROLLER ASS'Y. - track (Used from serial #7101201)

4шт.

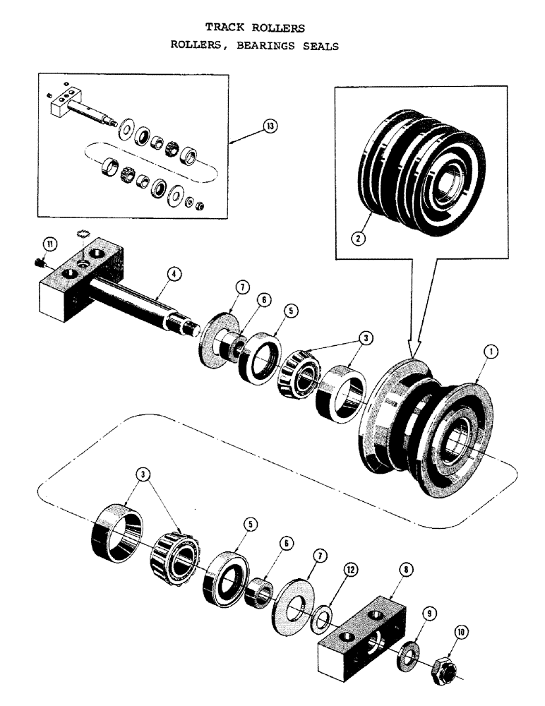
1

R12305

HUB ASS'Y. - track roller (R12774 & R13554 only)

1шт.

2

R14428

HUB ASS'Y. - track roller (R14429 only)

1шт.

3

O1455AB

X

CUP - bearing

2шт.

3

40409

ROLLER BEARING,1.5625" ID x 1.01"

CONE - bearing

2шт.

4

74529

SHAFT

BLOCK & SHAFT ASS'Y. - track roller (Used up to serial #7101201) (R12774 only)

1шт.

R16915

SHAFT

BLOCK & SHAFT ASS'Y. - track roller (Used from serial #7101201) (R13554 & R14429 only)

1шт.

5

N13191

OIL SEAL

- oil

2шт.

6

70068

SPACER

- track roller

2шт.

7

70069

SHIELD

- track roller

2шт.

8

70073

BLOCK - track roller outer (Used up to serial #7101201) (R12774 only)

2шт.

R16913

BLOCK - track roller outer (Used from serial #7101201) (R13554 & R14429 only)

1шт.

9

32601

WASHER

- yoke retaining

1шт.

10

131-581

LOCK NUT,3/4"-16

NUT - lock (3/4-16 NF)

1шт.

11

221-661

PLUG,Hex Hd, 1/8"-27

- cts'k. sq. hd. pipe, 1/8 NP

1шт.

12

R14461

X

SHIM - track roller

1шт.

13

R3309

KIT

: TRACK ROLLER (Used from serial #7101201), Consists of

1шт.

R13553

X

BLOCK & SHAFT

1шт.

70068

SPACER

2шт.

70069

SHIELD

2шт.

40409

ROLLER BEARING,1.5625" ID x 1.01"

CONE

2шт.

O1455AB

X

BEARING CUP

2шт.

N13191

OIL SEAL

RETAINER WASHER

1шт.

74667

GASKET

1шт.

221-661

PLUG,Hex Hd, 1/8"-27

1шт.

131-581

LOCK NUT,3/4"-16

NUT LOCK 3/4"

1шт.

13

R3310

KIT

: TRACK ROLLER (Used up to serial #7101201), Consists of

1шт.

74529

SHAFT

BLOCK & SHAFT

1шт.

70068

SPACER

2шт.

70069

SHIELD

2шт.

40409

ROLLER BEARING,1.5625" ID x 1.01"

CONE

2шт.

O1455AB

X

BEARING CUP

2шт.

N13191

OIL SEAL

OIL SEAL

2шт.

32601

WASHER

RETAINER WASHER

1шт.

74667

GASKET

1шт.

221-661

PLUG,Hex Hd, 1/8"-27

1шт.

131-581

LOCK NUT,3/4"-16

NUT LOCK 3/4"

1шт.

Выбрано товаров: 39