Запчасти Case 1000C (152) - TRACK INSTALLATION, TRACK SUPPORT IDLERS, BRACKETS, BEARINGS, IDLER ASSEMBLY (04) - UNDERCARRIAGE

Схема запчастей Case 1000C - (152) - TRACK INSTALLATION, TRACK SUPPORT IDLERS, BRACKETS, BEARINGS, IDLER ASSEMBLY (04) - UNDERCARRIAGE
FIT
1:1
100%

Артикул

Название

Примечание

Количество

70088

ROLLER

IDLER ASS'Y. - track support (Used up to serial #7101201) (Standard tractor and terraload'r)

4шт.

70088

ROLLER

IDLER ASS'Y. - track support (Used up to serial #7101201) (Dozer)

2шт.

70088

ROLLER

IDLER ASS'Y. - track support (Used from serial #7101201) (All models)

4шт.

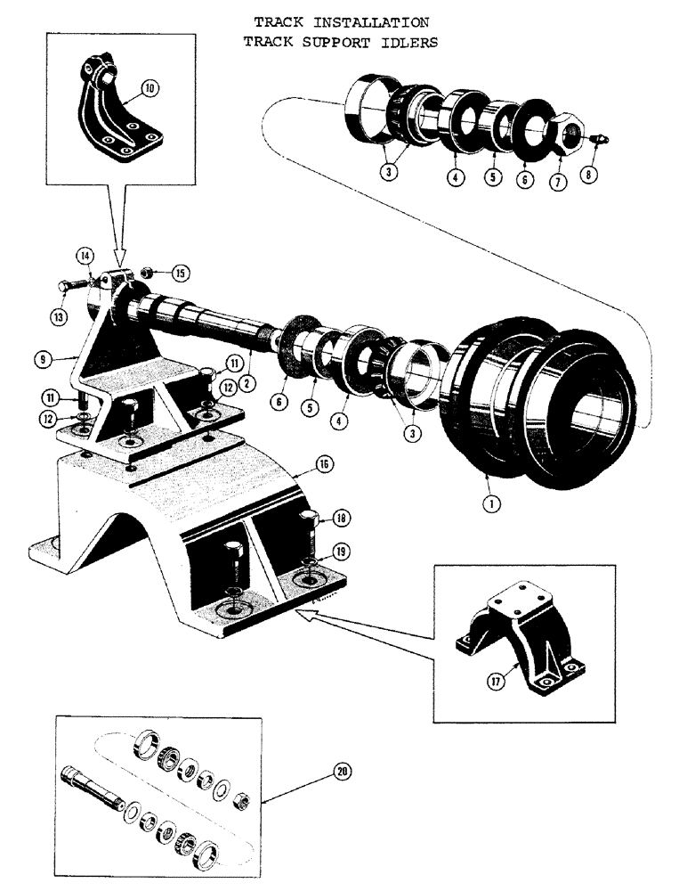
1

70080

HUB ASS'Y. - support idler

1шт.

2

70087

SHAFT - support idler

1шт.

3

G57451

BEARING, CUP

CUP - bearing

2шт.

G57452

ROLLER BEARING

CONE - bearing, roller

2шт.

4

N13191

OIL SEAL

- oil , Seal

2шт.

5

70081

SPACER

- support idler

2шт.

6

70086

SHIELD

- support idler

2шт.

7

72183

NUT

- support idler

1шт.

8

219-1

LUBE NIPPLE,1/8" - 27 NPTF

FITTING - straight grease, 1/8 NP (49200)

1шт.

9

70047

LEVER

BRACKET - support idler (Used up to serial #7101201) (Standard tractor and terraload'r)

4шт.

70047

LEVER

BRACKET - support idler (Used up to serial #7010201) (Dozer)

2шт.

10

R13027

BRACKET

- support idler (Used from serial #7101201) (All models)

4шт.

11

14-1020

BOLT,Hex, 5/8" - 18 x 1-1/4", Gr 5

Hex, 5/8"-18 x 1 1/4 (Used up to S/N 7101201) (Standard tractor & terraload'r) (45757)

16шт.

14-1020

BOLT,Hex, 5/8" - 18 x 1-1/4", Gr 5

Hex, 5/8"-18 x 1 1/4 (Used up to S/N 7101201) (Dozer) (45757)

8шт.

14-1020

BOLT,Hex, 5/8" - 18 x 1-1/4", Gr 5

Hex, 5/8"-18 x 1 1/4 (Used from S/N 7101201) (45757)

16шт.

12

92-10

LOCK WASHER,5/8"

WASHER, LOCK, (Used up to S/N 7101201) (Standard tractor & terraload'r) 5/8"

16шт.

92-10

LOCK WASHER,5/8"

WASHER, LOCK, (Used up to S/N 7101201) (Dozer) (48450) 5/8"

8шт.

92-10

LOCK WASHER,5/8"

WASHER, LOCK, (Used from S/N 7101201) (All models) (48450) 5/8"

16шт.

13

14-848

BOLT,Hex, 1/2" - 20 x 3", Gr 5

HHCS 1/2-20 NF x 3 (Used up to serial #7101201) (Standard tractor & terraload'r) (45714)

4шт.

14-848

BOLT,Hex, 1/2" - 20 x 3", Gr 5

HHCS - 1/2-20 NF x 3 (Used up to serial #7101201) (Dozer) (45714)

2шт.

14-848

BOLT,Hex, 1/2" - 20 x 3", Gr 5

HHCS - 1/2-20 NF x 3 (Used from serial #7101201) (All models) (45714)

4шт.

14

92-8

LOCK WASHER,1/2"

(Used up to serial #7101201) (Standard tractor & terraload'r) 1/2"

4шт.

92-8

LOCK WASHER,1/2"

(Used up to serial #7101201) (Dozer) (48448) 1/2"

2шт.

92-8

LOCK WASHER,1/2"

(Used from serial #7101201) (All models) (48448) 1/2"

4шт.

15

25-118

NUT,1/2"-20, G5

- reg. SF hex. (1/2-20 NF) (Used up to serial #7101201) (Standard tractor & terraload'r)

4шт.

25-118

NUT,1/2"-20, G5

- reg. SF hex. (1/2-20 NF) (Used up to serial #7101201) (Dozer) (48104)

2шт.

25-118

NUT,1/2"-20, G5

- reg. SF hex. (1/2-20 NF) (Used from serial #7101201) (All models) (48104)

4шт.

16

71229

BRACKET - support idler (Used up to serial #7101201) (Standard tractor & terraload'r)

2шт.

17

R13068

BRACKET - support idler (Used from serial #7101201) (Standard tractor & terraload'r)

2шт.

18

14-1028

BOLT,Hex, 5/8" - 18 x 1-3/4", Gr 5

(Standard tractor & terraload'r) (45759) Hex, 5/8"-18 x 1 3/4", G5

8шт.

19

92-10

LOCK WASHER,5/8"

WASHER, LOCK, (Standard tractor & terraload'r) (48450) 5/8"

8шт.

20

5143

KIT

- upper support idler (All models), Consists of

1шт.

70087

SHAFT

1шт.

N13191

OIL SEAL

OIL SEAL

2шт.

70081

SPACER

2шт.

70086

SHIELD

2шт.

72183

NUT

1шт.

G57451

BEARING, CUP

CUP - bearing

1шт.

G57452

ROLLER BEARING

CONE - bearing roller

1шт.

Выбрано товаров: 42