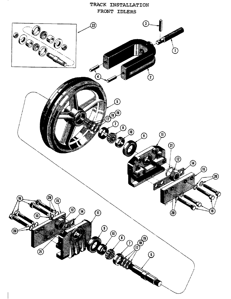
Запчасти Case 1000C (154) - TRACK INSTALLATION, FRONT IDLERS, FRONT IDLER GROUP, IDLER AND BRACKET, YOKE, BEARINGS (04) - UNDERCARRIAGE

Схема запчастей Case 1000C - (154) - TRACK INSTALLATION, FRONT IDLERS, FRONT IDLER GROUP, IDLER AND BRACKET, YOKE, BEARINGS (04) - UNDERCARRIAGE
FIT
1:1
100%

Артикул

Название

Примечание

Количество

70098

YOKE ASS'Y. - front idler

2шт.

1

70097

ROD - yoke adjusting

1шт.

2

NSS

NOT SOLD SEPARAT

YOKE - front idler

1шт.

3

138-182

LOCK PIN,3/8" x 3", Slotted

PIN, (49868) 3/8" x 3", Slotted

1шт.

4

70205

PIN

- dowel

2шт.

70004

X

IDLER & BRACKET ASS'Y. - front

2шт.

5

70032

WHEEL - idler

1шт.

6

70085

SHAFT

- front idler

1шт.

7

A27732

BEARING CUP

CUP - roller bearing (Replaces O9446AB)

2шт.

8

51200231

BEARING, CONE,50.8mm ID x 30.96mm W

CONE - roller bearing

2шт.

9

D31848

OIL SEAL

- oil

2шт.

10

70071

BUSHING

SPACER - front idler

2шт.

11

70033

BRACKET - front idler

2шт.

12

25-1524

JAM NUT,Jam, 1 1/2"-12, G5

- jam

2шт.

13

219-1

LUBE NIPPLE,1/8" - 27 NPTF

FITTING - straight grease, 1/8 NP (49200)

1шт.

14

70084

SHIM

- front idler

1шт.

15

70072

PLATE

- idler bracket guide

2шт.

16

14-1236

BOLT,Hex, 3/4" - 16 x 2-1/4", Gr 5, Full Thd

HHCS - 3/4-16 NF x 2 (70072 mt'g.) (Replaces 14-1232)

8шт.

17

R13586

SHIM,.005" Thk

Front idler .005" Thk

1шт.

18

R13587

SHIM,.007" Thk

Front idler .007" Thk

1шт.

19

R13588

SHIM,.010" Thk

Front idler .010" Thk

1шт.

20

92-12

LOCK WASHER,3/4"

WASHER, LOCK, (48452) 3/4"

8шт.

21

R12826

WASHER

- lock

2шт.

22

D31454

KIT

- front idler, Consists of (Replaces 5145)

1шт.

70085

SHAFT

1шт.

70071

BUSHING

SPACER

2шт.

D31848

OIL SEAL

OIL SEAL

2шт.

O9446AB

X

CUP - bearing

2шт.

51200231

BEARING, CONE,50.8mm ID x 30.96mm W

CONE - bearing

2шт.

25-1524

JAM NUT,Jam, 1 1/2"-12, G5

- jam

2шт.

R12826

WASHER

- lock (Not shown)

2шт.

Выбрано товаров: 31