Запчасти Case 1000D (264) - RIPPER HYDRAULICS (07) - HYDRAULIC SYSTEM

Схема запчастей Case 1000D - (264) - RIPPER HYDRAULICS (07) - HYDRAULIC SYSTEM
FIT
1:1
100%

Артикул

Название

Примечание

Количество

1

REF

INSTRUCTION

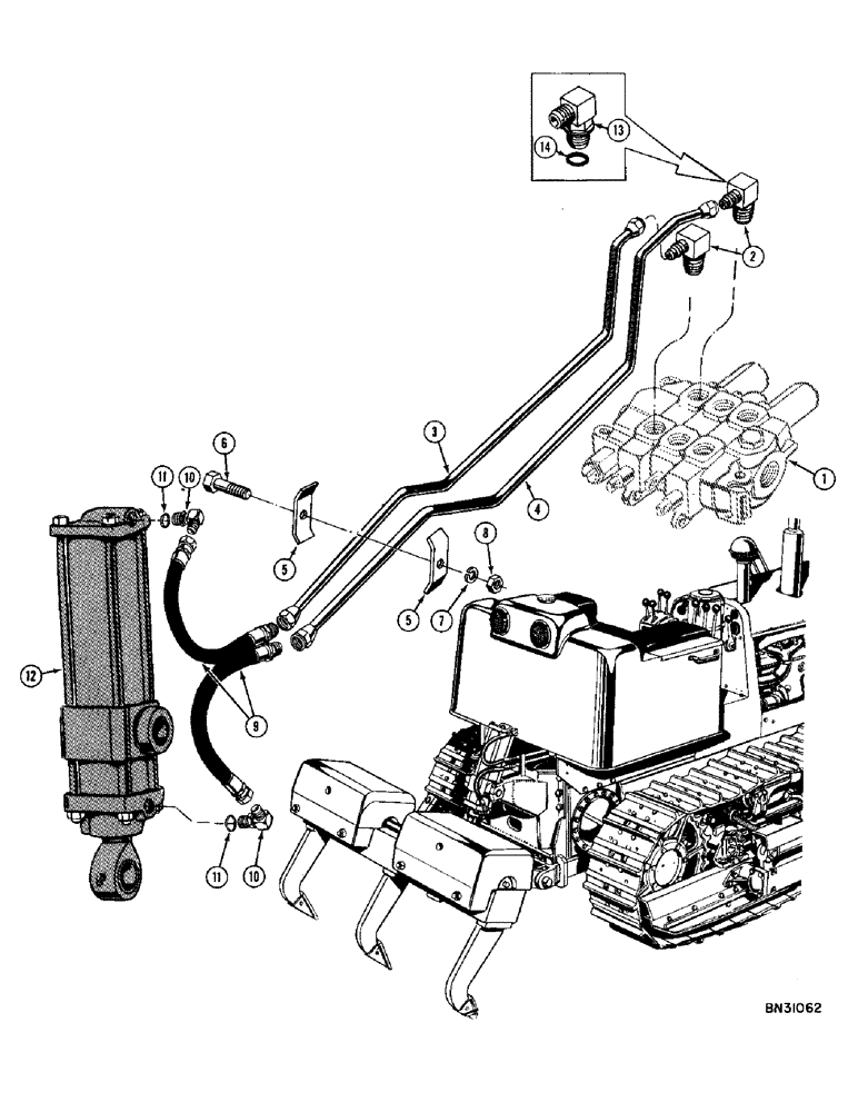
VALVE - hydraulic, equipment control (See Figures 312 thru 322)

1шт.

2

R22380

ELBOW - 90 degree male, special (Used before tractor serial no. 7104771)

2шт.

3

R22414

TUBE - equipment control valve to ripper hydraulic cylinder, upper port (Used before tractor serial no. 7104771)

1шт.

D31667

TUBE - equipment control valve to ripper hydraulic cylinder, upper port (Used on tractor serial no. 7104771 and after)

1шт.

4

R22416

TUBE - equipment control valve to ripper hydraulic cylinder, lower port (Used before tractor serial no. 7104771)

1шт.

D31666

TUBE - equipment control valve to ripper hydraulic cylinder, lower port (Used on tractor serial no. 7104771 and after)

1шт.

5

R16916

CLAMP - tube

2шт.

6

14-536

CAPSCREW,Hex, 5/16" - 24 x 2 1/4", Gr 5

HHCS - 5/16" - 24 NF x 2-1/4"

1шт.

7

92-5

LOCK WASHER,5/16"

1шт.

8

25-115

NUT,5/16"-24, G5

- hex (5/16"-24 NF)

1шт.

9

19297

GASKET

- equipment control valve to ripper hydraulic cylinder (19-5/16" long)

2шт.

10

218-5107

90 ELBOW,90 Degree Elbow, 7/8" - 14 Male JIC x 7/8" - 14 Male ORB

- 90 degree male (5/8" JIC x 5/8" JIC)

2шт.

11

237-6010

O-RING,0.097" Thk x 0.755" ID, -910, Cl 6, 90 Duro

10-1, 90 Duro, .755" ID x .097" Thk

1шт.

12

R19365

CYLINDER - hydraulic, ripper lift and lower (See Figure 298 for breakdown)

1шт.

13

R19528

X

ELBOW - 90 degree adjustable, special (Used on tractor serial no. 7104771 and after)

2шт.

14

218-5010

O-RING,0.116" Thk x 1.171" ID, -916, Cl 6, 90 Duro

SEAL - "O" ring

1шт.

Выбрано товаров: 16