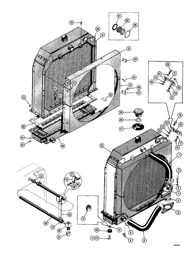
Запчасти Case 1000D (064) - R21832 RADIATOR, USED BEFORE TRACTOR SERIAL NO. 7104001 (01) - ENGINE

Схема запчастей Case 1000D - (064) - R21832 RADIATOR, USED BEFORE TRACTOR SERIAL NO. 7104001 (01) - ENGINE
FIT
1:1
100%

Артикул

Название

Примечание

Количество

1

71835

INSERT

ELBOW - cylinder water outlet

1шт.

2

13-628

BOLT,Hex, 3/8" - 16 x 1-3/4", Gr 5

(71835 mounting) Hex, 3/8"-16 x 1 3/4", G5

3шт.

3

92-6

LOCK WASHER,3/8"

3шт.

4

10275

THERMOSTAT

ASS'Y

1шт.

5

10673

FITTING

GASKET - water outlet elbow

1шт.

6

R20472

HOSE ASSY.

HOSE - radiator outlet

1шт.

7

70628

HOSE

- radiator inlet

1шт.

8

214-260

HOSE CLAMP,#36, 1.81" - 2.75", Type F Worm

4шт.

9

217-92

COCK

DRAINCOCK - radiator water

1шт.

10

70198

WASHER

- vibration

2шт.

11

14-828

BOLT,Hex, 1/2" - 20 x 1-3/4", Gr 5

HHCS - 1/2" - 20 NF x 1-3/4" (Used with Gripco locknut) (Order 2 - 14-832 cap screws and 2 - 131-9 ESSNA locknuts with nylon insert for service)

2шт.

12

230-4618

LOCK NUT,1/2"-20, GA

NUT - lock (1/2" - 20 NF) Gripco (Order 2 - 14-832 cap screws and 2 - 131-9 ESSNA locknuts with nylon insert for service)

2шт.

13

14-832

BOLT,Hex, 1/2" - 20 x 2", Gr 5

HHCS - 1/2" - 20 NF x 2" (Used with ESSNA locknut)

2шт.

14

131-9

LOCK NUT,Prev Torque, Hex, 1/2" - 20, Gr B

NUT - lock (1/2" - 20 NF) ESSNA

2шт.

15

R22327

X

STRAP - radiator support (See illustration for identification) (Order 1 - D35108 strap and 4 - 39519 plain washers for service)

2шт.

16

14-612

BOLT,Hex, 3/8" - 24 x 3/4", Gr 5, Full Thd

(R22327 mounting) Hex, 3/8"-24 x 3/4", G5, Full Thd

2шт.

17

92-6

LOCK WASHER,3/8"

4шт.

18

14-620

BOLT,Hex, 3/8" - 24 x 1-1/4", Gr 5

HHCS - 3/8" - 24 NF x 1-1/4" (R22327 mounting)

2шт.

19

80680

LOCK WASHER,3/8 0.381 CST ZND

WASHER, LOCK, 3/8"

2шт.

20

25-116

NUT,Hex, 3/8"-24, G5

- regular SF hex. (3/8" - 24 NF)

2шт.

21

R22325

STRAP

- radiator support, 3/8" thick - 2" wide x 5" long (See illustration for identification) When stock is exhausted, order D35108 for service

2шт.

D35108

STRAP

- radiator support, 3/8" thick - 1-1/2" wide x 5" long

2шт.

22

14-616

BOLT,Hex, 3/8" - 24 x 1", Gr 5

HHCS - 3/8" - 24 NF x 1" (R22325 mounting)

2шт.

23

92-6

LOCK WASHER,3/8"

4шт.

24

39519

WASHER,10.31mm ID x 34.9mm OD x 3.57mm Thk

- plain

8шт.

25

14-620

BOLT,Hex, 3/8" - 24 x 1-1/4", Gr 5

HHCS - 3/8" - 24 NF x 1-1/4"

2шт.

26

25-116

NUT,Hex, 3/8"-24, G5

- regular SF hex. (3/8" - 24 NF)

2шт.

27

R14780

GROMMET

- radiator cap

1шт.

28

R20523

GASKET - radiator cap

1шт.

29

R20513

CAP - radiator

1шт.

30

R21832

RADIATOR ASS'Y - (Used before tractor serial #7104001)

1шт.

31

NSS

NOT SOLD SEPARAT

CORE AND TANK ASSEMBLY - top (Order R21832 radiator for service)

1шт.

32

R22018

SHROUD - top

1шт.

33

R22019

SHROUD - bottom

1шт.

34

75-46

SCREW

RHMS - 1/4" - 20 NC x 3/8"

2шт.

35

75-46

SCREW

RHMS - 1/4" - 20 NC x 3/8"

4шт.

36

R22013

CLIP - shroud mounting, bottom

2шт.

37

13-410

BOLT,Hex, 1/4" - 20 x 5/8", Gr 5, Full Thd

8шт.

38

92-4

LOCK WASHER,1/4"

WASHER, LOCK, 1/4"

8шт.

39

N6649

STRIP-GASKET

- core

2шт.

40

R22014

TANK & OIL COOLER ASS'Y - bottom

1шт.

41

R22015

WASHER - core

2шт.

42

13-512

BOLT,Hex, 5/16" - 18 x 3/4", Gr 5

32шт.

43

13-514

BOLT,Hex, 5/16" - 18 x 7/8", Gr 5

8шт.

44

92-5

LOCK WASHER,5/16"

40шт.

45

9635082

NUT,5/16" - 18, Gr 5

- regular SF hex. (5/16" - 18 NC)

40шт.

46

R22016

HOSE - rubber, overflow

1шт.

47

R22017

CLIP - hose mounting

2шт.

48

R18946

SCREW - drive, #20 x 3/8"

2шт.

49

D31432

RING - valve retaining

1шт.

50

D31430

VALVE - pressure regulating

1шт.

51

D31431

GASKET - valve

1шт.

52

217-154

FITTING,1/4" Hose Barb x 1/4" Male NPTF

STEM - hose, straight

1шт.

53

214-253

HOSE CLAMP,#10, 0.56" - 1.06", Type F Worm

CLAMP - hose

2шт.

54

D31825

HOSE -, Serial Range: engine-radiator

1шт.

55

D31826

STRAP - hose mounting

1шт.

56

49768

CLIP

- hose

1шт.

57

13-612

BOLT,Hex, 3/8" - 16 x 3/4", Gr 5, Full Thd

(49768 mounting) Hex, 3/8"-16 x 3/4", G5, Full Thd

1шт.

58

92-6

LOCK WASHER,3/8"

1шт.

59

25-106

NUT,3/8"-16, G5

- hex. (3/8" - 16 NC)

1шт.

60

D32231

FITTING - special

1шт.

61

221-60

TUBE

REDUCER BUSHING - pipe, 1/2" x 3/4" (If used)

1шт.

Выбрано товаров: 62