Запчасти Case 1000D (094) - THROTTLE CONTROL LINKAGE (01) - ENGINE

Схема запчастей Case 1000D - (094) - THROTTLE CONTROL LINKAGE (01) - ENGINE
FIT
1:1
100%

Артикул

Название

Примечание

Количество

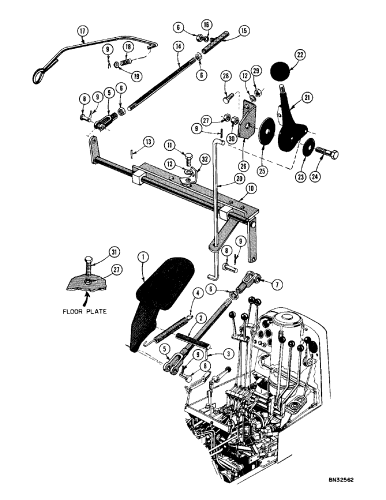
1

34828

PEDAL - accelerator

1шт.

2

R17364

SHAFT

- accelerator, pedal

1шт.

3

49871

X

PIN - lock, 5/32" x 1

1шт.

4

11469

SPRING

- pedal return

1шт.

5

R15747

ROD - accelerator pedal linkage

1шт.

6

25-115

NUT,5/16"-24, G5

- reg. SF hex (5/16"-24 NF)

4шт.

7

213-3

ADJUSTABLE CLEVIS,5/16"-24

YOKE - adjustable (5/16" - 24 NF)

2шт.

8

141-3

CLEVIS PIN,5/16" x .940"

PIN, CLEVIS, , Yoke 5/16" x .940"

3шт.

9

132-26

COTTER PIN

Pin, Split (Cotter), 3/32" x 3/4"

5шт.

10

R20622

CONTROL ASS'Y - engine

1шт.

11

13-616

BOLT,Hex, 3/8" - 16 x 1", Gr 5, Full Thd

(R20622 mounting) Hex, 3/8"-16 x 1", G5, Full Thd

2шт.

12

92-6

LOCK WASHER,3/8"

4шт.

13

138-57

LOCK PIN,1/8" x 3/4", Slotted

PIN, 1/8" x 3/4", Slotted

1шт.

14

R14510

ROD - foot pedal linkage

1шт.

15

R14508

BALLJOINT - special

1шт.

16

92-5

LOCK WASHER,5/16"

1шт.

17

R16902

ROD

- fuel shut-off

1шт.

18

31220

VALVE SPRING

SPRING

1шт.

19

195-18

WASHER,1/4"

- plain (9/32" I.D. x 5/8" O.D. x .080" thick)

1шт.

20

R20637

ROD - hand throttle

1шт.

21

R18706

LEVER ASS'Y - hand throttle

1шт.

22

70213

KNOB

- control

1шт.

23

R14771

WASHER

- Belleville (1-5/8" O.D. x 17/32" I.D.)

1шт.

24

14-832

BOLT,Hex, 1/2" - 20 x 2", Gr 5

HHCS - 1/2" - 20 NF x 2" (R18706 mounting)

1шт.

25

R15071

DISC

- friction

1шт.

26

R12520

BRACKET - hand throttle

1шт.

27

25-158

JAM NUT,Jam, 1/2"-20, G5

- hex. jam (1/2" - 20 NF)

2шт.

28

14-614

SCREW,Hex, 3/8" - 24 x 7/8", Gr 5

HHCS - 3/8" - 24 NF x 7/8" (R12520 mounting)

2шт.

29

25-116

NUT,Hex, 3/8"-24, G5

- reg. SF hex. (3/8" - 24 NF)

2шт.

30

25-118

NUT,1/2"-20, G5

- reg. SF hex. (1/2" - 20 NF)

1шт.

31

114-402

HHCS - 1/2" - 20 NF x 2"

1шт.

32

74939

SCREW

CLIP - terminal

1шт.

Выбрано товаров: 32