Запчасти Case 1000D (104) - D30100 TORQUE CONVERTER PUMP (03) - TRANSMISSION

Схема запчастей Case 1000D - (104) - D30100 TORQUE CONVERTER PUMP (03) - TRANSMISSION
FIT
1:1
100%

Артикул

Название

Примечание

Количество

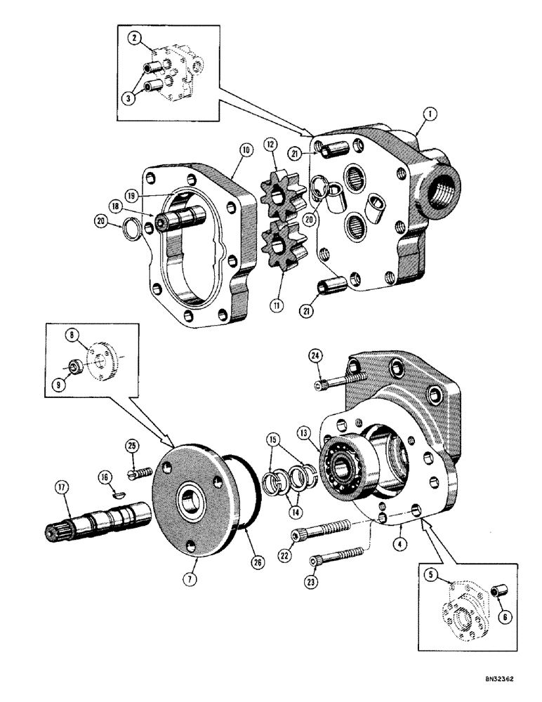
D30100

PUMP

ASSEMBLY - torque converter charging

1шт.

1

R22139

COVER ASSEMBLY - port end, four ports (Order with 1 - 218-5158 plug and 1 - 218-5008 "O" ring) When stock is exhausted use 1 - D30097 cover for service (Early production)

1шт.

D30097

COVER ASSEMBLY - port end, three ports (Late production)

1шт.

2

NSS

NOT SOLD SEPARAT

COVER - port end

1шт.

3

14228

NEEDLE BEARING,Needle, 19.05mm ID x 25.4mm OD x 19.05mm W

BEARING - needle

2шт.

4

R22140

BODY ASSEMBLY - pump

1шт.

5

NSS

NOT SOLD SEPARAT

BODY - pump

1шт.

6

14228

NEEDLE BEARING,Needle, 19.05mm ID x 25.4mm OD x 19.05mm W

BEARING - needle

1шт.

7

NLS

NO LONGER SERVICED

PLATE ASSEMBLY - pilot

1шт.

8

NSS

NOT SOLD SEPARAT

PLATE - pilot

1шт.

9

R22149

SEAL

- oil

1шт.

D30098

GEAR

S AND PLATE - pump

1шт.

10

R22150

PLATE - gear

1шт.

11

NSS

NOT SOLD SEPARAT

GEAR - drive

1шт.

12

NSS

NOT SOLD SEPARAT

GEAR - idler

1шт.

13

MT2041S

BEARING

- ball

1шт.

14

14218

WASHER

WASHER

2шт.

15

14217

RING

- retaining

2шт.

16

126-109

WOODRUFF KEY,#3, 1/8" x 1/2", HT

1шт.

17

R22142

SHAFT - drive

1шт.

18

R22143

SHAFT

- idler

1шт.

19

126-106

WOODRUFF KEY,# 213, 1/8" x 3/8", HT

KEY - #213 Woodruff

1шт.

20

D27331

RING

- retaining

2шт.

21

R22145

DOWEL

2шт.

22

61-532

HEX SOC SCREW,5/16"-18 x 2"

SHCS - 5/16" - 18 NC x 2"

6шт.

23

61-432

HEX SOC SCREW,1/4"-20 x 2"

SCREW, Hex Soc Hd, 1/4"-20 x 2"

1шт.

24

61-436

HEX SOC SCREW,1/4"-20 x 2 1/4"

SCREW - 1/4"-20 NC x 2-1/4"

1шт.

25

171-212

SCREW,Sl Flat Hd, #10 - 24 x 5/8"

FHMS - #10 - 24 NC x 5/8"

3шт.

26

D28965

O-RING,0.103" Thk x 2.112" ID, -138, Cl 5, 75 Duro

SEAL - "O" ring

1шт.

Выбрано товаров: 0