Запчасти Case 1000D (310) - R20723 TRANSMISSION CONTROL VALVE (03) - TRANSMISSION

Схема запчастей Case 1000D - (310) - R20723 TRANSMISSION CONTROL VALVE (03) - TRANSMISSION
FIT
1:1
100%

Артикул

Название

Примечание

Количество

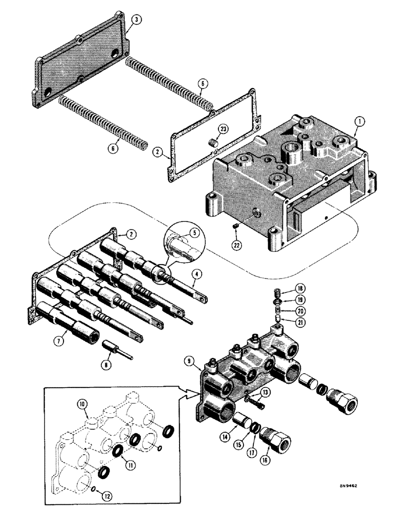
R20723

VALVE

ASS'Y - transmission control

1шт.

1

R21379

HOUSING

BODY - control valve

1шт.

2

71113

GASKET

- cover front and rear

2шт.

3

R21380

COVER - rear

1шт.

4

71146

HOSE

ROD ASS'Y - push, valve shift

4шт.

5

71144

RING

- snap

1шт.

6

71125

SPRING

- brake valve

2шт.

7

74916

SPOOL

VALVE ASS'Y - brake

2шт.

8

71141

ROD

- brake valve push

2шт.

9

R13942

COVER

ASS'Y - valve front

1шт.

10

NSS

NOT SOLD SEPARAT

COVER - valve front

1шт.

11

71121

WIPER SEAL,15.88mm ID x 20.78mm OD x 2.74mm Thk

- shaft

4шт.

12

71133

PIN

- shaft

2шт.

13

193-511

HEX SOC SCREW,Sems, 1/4"-28 x 5/8"

SCREW AND LOCKWASHER ASS'Y - 1/4" - 28 NF x 5/8"

12шт.

14

71129

X

PISTON - brake valve

2шт.

15

71131

RING

- quad

2шт.

16

72989

X

HOUSING ASS'Y - brake valve piston

2шт.

NSS

NOT SOLD SEPARAT

HOUSING - brake valve piston

1шт.

17

71121

WIPER SEAL,15.88mm ID x 20.78mm OD x 2.74mm Thk

- shaft

1шт.

18

178-653

SET SCREW,Hex Soc, 3/8"-16 x 3/8"

SHSS - 3/8" - 16 NC x 3/8"

4шт.

19

131-407

LOCK NUT,Pal, 3/8" - 16, 0.145" High

4шт.

20

71119

SPRING

- detent

4шт.

21

71120

VALVE

DETENT

4шт.

22

221-849

PLUG,Hex Soc, 1/8"-27

- pipe, hex. socket head (1/8" NPT)

2шт.

23

221-42

X,Sltd, 1/4" NPT

PLUG - pipe, slotted headless (1/4" NPT)

1шт.

Выбрано товаров: 25