Запчасти Case 1000D (124) - HYDRAULIC BRAKES (04) - UNDERCARRIAGE

Схема запчастей Case 1000D - (124) - HYDRAULIC BRAKES (04) - UNDERCARRIAGE
FIT
1:1
100%

Артикул

Название

Примечание

Количество

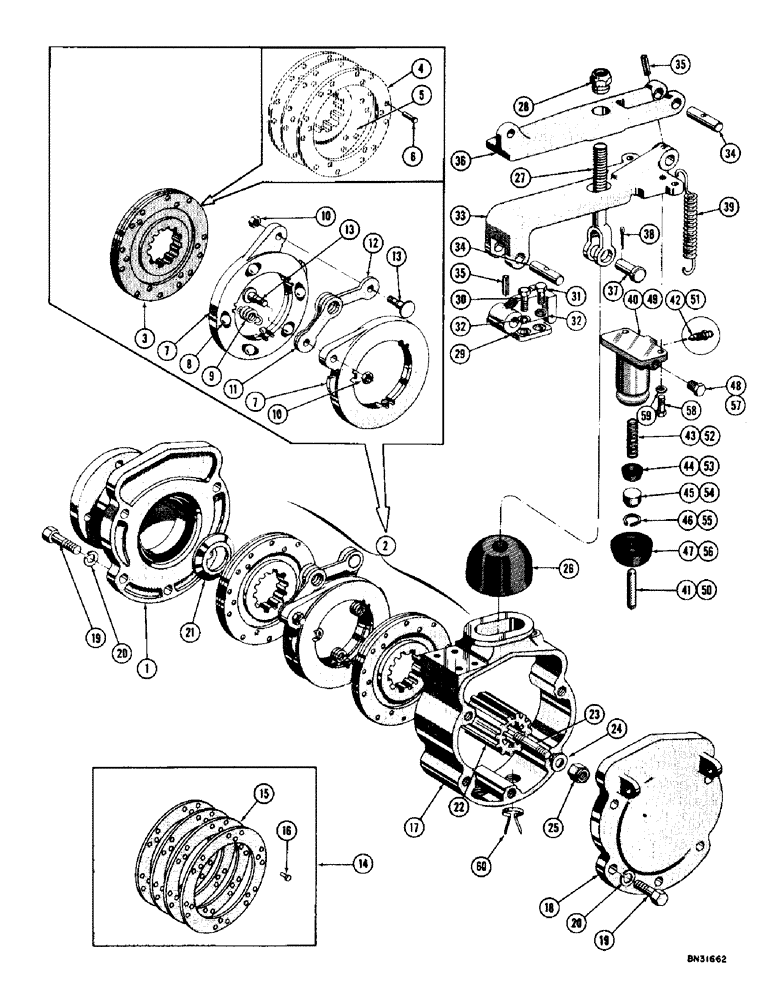
1

R13811

MOUNT - brake (Used before transmission serial no. 2009881) When stock is exhausted use A50151 for service

2шт.

A50151

MOUNTING PARTS

MOUNT - brake (Used on transmission serial no. 2009881 and after)

2шт.

2

R13983

X

BRAKE ASSEMBLY - double disc (When stock is exhausted, use 1 - R13352 disc kit and 2 - A40796 brake disc for service)

2шт.

R2723

ASSEMBLY

DISC ASSEMBLY - middle (When stock is exhausted, use 2 - A40796 brake disc for service)

1шт.

3

R13351

DISC

ASSEMBLY - middle (Use A40796 brake disc for service)

2шт.

4

NSS

NOT SOLD SEPARAT

LINING - brake (Use 4299AA brake lining for service)

2шт.

5

NSS

NOT SOLD SEPARAT

DISC - brake (Use A40796 brake disc for service)

1шт.

6

NSS

NOT SOLD SEPARAT

RIVET - brake (Use 4299AA brake lining for service)

18шт.

R13352

BRAKE

KIT - actuating disc

1шт.

7

NSS

NOT SOLD SEPARAT

DISC - actuating

2шт.

8

211-19

BALL,7/8" Dia

- . 7/8" Dia

5шт.

9

A30897

SPRING

- extension

3шт.

10

25-156

JAM NUT,Jam, 3/8"-24, G5

- hex., jam (3/8" - 24 NF)

2шт.

11

A31120

LINK

- yoke

1шт.

12

A31119

LINK

- plain

1шт.

13

A31121

STEP BOLT

STUD

2шт.

14

4299AA

KIT

- brake lining

1шт.

15

NSS

NOT SOLD SEPARAT

LINING - brake

4шт.

16

O7206AB

RIVET

- 3/16" dia. x 7/16"

36шт.

17

R14123

HOUSING

- brake

2шт.

18

R13413

COVER

- brake

2шт.

19

13-820

BOLT,Hex, 1/2" - 13 x 1-1/4", Gr 5, Full Thd

20шт.

20

92-8

LOCK WASHER,1/2"

20шт.

21

R13614

SHIELD

SLINGER - oil

2шт.

22

R12613

ADAPTER

- brake

2шт.

23

A50342

STUD

- 1/2" - 13 NC x 1-7/8"

2шт.

24

R13347

WASHER

- special

2шт.

25

131-10

NUT,1/2"-13, GB

NUT, LOCK, 1/2"-13, GB

2шт.

26

R22100

CAP

- dust

2шт.

27

R14125

ROD

2шт.

28

R21551

LOCK NUT

2шт.

29

R14120

BRACKET

- brake

2шт.

30

13-614

BOLT,Hex, 3/8" - 16 x 7/8", Gr 5, Full Thd

4шт.

31

13-612

BOLT,Hex, 3/8" - 16 x 3/4", Gr 5, Full Thd

4шт.

32

92-6

LOCK WASHER,3/8"

8шт.

33

R14121

LEVER

- brake

2шт.

34

R13609

AXLE PIN

PIN - brake

4шт.

35

135-747

GROOVED PIN,3/16" x 1 1/4", Type E

PIN, GROOVED, 3/16" x 1 1/4", Type E

4шт.

36

R14122

LEVER

- hand brake

2шт.

37

141-6

CLEVIS PIN,1/2" x 1.360"

PIN - yoke (1/2")

2шт.

38

132-48

COTTER PIN,1/8" x 1"

Pin, Split (Cotter), 1/8" x 1"

2шт.

39

R14124

SPRING

4шт.

R14115

X

CYLINDER ASSEMBLY - wheel (Used before transmission serial no. 2009881) When stock is exhausted use 2 - A50120 wheel cylinders

2шт.

When replacing 1 P/N R14115 wheel cylinder with P/N A50120 wheel cylinders, both right and left hand wheel cylinders must be replaced.

1шт.

40

NSS

NOT SOLD SEPARAT

BODY - 3/4" I.D.

1шт.

41

R15269

ROD

- push

1шт.

R2933

BRAKE

KIT - wheel cylinder repair

1шт.

42

R15262

SCREW

- bleeder

1шт.

43

NSS

NOT SOLD SEPARAT

SPRING - return

1шт.

44

NSS

NOT SOLD SEPARAT

CUP

1шт.

45

NSS

NOT SOLD SEPARAT

PISTON

1шт.

46

NSS

NOT SOLD SEPARAT

RING - retaining

1шт.

47

R16239

BOOT

1шт.

48

222-1062

PLUG,7/16"-24, Inv Fl

1шт.

A50120

CYLINDER

ASSEMBLY - wheel (Used on transmission serial no. 2009881 and after)

2шт.

49

NSS

NOT SOLD SEPARAT

BODY - wheel cylinder, 1" I.D.

1шт.

50

R15269

ROD

- push

1шт.

A50177

KIT

- wheel cylinder repair

1шт.

51

R15262

SCREW

- bleeder

1шт.

52

A50173

COIL SPRING

SPRING - return

1шт.

53

A50175

RETAINER

CUP - retaining

1шт.

54

A50174

PISTON

1шт.

55

A50172

RING

- retaining

1шт.

56

R16239

BOOT

1шт.

57

R15271

X

PLUG

1шт.

58

13-414

BOLT,Hex, 1/4" - 20 x 7/8", Gr 5, Full Thd

(Wheel cylinder mounting) Hex, 1/4"-20 x 7/8", G5, Full Thd

4шт.

59

92-4

LOCK WASHER,1/4"

WASHER, LOCK, 1/4"

4шт.

60

R14605

PIN

- cotter

4шт.

Выбрано товаров: 68