Запчасти Case 1000D (138) - PARKING BRAKE AND TWO SPEED SHIFT LEVER (04) - UNDERCARRIAGE

Схема запчастей Case 1000D - (138) - PARKING BRAKE AND TWO SPEED SHIFT LEVER (04) - UNDERCARRIAGE
FIT
1:1
100%

Артикул

Название

Примечание

Количество

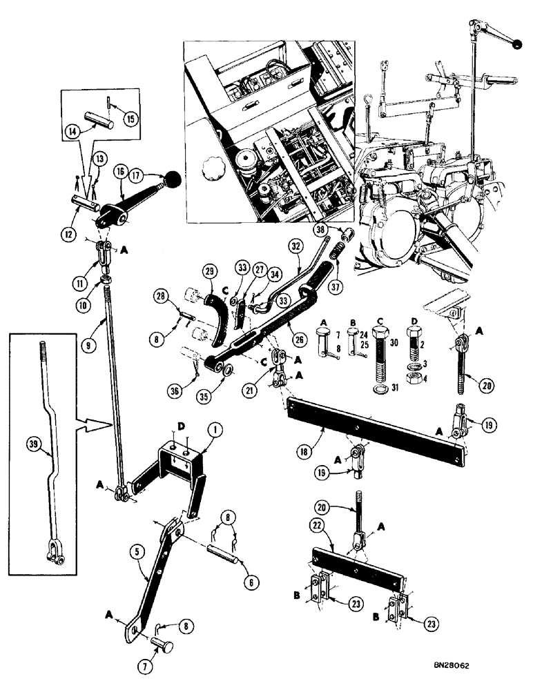
1

R17955

LINKAGE

ASSEMBLY - range lever

1шт.

2

14-628

BOLT,Hex, 3/8" - 24 x 1-3/4", Gr 5

HHCS - 3/8" - 24 NF x 1-3/4" (R17955 mounting)

2шт.

3

92-6

LOCK WASHER,3/8"

2шт.

4

25-116

NUT,Hex, 3/8"-24, G5

- hex. (3/8" - 24 NF)

2шт.

5

R22093

ROD

LINKAGE - range lever (When stock is exhausted use D31864 for service)

1шт.

D31864

LEVER

LINKAGE - range lever

1шт.

6

1337984C1

FORK

PIN - yoke

1шт.

7

141-4

CLEVIS PIN,3/8" x 1.060"

PIN, CLEVIS, 3/8" x 1.060"

9шт.

8

132-26

COTTER PIN

Pin, Split (Cotter), 3/32" x 3/4"

13шт.

9

R18052

ROD - two speed shift linkage (Used on all models except those having Dual Pull Behinds) See ref. #39

1шт.

10

25-156

JAM NUT,Jam, 3/8"-24, G5

- hex., jam (3/8" - 24 NF)

1шт.

11

213-4

ADJUSTABLE CLEVIS,3/8"-24 x 2 1/2"

YOKE - adjustable

1шт.

12

R13494

SHAFT - lever pivot (When stock is exhausted use 1 - D29768 shaft and 1 - 138-98 roll pin)

1шт.

13

132-48

COTTER PIN,1/8" x 1"

Pin, Split (Cotter), 1/8" x 1"

2шт.

14

D29768

SHAFT

- lever pivot

1шт.

15

138-98

LOCK PIN,3/16" x 1 1/4", Slotted

PIN, 3/16" x 1 1/4", Slotted

1шт.

16

R13377

LEVER

- range

1шт.

17

70213

KNOB

BALL - grip

1шт.

18

R19837

LEVER - cross

1шт.

19

213-4

ADJUSTABLE CLEVIS,3/8"-24 x 2 1/2"

YOKE - adjustable

2шт.

20

A30967

CLEVIS

- adjustable

2шт.

21

R13852

LINK

YOKE END AND ROD ASSEMBLY - linkage

1шт.

22

R14149

LEVER - cross

1шт.

23

R14148

LINK

- valve

4шт.

24

141-3

CLEVIS PIN,5/16" x .940"

PIN, CLEVIS, , Yoke 5/16" x .940"

4шт.

25

132-24

COTTER PIN,3/32" x 1/2"

PIN, SPLIT (COTTER), 3/32" x 1/2"

4шт.

26

R20296

HANDLE

- parking brake

1шт.

27

R13848

KEY

PAWL - parking brake

1шт.

28

35173

PIN

- parking brake

1шт.

29

R13847

BRACKET

RATCHET - parking brake

1шт.

30

14-616

BOLT,Hex, 3/8" - 24 x 1", Gr 5

HHCS - 3/8" - 24 NF x 1" (R13847 mounting)

2шт.

31

92-6

LOCK WASHER,3/8"

2шт.

32

R20297

ROD - parking brake

1шт.

33

195-18

WASHER,1/4"

- plain (9/32" I.D. x 5/8" O.D. x 5/64" thick)

2шт.

34

132-5

COTTER PIN,1/16" x 1/2"

Pin, Split (Cotter), , If used 1/16" x 1/2"

1шт.

132-25

COTTER PIN,3/32" x 5/8"

Pin, Split (Cotter), , if used 3/32" x 5/8"

1шт.

35

195-33

WASHER,1/2"

- plain (17/32" I.D. x 1-1/16" O.D. x 1/8" thick)

1шт.

36

132-48

COTTER PIN,1/8" x 1"

Pin, Split (Cotter), 1/8" x 1"

1шт.

37

R13850

SPRING

- parking brake

1шт.

38

R13851

BUTTON - parking brake

1шт.

39

R22883

ROD - two speed shift linkage (Used with Dual Pull Behinds only)

1шт.

Выбрано товаров: 41