Запчасти Case 1000D (136) - TRANSMISSION CONTROL TOWER (05) - UPPERSTRUCTURE CHASSIS

Схема запчастей Case 1000D - (136) - TRANSMISSION CONTROL TOWER (05) - UPPERSTRUCTURE CHASSIS
FIT
1:1
100%

Артикул

Название

Примечание

Количество

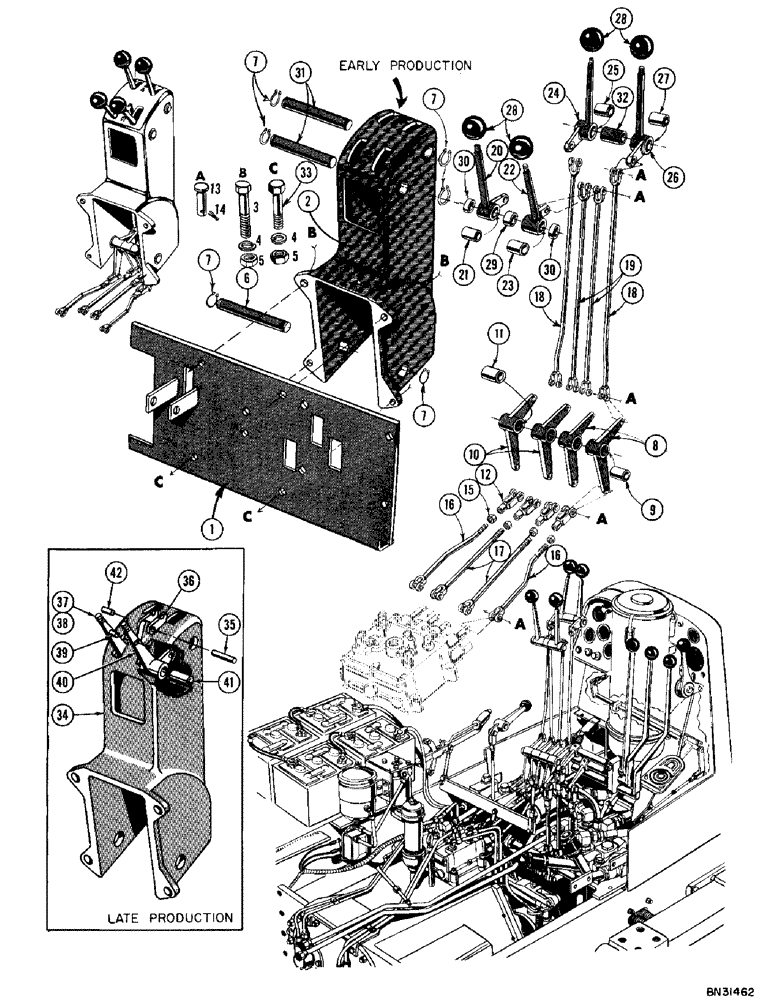
1

R22277

PLATE ASS'Y - heel

1шт.

2

R17958

TOWER - control, Early Production (When stock is exhausted order D29782 for service)

1шт.

3

14-828

BOLT,Hex, 1/2" - 20 x 1-3/4", Gr 5

HHCS - 1/2" - 20 NF x 1-3/4" (R22277, D29782 & R17958 mounting)

2шт.

4

92-8

LOCK WASHER,1/2"

4шт.

5

25-118

NUT,1/2"-20, G5

- regular SF hex. (1/2" - 20 NF)

4шт.

6

R17966

ROD

SHAFT - control levers

1шт.

7

T25683

SNAP RING,#75, Ext

Ring, Snap, #75, Ext

6шт.

8

R17976

ARM ASS'Y - lever, R.H.

2шт.

9

R16088

BUSHING

BEARING - sleeve

1шт.

10

R17977

ARM ASS'Y - lever, L.H.

2шт.

11

R16088

BUSHING

BEARING - sleeve

1шт.

12

213-3

ADJUSTABLE CLEVIS,5/16"-24

YOKE - adjustable

4шт.

13

141-3

CLEVIS PIN,5/16" x .940"

PIN, CLEVIS, , Yoke 5/16" x .940"

16шт.

14

132-24

COTTER PIN,3/32" x 1/2"

PIN, SPLIT (COTTER), 3/32" x 1/2"

16шт.

15

25-115

NUT,5/16"-24, G5

- reg. SF hex (5/16"-24 NF)

4шт.

16

R17964

ROD - linkage

2шт.

17

R17963

ROD - linkage

2шт.

18

R17962

ROD - linkage

2шт.

19

R17961

ROD - linkage

2шт.

20

R17975

LEVER ASS'Y - control, forward neutral or reverse (L.H.) Early Production

1шт.

21

R16088

BUSHING

BEARING - sleeve

1шт.

22

R17970

LEVER ASS'Y - control, forward neutral or reverse (R.H.) Early Production

1шт.

23

R16088

BUSHING

BEARING - sleeve

1шт.

24

R17975

LEVER ASS'Y - control, high neutral or low (L.H.)

1шт.

25

R16088

BUSHING

BEARING - sleeve

1шт.

26

R17970

LEVER ASS'Y - control, high neutral or low (R.H.)

1шт.

27

R16088

BUSHING

BEARING - sleeve

1шт.

28

70213

KNOB

BALL - grip

4шт.

29

60490

SPACER

1шт.

30

R17967

SPACER

2шт.

31

R17965

SHAFT

- control levers

2шт.

32

71949

COVER PLATE

SPACER

1шт.

33

14-824

BOLT,Hex, 1/2" - 20 x 1-1/2", Gr 5

HHCS - 1/2" - 20 NF x 1-1/2" (R22277, D29782 & R17958 mounting)

2шт.

34

D29782

TOWER - control, Late Production (With safety locking feature)

1шт.

35

138-160

LOCK PIN,5/16" x 2", Slotted

Pin, 5/16" x 2", Slotted

1шт.

36

D29979

LOCK - safety

2шт.

37

D29780

LEVER ASS'Y - control, forward neutral or reverse (L.H.) Late Production

1шт.

38

R16088

BUSHING

BEARING - sleeve

1шт.

39

138-96

LOCK PIN,3/16" x 1", Slotted

PIN, 3/16" x 1", Slotted

1шт.

40

D29779

LEVER ASS'Y - control, forward neutral or reverse (R.H.) Late Production

1шт.

41

R16088

BUSHING

BEARING - sleeve

1шт.

42

138-96

LOCK PIN,3/16" x 1", Slotted

PIN, 3/16" x 1", Slotted

1шт.

Выбрано товаров: 42