Запчасти Case 1000D (208) - DROTT 4-IN-1 BUCKET (05) - UPPERSTRUCTURE CHASSIS

Схема запчастей Case 1000D - (208) - DROTT 4-IN-1 BUCKET (05) - UPPERSTRUCTURE CHASSIS
FIT
1:1
100%

Артикул

Название

Примечание

Количество

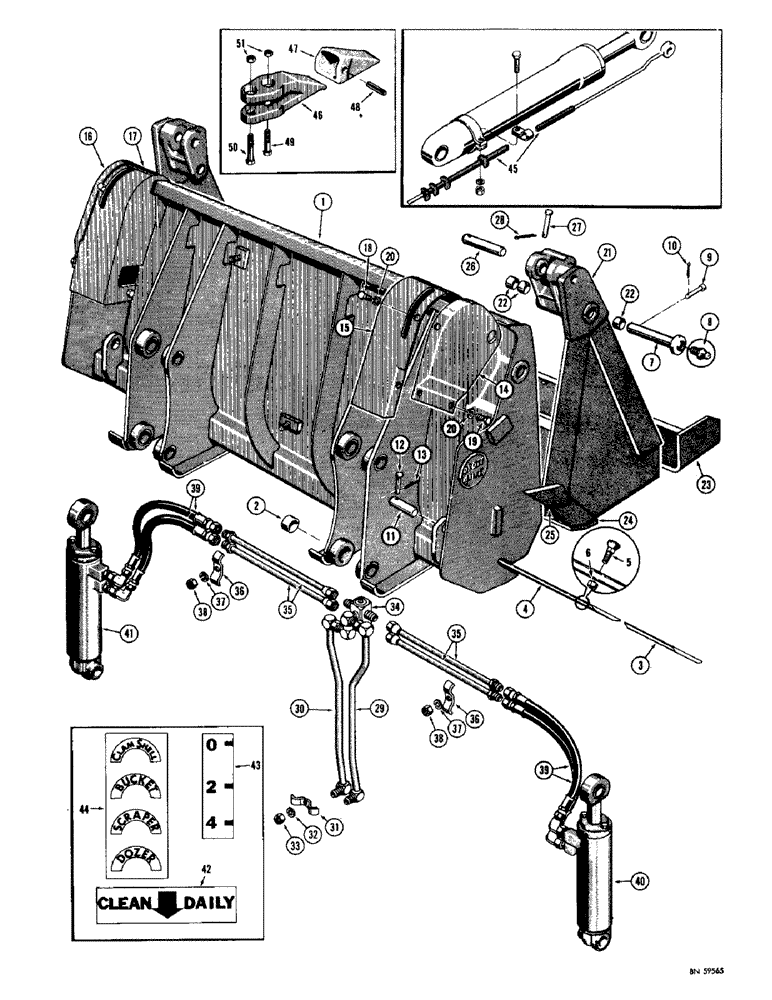
D38972

BUCKET - Drott, without teeth (1-1/2 cu. yard) Machinery item

1шт.

D39193

BLADE ASSEMBLY - bucket

1шт.

1

NSS

NOT SOLD SEPARAT

BLADE - bucket

1шт.

2

R14220

BUSHING

- bucket ear

8шт.

3

D39196

END

CUTTING EDGE - end

2шт.

4

D39197

EDGE

CUTTING EDGE - blade

1шт.

5

19-1232

CARRIAGE BOLT,#3, 3/4" - 10 x 2", Gr 5

BOLT - plow (3/4" - 10 NC x 2")

15шт.

6

25-1012

NUT,3/4"-10, G5

15шт.

7

D38847

AXLE PIN

PIN -, Serial Range: clam-blade

2шт.

8

219-1

LUBE NIPPLE,1/8" - 27 NPTF

FITTING - straight grease (1/8" NPT)

1шт.

9

A18666

PIN

- clevis, 1/2" dia. x 4"

2шт.

10

132-48

COTTER PIN,1/8" x 1"

Pin, Split (Cotter), 1/8" x 1"

2шт.

11

A17662

PIN

- cylinder base

2шт.

12

A17663

PIN

- clevis, 1/2" dia. x 2-3/4"

2шт.

13

132-48

COTTER PIN,1/8" x 1"

Pin, Split (Cotter), 1/8" x 1"

2шт.

14

D39198

COVER

- cylinder, side (R.H.)

1шт.

15

D39200

COVER

- cylinder, rear (R.H.)

1шт.

16

D39199

COVER

- cylinder, side (L.H.)

1шт.

17

D39201

COVER

- cylinder, rear (L.H.)

1шт.

18

13-812

BOLT,Hex, 1/2" - 13 x 3/4", Gr 5

HHCS - 1/2" - 13 NC x 3/4"

6шт.

19

13-816

BOLT,Hex, 1/2" - 13 x 1", Gr 5, Full Thd

4шт.

20

92-8

LOCK WASHER,1/2"

10шт.

D39194

CLAW

CLAM ASSEMBLY - bucket

1шт.

21

NSS

NOT SOLD SEPARAT

CLAM - bucket

1шт.

22

A18662

BUSHING

- clam

6шт.

23

D39202

CUTTING EDGE

- clam

1шт.

24

D39203

PLATE

WEAR PLATE - clam

1шт.

25

D38842

HOOK

- grab

2шт.

26

A18667

PIN

-, Serial Range: clam-cylinder

2шт.

27

A18666

PIN

- clevis

2шт.

28

132-48

COTTER PIN,1/8" x 1"

Pin, Split (Cotter), 1/8" x 1"

2шт.

29

D39205

TUBE

- to relief valve, R.H.

1шт.

30

D39204

TUBE

- to relief valve, L.H.

1шт.

31

D38835

CLAMP

- tube

1шт.

32

92-6

LOCK WASHER,3/8"

1шт.

33

25-106

NUT,3/8"-16, G5

- hex. (3/8" - 16 NC)

1шт.

34

D38826

HYDRAULIC VALVE

VALVE - relief (Parts list Figure 292)

1шт.

35

D39206

TUBE

- relief, Serial Range: valve-cylinders

4шт.

36

A17696

COLLAR CLAMP

CLAMP - tube

2шт.

37

92-6

LOCK WASHER,3/8"

2шт.

38

25-106

NUT,3/8"-16, G5

- hex. (3/8" - 16 NC)

2шт.

39

A17687

HOSE ASSY.

HOSE - relief, Serial Range: valve-cylinder

4шт.

40

A17668

CYLINDER

- hydraulic, clam (R.H.) Parts list Figure 292

1шт.

41

A17669

CYLINDER

- hydraulic, clam (L.H.) Parts list Figure 292

1шт.

42

A18673

DECAL

- clean out

2шт.

43

D39207

DECAL

- clam opening

1шт.

44

D39087

DECAL

- 4 in 1 tilt

1шт.

45

D39208

INDICATOR - bucket position (See Figure 202 for related parts)

1шт.

A17665

TOOTH

ASSEMBLY - bucket

8шт.

46

NSS

NOT SOLD SEPARAT

SHANK - tooth, bucket (optional)

1шт.

47

A17667

TIP

- tooth, bucket (optional)

1шт.

48

138-207

LOCK PIN,1/2" x 2 1/4", Slotted

PIN, , Bucket tooth (optional) 1/2" x 2 1/4", Slotted

8шт.

49

13-1048

BOLT,Hex, 5/8" - 11 x 3", Gr 5

Bucket tooth (optional) Hex, 5/8"-11 x 3", G5

8шт.

50

13-1052

BOLT,Hex, 5/8" - 11 x 3-1/4", Gr 5

Bucket tooth (optional) Hex, 5/8"-11 x 3 1/4", G5

8шт.

51

25-1010

NUT,5/8"-11, G5

Bucket tooth (optional) 5/8"-11, G5

16шт.

Выбрано товаров: 55