Запчасти Case 1000D (262) - RIPPER (05) - UPPERSTRUCTURE CHASSIS

Схема запчастей Case 1000D - (262) - RIPPER (05) - UPPERSTRUCTURE CHASSIS
FIT
1:1
100%

Артикул

Название

Примечание

Количество

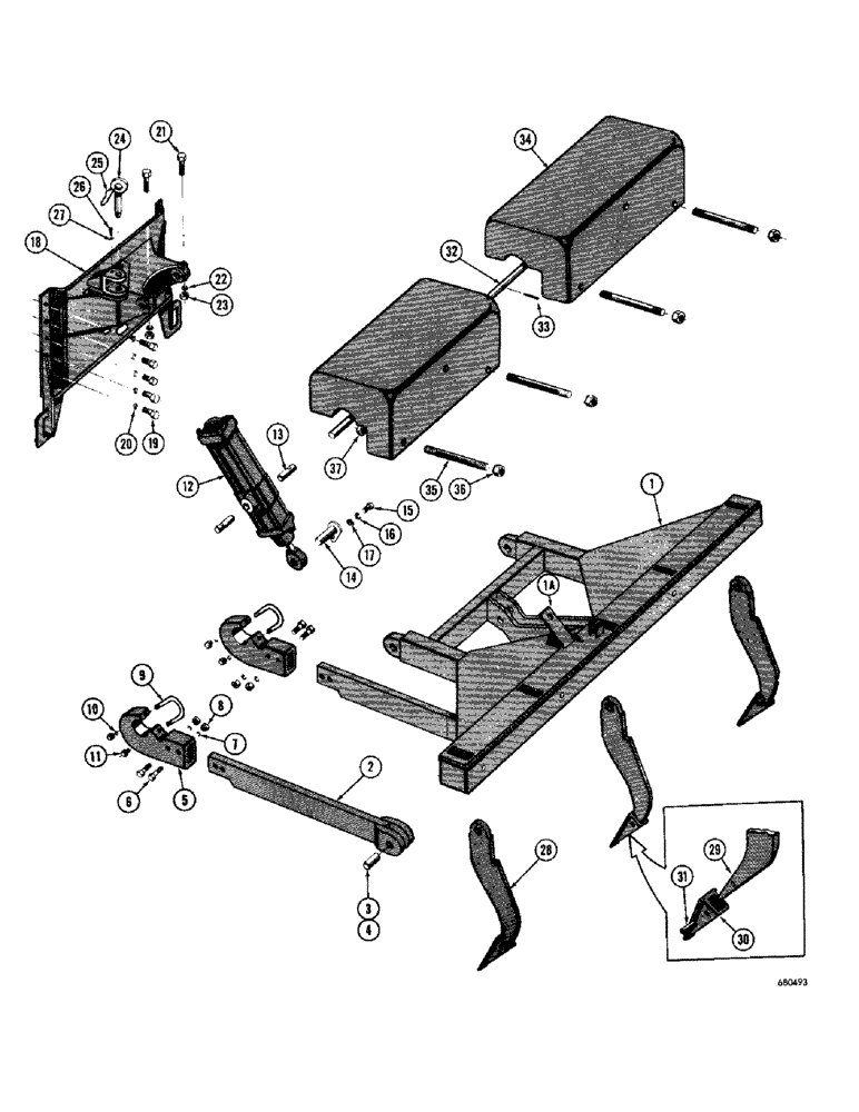
1

D30111

FRAME KIT - ripper, service only

1шт.

1a

R22646

BRACKET - frame locking

1шт.

2

73594

X

ARM - attaching, when stock is exhausted, use (1) D38105 bracket, (1) D38106 arm, (3) 13-1660 bolts, (3) 95-16 washers and (3) 25-1016 nuts for service

2шт.

3

73592

AXLE PIN

PIN - attaching arm to ripper frame

2шт.

4

138-180

LOCK PIN,3/8" x 2 1/2", Slotted

PIN, 3/8" x 2 1/2", Slotted

4шт.

5

70795

X

BRACKET - ripper attaching

2шт.

6

13-1460

BOLT,Hex, 7/8" - 9 x 3-3/4", Gr 5

HHCS - 7/8" - 9NC x 3-3/4" (73594 & 70795 mounting) (Used as original equipment on tractor serial #7104001 and after)

4шт.

14-1256

BOLT,Hex, 3/4" - 16 x 3-1/2", Gr 5

HHCS - 3/4" - 16 NF x 3-1/2" (73594 & 70795 mounting) (Used as original equipment before tractor serial #7104001)

4шт.

7

92-14

LOCK WASHER,7/8"

WASHER, LOCK, 7/8"

4шт.

92-12

LOCK WASHER,3/4"

WASHER, LOCK, 3/4"

4шт.

8

25-1014

NUT,7/8"-9, G5

4шт.

25-1112

NUT,3/4"-16, G5

- hex. (3/4" - 16 NF)

4шт.

9

70884

BOLT

"U" BOLT - ripper attaching bracket mounting

2шт.

10

92-10

LOCK WASHER,5/8"

WASHER, LOCK, 5/8"

4шт.

11

25-1110

NUT,5/8"-18, G5

- hex. (5/8" - 18 NF)

4шт.

12

R19365

CYLINDER - hydraulic, ripper lift and lower (See Figure 298 for breakdown)

1шт.

13

70887

AXLE PIN

PIN - attaching, cylinder to ripper backing plate

2шт.

14

31109

PIN ASSY.

PIN - attaching, cylinder to ripper frame

1шт.

15

14-816

BOLT,Hex, 1/2" - 20 x 1", Gr 5

HHCS - 1/2" - 20 NF x 1" (31109 mounting)

1шт.

16

92-8

LOCK WASHER,1/2"

1шт.

17

D23740

BUSHING

1шт.

18

R21188

PLATE - ripper backing

1шт.

19

14-1232

BOLT,Hex, 3/4" - 16 x 2", Gr 5

HHCS - 3/4" - 16 NF x 2"

10шт.

20

92-12

LOCK WASHER,3/4"

WASHER, LOCK, 3/4"

10шт.

21

14-1064

BOLT,Hex, 5/8" - 18 x 4", Gr 5

HHCS - 5/8" - 18 NF x 4" (70887 mounting)

2шт.

22

92-10

LOCK WASHER,5/8"

WASHER, LOCK, 5/8"

2шт.

23

25-1110

NUT,5/8"-18, G5

- hex. (5/8" - 18 NF)

2шт.

24

72101

PIN - ripper lock

1шт.

25

35393

AXLE-SHAFT, ARTICULA

CHAIN - pin attaching

1шт.

26

13-512

BOLT,Hex, 5/16" - 18 x 3/4", Gr 5

(35393 mounting) Hex, 5/16"-18 x 3/4", G5, Full Thd

1шт.

27

95-5

WASHER,3/8" x 7/8" x .083"

- standard wrot (3/8" I.D. x 7/8" O.D. x 5/64" thick)

1шт.

28

R18255

TOOTH

ASS'Y

3шт.

29

NSS

NOT SOLD SEPARAT

SHANK

1шт.

30

74172

TOOTH

1шт.

31

138-207

LOCK PIN,1/2" x 2 1/4", Slotted

PIN, 1/2" x 2 1/4", Slotted

1шт.

32

R21067

ROD

- teeth retaining

1шт.

33

138-180

LOCK PIN,3/8" x 2 1/2", Slotted

PIN, 3/8" x 2 1/2", Slotted

1шт.

34

70885

WEIGHT

- ripper (875 lbs. each)

2шт.

35

R11491

STUD - 1" - 14 NF x 15-1/2" (70885 mounting)

4шт.

36

25-1116

NUT,1"-14, G5

- hex. (1" - 14 NF)

4шт.

37

131-370

LOCK NUT

NUT - lock (1" - 14 NF)

4шт.

Выбрано товаров: 41