Запчасти Case 1000D (336) - TOOLS AND GREASE GUNS (05) - UPPERSTRUCTURE CHASSIS

Схема запчастей Case 1000D - (336) - TOOLS AND GREASE GUNS (05) - UPPERSTRUCTURE CHASSIS
FIT
1:1
100%

Артикул

Название

Примечание

Количество

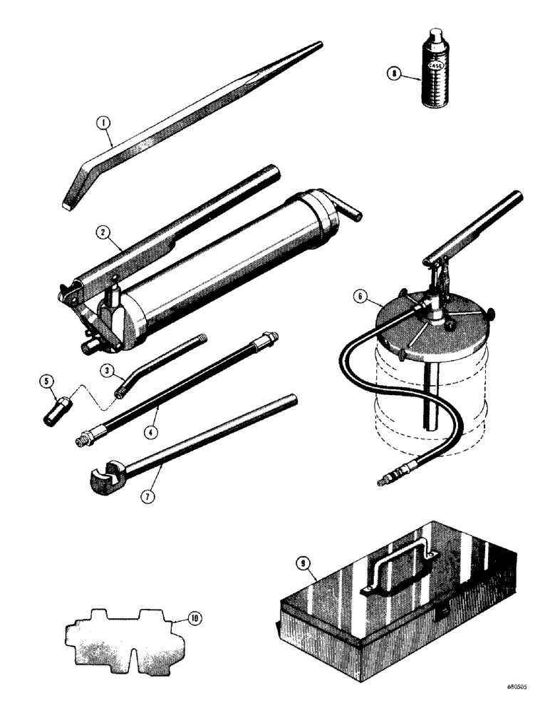
1

13757

CLAMP

BAR - pinch

1шт.

219-101

GUN, GREASE

GREASE GUN - complete (Includes nozzle and extension) Not illustrated

1шт.

D21098

TOOL

GREASE GUN - complete (Use 219-101 grease gun for service)

1шт.

2

D28955

BARREL AND LEVER - grease gun

1шт.

3

D28956

CABLE EXTENSION

EXTENSION - grease gun nozzle

1шт.

4

D28957

HOSE

- grease gun (12" long)

1шт.

5

D28958

COUPLING, QUICK, FEM

COUPLING - hose

1шт.

6

71261

PUMP ASS'Y - lubricant

1шт.

R12163

PUMP

1шт.

R12179

NOZZLE - non drip

1шт.

R12180

HOSE - flex (3 ft. long)

1шт.

R12181

SCREW - thumb (1/2" - 20 NC)

3шт.

R12182

SCREW - thumb (5/16" - 20 NC)

1шт.

R12183

WASHER - plunger packing

1шт.

R12184

COVER

1шт.

R12185

CLAMP

1шт.

7

R21610

TOOL

WRENCH - track bolt

1шт.

8

B17072

START SPRAY FLUID

ETHER CAN - cold starting aid

1шт.

9

73200

1шт.

KIT - tool, crawler service (Includes 1 - 6" Slip Joint Plier, 1 - 5/16" x 4" screw driver, 1 - 1-1/2" ball peen hammer, 1 - set of 7 double open end wrenches (3/8" to 1-1/8"), 1 12" adjustable wrench, 1 -taper punch, 1 - 1/2" cut chisel, 1 -18" jimmy bar, 1 - set of 5 Allen style wrenches (3/8" to 1"), 1 - socket drive adapter (2/8" female x 1/2" male), 1 - 8-1/4" T-flex. Handle (3/8" drive), 1 - 17" sliding T-handle (3/4" drive), 1 - set of 12 point 3/4" drive sockets (1-1/16" to 1-7/8"), 1 - metal tool

1шт.

10

D44716

SPARE PART

GAUGE - wear, track components

1шт.

Выбрано товаров: 21