Запчасти Case 1000D (072) - ELECTRICAL SYSTEM (06) - ELECTRICAL SYSTEMS

Схема запчастей Case 1000D - (072) - ELECTRICAL SYSTEM (06) - ELECTRICAL SYSTEMS
FIT
1:1
100%

Артикул

Название

Примечание

Количество

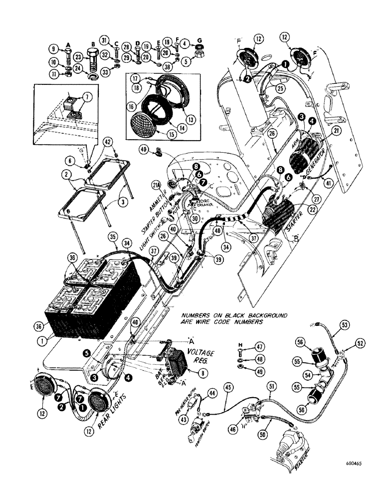
1

R12765

X

BATTERY - dry type

4шт.

2

R13004

CLAMP

HOLDDOWN - battery

4шт.

3

R21737

BOLT

ROD - battery holddown

6шт.

4

195-21

WASHER,5/16"

- plain (11/32" I.D. x 11/16" O.D. x 13/16" thk)

6шт.

5

131-4

LOCK NUT,5/16"-18, GB

NUT - lock (5/16" - 18 NC) ESSNA

6шт.

6

R13800

PLATE - battery holddown (Order 4 - D29453 for service)

2шт.

7

D29453

CLIP

- battery holddown

4шт.

8

R12764

X

REGULATOR - voltage (When stock is exhausted, use D37032 regulator and 1 - D32596 mount for service)

1шт.

9

14-528

BOLT,Hex, 5/16" - 24 x 1-3/4", Gr 5

(R12764 mounting) Hex, 5/16"-24 x 1 3/4", G5

4шт.

10

92-5

LOCK WASHER,5/16"

4шт.

11

25-115

NUT,5/16"-24, G5

- hex (5/16"-24 NF)

4шт.

12

R17308

LAMP

LIGHT ASSEMBLY - head

2шт.

R17309

LAMP

LIGHT ASSEMBLY - tail

2шт.

13

NSS

NOT SOLD SEPARAT

FRAME - light

1шт.

14

R16888

X

RETAINER

1шт.

15

R16790

X

LAMP - 12 volt (When stock is exhausted, use D33182 lamp for service)

1шт.

D33182

LAMP

- 12 volt

1шт.

16

R17305

WIRE

1шт.

17

R17303

WIRE - headlight only

1шт.

18

R17304

WIRE - taillight only

1шт.

19

75-48

SCREW,Rd, 1/4" - 20 x 1/2"

RHMS - 1/4" - 20 NC x 1/2" (R17308 and R17309 mounting)

16шт.

20

193-28

LOCK WASHER,Int Tooth, 1/4"

WASHER - lock (1/4")

16шт.

21

R21373

GENERATOR ASSEMBLY - Delco Remy #1105228 (When stock is exhausted, use R17847 generator for service) See Figure 74 for breakdown

1шт.

R17847

GENERATOR

ASSEMBLY - Delco Remy #1105219 (Service replacement) See Figure 76 for breakdown

1шт.

21a

223-10

FUSE,10 Amp, Type 3AG

- 10 ampere

1шт.

22

R18001

STARTER ASSEMBLY - See Figure 78 for breakdown (Used before tractor serial no. 7104814) When stock is exhausted use D31845 for service

1шт.

D31845

STARTER ASSEMBLY - See Figure 84 for breakdown (Used on tractor serial no. 7104814 and after)

1шт.

23

13-1020

BOLT,Hex, 5/8" - 11 x 1-1/4", Gr 5, Full Thd

(R18001 mounting) Hex, 5/8"-11 x 1 1/4", G5, Full Thd

3шт.

13-1024

BOLT,Hex, 5/8" - 11 x 1-1/2", Gr 5, Full Thd

(D31845 mounting) Hex, 5/8"-11 x 1 1/2", G5, Full Thd

3шт.

24

92-10

LOCK WASHER,5/8"

WASHER, LOCK, 5/8"

3шт.

25

A14515

O-RING,0.139" Thk x 1.859" ID, -225, Cl 5, 75 Duro

SEAL - "O" ring, electrical wiring mounting

2шт.

26

R21378

HARNESS - wiring (Includes 223-10 - 10 ampere fuse)

1шт.

27

R20947

CLIP - terminal

1шт.

28

13-612

BOLT,Hex, 3/8" - 16 x 3/4", Gr 5, Full Thd

(R20947 mounting) Hex, 3/8"-16 x 3/4", G5, Full Thd

1шт.

29

92-6

LOCK WASHER,3/8"

1шт.

30

R19141

BREAKER

- circuit

1шт.

31

174-77

RHMS - #8 - 36 NF x 1/2" (R19141 mounting)

2шт.

32

192-6

LOCK WASHER,#8

WASHER, LOCK, #8

2шт.

33

225-14208

NUT,#8-36

- hex. (#8 - 36 NF)

2шт.

34

R14556

CABLE

- battery, hot (Negative)

1шт.

35

R13793

CABLE

- battery, ground (Positive)

1шт.

36

72176

CABLE

- battery, jumper

3шт.

37

R12586

TAPE

WRAP - battery cable

2шт.

38

25-104

NUT,1/4"-20, G5

8шт.

39

49836

CLAMP

- wiring

4шт.

40

515-23159

CLAMP,5/8", Insul, 3/8" Bolt

- wiring

5шт.

41

74937

WIRE - jumper

1шт.

42

G46096

RETAINER

BUSHING - rubber

6шт.

R4252

PRE-HEATER INSTALLATION - optional (Machinery item)

1шт.

43

A30858

SWITCH

STARTING SWITCH - push button type, pre-heater

1шт.

44

R21498

WIRE - jumper, pre-heater switch to ignition switch

1шт.

45

R16067

WIRE - jumper, pre-heater switch, Serial Range: -solenoid

1шт.

46

R14553

SOLENOID - 24 volt

1шт.

47

14-414

BOLT,Hex, 1/4" - 28 x 7/8", Gr 5, Full Thd

HHCS - 1/4" - 28 NF x 7/8"

2шт.

48

92-4

LOCK WASHER,1/4"

WASHER, LOCK, 1/4"

2шт.

49

25-114

NUT,1/4"-28, G5

- hex. (1/4" - 28 NF)

2шт.

50

R21493

CABLE -, Serial Range: solenoid-starter

1шт.

51

R19419

CABLE - solenoid to heater element

1шт.

52

A34278

HEATER

- 24 volt

1шт.

53

R19417

CABLE

- ground

1шт.

54

R14548

ELBOW - manifold

1шт.

55

214-262

HOSE CLAMP,#44, 2.31" - 3.25", Type F Worm

CLAMP - hose

4шт.

56

NLS

NO LONGER SERVICED

HOSE

2шт.

Выбрано товаров: 63