Запчасти Case 1000D (078) - R18001 STARTER, USED BEFORE TRACTOR SERIAL NO. 7104814 (06) - ELECTRICAL SYSTEMS

Схема запчастей Case 1000D - (078) - R18001 STARTER, USED BEFORE TRACTOR SERIAL NO. 7104814 (06) - ELECTRICAL SYSTEMS
FIT
1:1
100%

Артикул

Название

Примечание

Количество

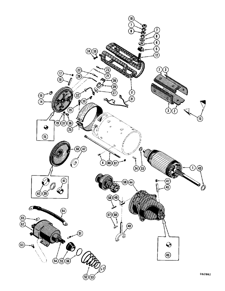
R18001

STARTER ASS'Y - Delco Remy #1113369 (Used before tractor serial no. 7104814) When stock is exhausted use D31845 for service (See Figure 84 for breakdown)

1шт.

1

R15113

ARMATURE

1шт.

2

R15114

SHOE - pole

2шт.

3

R15115

SHOE

- pole

2шт.

4

R15009

SCREW - pole shoe

8шт.

5

R15010

BUSHING

- insulator, terminal stud

1шт.

6

R15011

WASHER

- insulator, terminal stud

1шт.

7

192-111

WASHER,3/8"

- lock, terminal stud

2шт.

8

R15013

WASHER

- plain, terminal stud

1шт.

9

R15014

NUT

- terminal stud (5/32" thick)

1шт.

10

R15015

X

NUT - terminal stud (1/4" thick)

1шт.

11

R15118

COIL ASS'Y - field

1шт.

12

R15119

STUD - terminal

1шт.

13

R15018

X

INSULATION - field coil

2шт.

14

R15125

FRAME - commutator end

1шт.

15

R15020

BUSHING

- commutator end

1шт.

16

R15021

PLUG

- end

1шт.

17

221-1041

PLUG

- pipe

1шт.

18

R15129

WICK

- commutator end

1шт.

19

R15095

PIN - dowel

1шт.

20

R15130

PIN - brush holder hinge

2шт.

21

R15131

PIN - brush holder stop

2шт.

22

R15132

PIN - brush holder hinge and insulator

2шт.

23

R15133

PIN - brush holder stop and insulator

2шт.

24

R15120

PIN - dowel, drive end

1шт.

25

R15121

COVER - band

1шт.

26

R15097

SCREW - band cover

1шт.

27

R15134

BRUSH

4шт.

28

R15135

SPRING

- brush

4шт.

29

R15136

HOLDER - brush

4шт.

30

R15137

SCREW - brush attaching

4шт.

31

R15138

LEAD - brush jumper

1шт.

32

R15906

LEAD - ground

2шт.

33

R15139

WASHER

- space, commutator end

1шт.

34

R18194

SCREW - field lead attaching

2шт.

35

R15033

X

WASHER - lock

2шт.

36

R15907

SCREW - ground lead

2шт.

37

R15908

X

WASHER - lock

2шт.

38

R15140

BEARING - center

1шт.

39

R15142

WICK

- center bearing

1шт.

40

R15143

RETAINER - wick ring

1шт.

41

R15144

BUSHING

- center bearing

1шт.

42

R15145

DISC

WASHER - brake

1шт.

43

R15141

WASHER - space

1шт.

44

R15146

HOUSING - drive

1шт.

45

A25388

BUSHING - drive end

1шт.

46

R15023

WICK

- oil, drive end

1шт.

47

221-1041

PLUG

- pipe, drive end

1шт.

48

R15148

LEVER ASS'Y - shift

1шт.

49

R15149

SHAFT - shift lever

1шт.

50

R15150

PIN - dowel shift lever

1шт.

51

R15151

PIN - shift lever link spring retainer

1шт.

52

R17424

SPRING - shift lever link

1шт.

53

R15153

RETAINER - shift lever link spring

1шт.

54

R15154

LINK - shift lever

1шт.

55

R17422

BOOT - shift lever

1шт.

56

R17423

CLAMP - boot

1шт.

57

R15155

PIN - shift lever

1шт.

58

R15059

PIN - cotter, shift lever pin

1шт.

59

R15156

DRIVE ASSY - motor

1шт.

60

R15157

BOLT - thru

2шт.

61

192-20

LOCK WASHER,Helical Spring, 0.318" ID, CST, ZND

WASHER, LOCK, 5/16"

2шт.

62

R15158

SWITCH - solenoid (See Figure 82 for breakdown)

1шт.

63

R15159

SCREW,Hex, 1/4" - 20 x 3/8", w/ LW

- solenoid mounting

4шт.

64

R15160

CABLE ASS'Y

1шт.

65

R15161

CONNECTOR, ELEC

CONNECTOR

1шт.

Выбрано товаров: 66