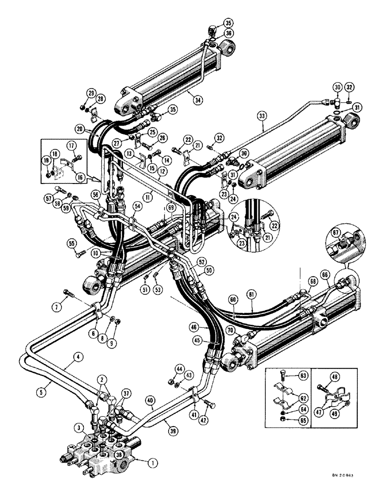
Запчасти Case 1000D (230) - LOADER HYDRAULICS, USED ON TRACTOR SERIAL NO. 7104771 & AFTER (07) - HYDRAULIC SYSTEM

Схема запчастей Case 1000D - (230) - LOADER HYDRAULICS, USED ON TRACTOR SERIAL NO. 7104771 & AFTER (07) - HYDRAULIC SYSTEM
FIT
1:1
100%

Артикул

Название

Примечание

Количество

1

REF

INSTRUCTION

VALVE - hydraulic, equipment control

1шт.

2

D31682

ELBOW - 90 degree adjustable

2шт.

3

218-5010

O-RING,0.116" Thk x 1.171" ID, -916, Cl 6, 90 Duro

SEAL - "O" ring

1шт.

4

D30859

TUBE

- valve to dump cylinder manifold, front port

1шт.

5

D30860

TUBE - valve to dump cylinder manifold, rear port

1шт.

6

R15257

CLAMP

- tube

1шт.

7

14-532

BOLT,Hex, 5/16" - 24 x 2", Gr 5

HHCS - 5/16" - 24 NF x 2" (R15257 mounting)

1шт.

8

92-5

LOCK WASHER,5/16"

1шт.

9

25-115

NUT,5/16"-24, G5

- hex (5/16"-24 NF)

1шт.

10

D30848

FLEXIBLE HOSE

HOSE - valve to dump cylinder manifold (11-1/2" long)

2шт.

11

D30858

MANIFOLD - dump cylinder, front port

1шт.

12

D30856

MANIFOLD - dump cylinder, rear port

1шт.

13

D20045

PLATE ASSY.

CLAMP - tube

2шт.

14

13-528

BOLT,Hex, 5/16" - 18 x 1-3/4", Gr 5

HHCS - 5/16" - 18 NC x 1-3/4" (D20045 mounting)

2шт.

15

92-5

LOCK WASHER,5/16"

2шт.

16

D20045

PLATE ASSY.

CLAMP - tube

2шт.

17

13-528

BOLT,Hex, 5/16" - 18 x 1-3/4", Gr 5

HHCS - 5/16" - 18 NC x 1-3/4" (D20045 mounting)

2шт.

18

92-5

LOCK WASHER,5/16"

2шт.

19

9635082

NUT,5/16" - 18, Gr 5

- hex. (5/16" - 18 NC)

2шт.

20

D30850

HOSE ASSY.

HOSE - dump cylinder manifold to dump cylinder (43" long)

4шт.

21

R15257

CLAMP

- tube

8шт.

22

13-528

BOLT,Hex, 5/16" - 18 x 1-3/4", Gr 5

HHCS - 5/16" - 18 NC x 1-3/4" (R15257 mounting)

4шт.

23

92-5

LOCK WASHER,5/16"

4шт.

24

9635082

NUT,5/16" - 18, Gr 5

- hex. (5/16" - 18 NC)

4шт.

25

R15257

CLAMP

- tube

4шт.

26

13-528

BOLT,Hex, 5/16" - 18 x 1-3/4", Gr 5

HHCS - 5/16" - 18 NC x 1-3/4" (R15257 mounting)

2шт.

27

D30863

TUBE

SPACER - clamp

2шт.

28

92-5

LOCK WASHER,5/16"

2шт.

29

9635082

NUT,5/16" - 18, Gr 5

- hex. (5/16" - 18 NC)

2шт.

30

R19713

FITTING

ELBOW - 90 degree adjustable, special (R.H. dump cylinder)

2шт.

31

218-5008

O-RING,0.116" Thk x 0.924" ID, -912, Cl 6, 90 Duro

SEAL - "O" ring

1шт.

32

221-11

PLUG,Sq Hd, 1/8"-27

- pipe, square head (1/8" NPT)

2шт.

33

R19734

TUBE - dump cylinder manifold to R.H. dump cylinder, front port

1шт.

34

R19748

TUBE - dump cylinder manifold to L.H. dump cylinder, rear port

1шт.

35

218-5108

ELBOW,90 Degree Elbow, 1-1/16" - 12 Male JIC x 1-1/16" - 12 Male ORB

90º, adjustable (3/4" JIC x 3/4" JIC)

2шт.

36

218-5008

O-RING,0.116" Thk x 0.924" ID, -912, Cl 6, 90 Duro

SEAL - "O" ring

1шт.

37

218-5110

ELBOW,90 Degree Elbow, 1-5/16" - 12 Male JIC x 1-5/16" - 12 Male ORB

adjustable (1" JIC x 1" JIC) 90º, 1 5/16"-12, 37º x 1 5/16"-12, O-Ring

2шт.

38

218-5010

O-RING,0.116" Thk x 1.171" ID, -916, Cl 6, 90 Duro

SEAL - "O" ring

1шт.

39

D31669

TUBE - valve to lift cylinder manifold, front port

1шт.

40

D31668

TUBE - valve to lift cylinder manifold, rear port

1шт.

41

R15257

CLAMP

- tube

2шт.

42

14-532

BOLT,Hex, 5/16" - 24 x 2", Gr 5

HHCS - 5/16" - 24 NF x 2" (R15257 mounting)

1шт.

43

92-5

LOCK WASHER,5/16"

1шт.

44

25-115

NUT,5/16"-24, G5

- hex (5/16"-24 NF)

1шт.

45

R21320

HOSE - valve to lift cylinder manifold, front port (30-1/2" long)

1шт.

46

R21321

HOSE

- valve lift cylinder manifold, rear port (33-1/2" long)

1шт.

47

R15257

CLAMP

- hose

2шт.

48

14-524

BOLT,Hex, 5/16" - 24 x 1-1/2", Gr 5

HHCS - 5/16" - 24 NF x 1-1/2" (R15257 mounting)

1шт.

49

92-5

LOCK WASHER,5/16"

1шт.

50

D30571

MANIFOLD

- lift cylinder, front port

1шт.

51

221-11

PLUG,Sq Hd, 1/8"-27

- pipe, square head (1/8" NPT)

1шт.

52

D29799

MANIFOLD - lift cylinder, rear port

1шт.

53

221-11

PLUG,Sq Hd, 1/8"-27

- pipe, square head (1/8" NPT)

1шт.

54

R16916

CLAMP - tube

2шт.

55

14-532

BOLT,Hex, 5/16" - 24 x 2", Gr 5

HHCS - 5/16" - 24 NF x 2" (R16916 mounting)

1шт.

56

R15257

CLAMP

- tube

4шт.

57

14-532

BOLT,Hex, 5/16" - 24 x 2", Gr 5

HHCS - 5/16" - 24 NF x 2" (R15257 mounting)

2шт.

58

92-5

LOCK WASHER,5/16"

2шт.

59

25-115

NUT,5/16"-24, G5

- hex (5/16"-24 NF)

2шт.

60

D31336

HOSE

- lift cylinder manifold to lift cylinder, front port (40-1/2" long)

2шт.

61

NLS

NO LONGER SERVICED

- lift cylinder manifold to lift cylinder, rear port (38" long)

2шт.

62

R16916

CLAMP - hose

4шт.

63

14-532

BOLT,Hex, 5/16" - 24 x 2", Gr 5

HHCS - 5/16" - 24 NF x 2" (R16916 mounting)

2шт.

64

92-5

LOCK WASHER,5/16"

2шт.

65

25-115

NUT,5/16"-24, G5

- hex (5/16"-24 NF)

2шт.

66

R13566

TUBE

- lift cylinder manifold to lift cylinder, front port

2шт.

67

218-446

HYD CONNECTOR,1-1/16" - 12 Male JIC x 3/4" - 14 Male NPTF

ADAPTER - straight male (3/4" NPT x 3/4" JIC)

2шт.

68

R19712

TUBE - lift cylinder manifold to R.H. lift cylinder, rear port

1шт.

69

R19710

TUBE - lift cylinder manifold to L.H. lift cylinder, rear port

1шт.

70

218-486

ELBOW,90 Degree Elbow, 1-1/16" - 12 Male JIC x 3/4" - 14 Male NPTF

- 90 degree male (3/4" NPT x 3/4" JIC)

2шт.

Выбрано товаров: 70