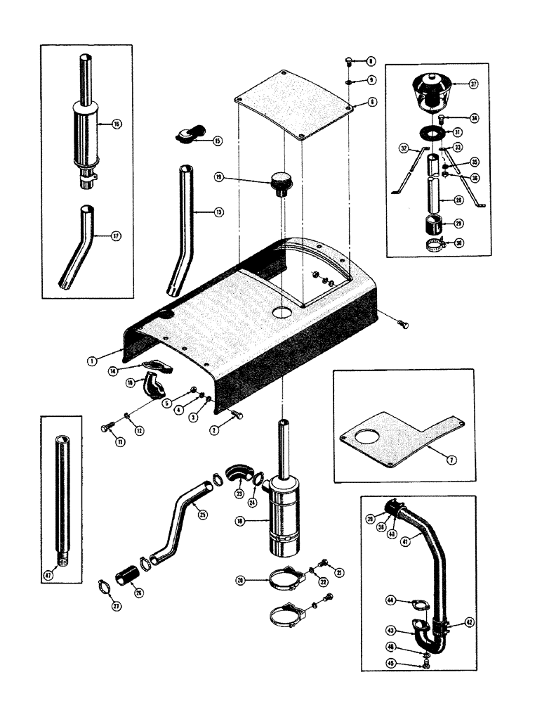
Запчасти Case 520 (056) - HOOD, EXHAUST SYSTEM, AND AIR CLEANER (05) - UPPERSTRUCTURE CHASSIS

Схема запчастей Case 520 - (056) - HOOD, EXHAUST SYSTEM, AND AIR CLEANER (05) - UPPERSTRUCTURE CHASSIS
FIT
1:1
100%

Артикул

Название

Примечание

Количество

1

37411

HOOD - engine (Gas model only)

1шт.

37410

HOOD - engine (Diesel model only)

1шт.

2

14-612

BOLT,Hex, 3/8" - 24 x 3/4", Gr 5, Full Thd

10шт.

3

95-6

WASHER,3/8"

- plain (3/8)

10шт.

4

92-6

LOCK WASHER,3/8"

WASHER, LOCK, 3/8"

10шт.

5

25-116

NUT,Hex, 3/8"-24, G5

- hex. (3/8 - 24NF)

10шт.

6

30766

LID

COVER - access (Standard)

1шт.

7

34963

COVER - access (Loader only)

1шт.

8

14-48

BOLT,Hex, 1/4" - 28 x 1/2", Gr 5

4шт.

9

92-4

LOCK WASHER,1/4"

WASHER, LOCK, 1/4"

4шт.

10

33311

ELBOW - exhaust (Gas model only)

1шт.

11

413-632

BOLT,Hex, 3/8" - 16 x 2", Gr 5

- 3/8-16 NC x 2

2шт.

12

92-6

LOCK WASHER,3/8"

WASHER, LOCK, 3/8"

2шт.

13

33310

PIPE - exhaust (Gas model only)

1шт.

14

31758

CLAMP - exhaust pipe (Gas model only)

1шт.

15

D28028

CAP

CAP - rain, exhaust

1шт.

16

39148

MUFFLER - (Optional equipment)

1шт.

Part number D20530 exhaust pipe is also required when installing a muffler on diesel crawlers.

1шт.

17

39147

PIPE - exhaust elbow to muffler (Optional equipment) (Gas model only)

1шт.

18

34346

CLEANER - air

1шт.

19

34386

CONNECTING LINK

CAP - air cleaner inlet

1шт.

20

34347

BAND

BRACKET - band, air cleaner

2шт.

21

14-58

BOLT,Hex, 5/16" - 24 x 1/2", Gr 5, Full Thd

HHCS - 5/16 - 24NF x 1/2

4шт.

22

92-5

LOCK WASHER,5/16"

WASHER, LOCK, 5/16"

4шт.

23

33315

BOLT

ELBOW - hose, air cleaner to carburetor (Gas model only)

1шт.

24

G10807

CLAMP

- hose

2шт.

25

33314

SUPPORT

TUBE - air cleaner to carburetor (Gas model only)

1шт.

26

32530

LOCTITE

HOSE - air, Serial Range: cleaner-carburetor

1шт.

27

G10807

CLAMP

- hose

2шт.

D10215

KIT - air cleaner extension (24") (Includes Ref. 28 thru 37) (Optional)

1шт.

28

D20603

PIPE - extension, air cleaner, 24"

1шт.

D10216

KIT - air cleaner extension (48") (Includes Ref. 28 thru 37) (Optional)

1шт.

28

D20599

PIPE - extension, air cleaner, 48"

1шт.

29

32530

LOCTITE

HOSE - air cleaner to extension pipe

1шт.

30

G10807

CLAMP

-hose

2шт.

31

D20598

RING - support, extension pipe to braces

1шт.

32

D20600

BRACE - extension pipe, RH front

1шт.

33

D20601

BRACE - extension pipe, LH front and rear

2шт.

34

14-412

BOLT,Hex, 1/4" - 28 x 3/4", Gr 5, Full Thd

HHCS - 1/4 - 28NF x 3/4

3шт.

35

92-4

LOCK WASHER,1/4"

WASHER, LOCK, 1/4"

3шт.

36

25-114

NUT,1/4"-28, G5

- hex. (1/4 - 28NF)

3шт.

37

D20604

PRECLEANER

- air (Optional)

1шт.

38

32530

LOCTITE

HOSE - air, Serial Range: cleaner-tube

1шт.

39

G10807

CLAMP

- hose

1шт.

40

G10807

CLAMP

- hose (Diesel model only)

3шт.

41

38058

TUBE - air cleaner to air inlet elbow (Diesel model only)

1шт.

42

31168

HOSE - tube to air inlet elbow (Diesel model only)

1шт.

43

38060

ELBOW - air inlet (Diesel model only)

1шт.

44

30160

GASKET

GASKET - air inlet elbow (Diesel model only)

1шт.

45

13-516

BOLT,Hex, 5/16" - 18 x 1", Gr 5

2шт.

46

92-5

LOCK WASHER,5/16"

WASHER, LOCK, 5/16"

2шт.

47

30941

SCREW

PIPE - exhaust (Diesel model only)

1шт.

D20530

PIPE - exhaust, manifold to muffler (Optional equipment) (Diesel model only) (Not shown)

1шт.

Part number D20530 exhaust pipe is also required when installing a muffler on diesel crawlers.

1шт.

Выбрано товаров: 54