Запчасти Case 520 (126) - MECHANICAL CROWNING DOZER (05) - UPPERSTRUCTURE CHASSIS

Схема запчастей Case 520 - (126) - MECHANICAL CROWNING DOZER (05) - UPPERSTRUCTURE CHASSIS
FIT
1:1
100%

Артикул

Название

Примечание

Количество

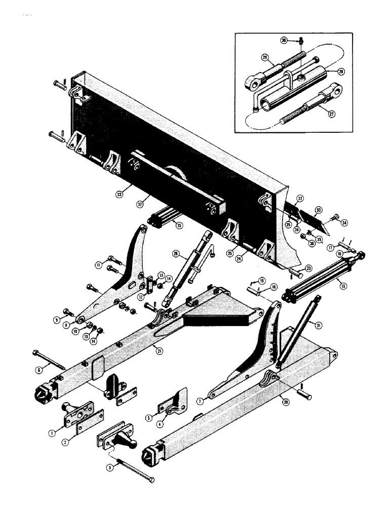
1

37775

BAR

TRUNNION - push

2шт.

2

34043

SPACER,12.95mm ID x 19.05mm OD x 17.47mm L

- push trunnion

2шт.

3

16-12192

BOLT (MACHINE)

HHCS - 3/4 - 16NF x 12

4шт.

4

37992

PLATE - rub, push beam

2шт.

5

34047

LEVER

SPACER - rub plate

2шт.

6

16-12192

BOLT (MACHINE)

HHCS - 3/4 - 16NF x 12

4шт.

7

16692

BRACKET - cylinder, RH

1шт.

8

16693

CLAMP

BRACKET - cylinder, LH

1шт.

9

14-1032

BOLT,Hex, 5/8" - 18 x 2", Gr 5

6шт.

10

32799

SPACER

4шт.

11

14-1040

BOLT,Hex, 5/8" - 18 x 2-1/2", Gr 5

HHCS - 5/8 - 18NF x 2-1/2

4шт.

12

17803

PLATE - reinforcing

2шт.

13

92-10

LOCK WASHER,5/8"

WASHER, LOCK, 5/8"

8шт.

14

25-1110

NUT,5/8"-18, G5

- hex. (5/8 - 18NF)

8шт.

15

17751

CYLINDER - hydraulic lift (See figure 124 for breakdown)

2шт.

16

17631

BUSHING

2шт.

17

18743

PIN - mounting, lower

2шт.

18

16726

PIN - mounting, upper

2шт.

19

132-154

COTTER PIN,1/4" x 2"

Pin, Split (Cotter), 1/4" x 2"

8шт.

20

37881

CONDUIT

BEAM - push, RH

1шт.

21

37882

TUBE

BEAM - push, LH

1шт.

22

37927

MOLDBOARD - dozer

1шт.

23

70382

X

PIN - push beam to moldboard, outer

2шт.

24

37990

PIN- push beam, RH and LH

6шт.

25

138-178

LOCK PIN,3/8" x 2 1/4", Slotted

PIN, 3/8" x 2 1/4", Slotted

8шт.

26

38884

STRUT - LH push, Serial Range: beam-moldboard

1шт.

27

39040

CONNECTING ROD

SCREW ASB'Y. - strut, top

1шт.

28

38063

TURNBUCKLE

1шт.

29

39041

SCREW ASB'Y. - strut, bottom

1шт.

30

219-1

LUBE NIPPLE,1/8" - 27 NPTF

FITTING - straight grease, 1/8 NPT (Lincoln #5000)

1шт.

31

37896

SUPPORT

STRUT - RH push, Serial Range: beam-moldboard

1шт.

32

NLS

NO LONGER SERVICED

BLADE - cutting, center

1шт.

33

NLS

NO LONGER SERVICED

BLADE - cutting, end

2шт.

34

19-828

BOLT,1/2"-13 x 1 3/4", G5

- plow, 1/2 - 13NC x 1-3/4

19шт.

35

92-8

LOCK WASHER,1/2"

19шт.

36

25-108

NUT,1/2"-13, G5

- hex. (1/2 - 13NC)

19шт.

37

219-55

LUBE NIPPLE,90 Degree Elbow, 1/8" - 27 NPTF

NIPPLE, LUBE, (Lincoln #5400) 90º, 1/8" NPT x .84" lg

1шт.

Выбрано товаров: 37