Запчасти Case 520 (130) - HYDRAULICS, BULLDOZER AND MECHANICAL ANGLING DOZER, VALVE AND LEVERS (07) - HYDRAULIC SYSTEM

Схема запчастей Case 520 - (130) - HYDRAULICS, BULLDOZER AND MECHANICAL ANGLING DOZER, VALVE AND LEVERS (07) - HYDRAULIC SYSTEM
FIT
1:1
100%

Артикул

Название

Примечание

Количество

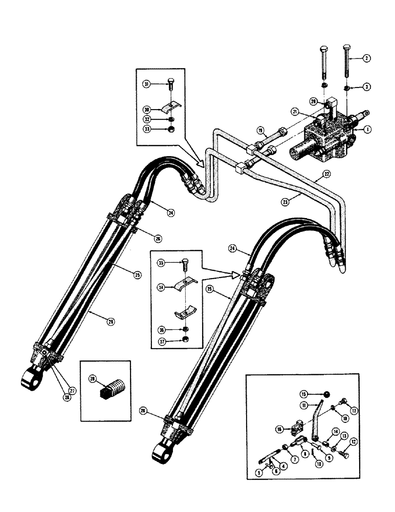
1

16130

TUBE

VALVE - hydraulic control (See figure 104 for breakdown)

1шт.

2

14-864

CAPSCREW,Hex, 1/2" - 20 x 4", Gr 5

HHCS - 1/2 - 20NF x 4

2шт.

3

92-8

LOCK WASHER,1/2"

2шт.

4

32361

SNAP RING

LINK - valve control

1шт.

5

141-2

CLEVIS PIN,1/4" x .770"

PIN - yoke (1/4)

1шт.

6

132-7

COTTER PIN,1/16" x 3/4"

Pin, Split (Cotter), 1/16" x 3/4"

1шт.

7

25-116

NUT,Hex, 3/8"-24, G5

- hex. (3/8 - 24NF)

1шт.

8

213-4

ADJUSTABLE CLEVIS,3/8"-24 x 2 1/2"

YOKE - end

2шт.

9

141-4

CLEVIS PIN,3/8" x 1.060"

PIN, CLEVIS, 3/8" x 1.060"

1шт.

10

132-26

COTTER PIN

Pin, Split (Cotter), 3/32" x 3/4"

1шт.

11

38865

LEVER - control valve

1шт.

12

14-828

BOLT,Hex, 1/2" - 20 x 1-3/4", Gr 5

HHCS - 1/2 - 20NF x 1-3/4

1шт.

13

195-33

WASHER,1/2"

- plain (1/2)

1шт.

14

32362

WASHER

1шт.

15

CAS31375

KNOB

BALL - control valve lever

1шт.

16

32322

BRACKET - mounting, valve lever

1шт.

17

14-612

BOLT,Hex, 3/8" - 24 x 3/4", Gr 5, Full Thd

2шт.

18

92-6

LOCK WASHER,3/8"

WASHER, LOCK, 3/8"

2шт.

19

38844

TUBE - rear valve port to rear manifold tube, also front valve port to front manifold tube, lift cylinder hydraulics .625" OD, 3.75" Length

2шт.

20

218-498

ELBOW - 90 degree male, extra long, 1/2 NPT x 5/8 JIC, lift cylinder hydraulics 90º, 7/8"-14, 37º x 1/2"-14, NPTF, XLG

1шт.

21

218-485

ELBOW,90 Degree Elbow, 7/8" - 14 Male JIC x 1/2" - 14 Male NPTF

- 90 degree male, 1/2 NPT x 5/8 JIC, lift cylinder hydraulics

1шт.

22

39064

TUBE - manifold, rear, lift cylinder hydraulics

1шт.

23

39061

TUBE - manifold, front, lift cylinder hydraulics

1шт.

24

19209

HOSE ASSY.

HOSE - manifold tube to lift cylinder,lift cylinder hydraulics

4шт.

25

38849

BOLT,Hex, M6 x 80mm, Cl 8.8

TUBE - front manifold tube to lift cylinder (Front section), lift cylinder hydraulics

2шт.

26

218-485

ELBOW,90 Degree Elbow, 7/8" - 14 Male JIC x 1/2" - 14 Male NPTF

- 90 degree male, 1/2 NPT x 5/8 JIC, lift cylinder hydraulics

3шт.

27

33888

TEE - special, 1/8 NPT x 1/2 NPT x 5/8 JIC, lift cylinder hydraulics

1шт.

28

221-1

DRAIN PLUG,Sq Hd, 1/8"-27 NPTF

PLUG - pipe, ext. sq. hd., 1/8 NPT, lift cylinder hydraulics

1шт.

29

17751

CYLINDER - hydraulic lift (See figure 124 (1) for breakdown), lift cylinder hydraulics

2шт.

30

38331

PLATE

- tube clamp, lift cylinder hydraulics

2шт.

31

14-524

BOLT,Hex, 5/16" - 24 x 1-1/2", Gr 5

HHCS - 5/16 - 24NF x 1-1/2, lift cylinder hydraulics

2шт.

32

92-5

LOCK WASHER,5/16"

WASHER, LOCK, , lift cylinder hydraulics 5/16"

2шт.

33

25-115

NUT,5/16"-24, G5

- hex (5/16"-24 NF), lift cylinder hydraulics

2шт.

34

31665

COLLAR CLAMP

PLATE - tube clamp, lift cylinder hydraulics

4шт.

35

14-528

BOLT,Hex, 5/16" - 24 x 1-3/4", Gr 5

HHCS - 1/2 - 20NF x 1-3/4, lift cylinder hydraulics

2шт.

36

92-5

LOCK WASHER,5/16"

WASHER, LOCK, , lift cylinder hydraulics 5/16"

2шт.

37

25-115

NUT,5/16"-24, G5

- hex (5/16 - 20NF), lift cylinder hydraulics

2шт.

Выбрано товаров: 37