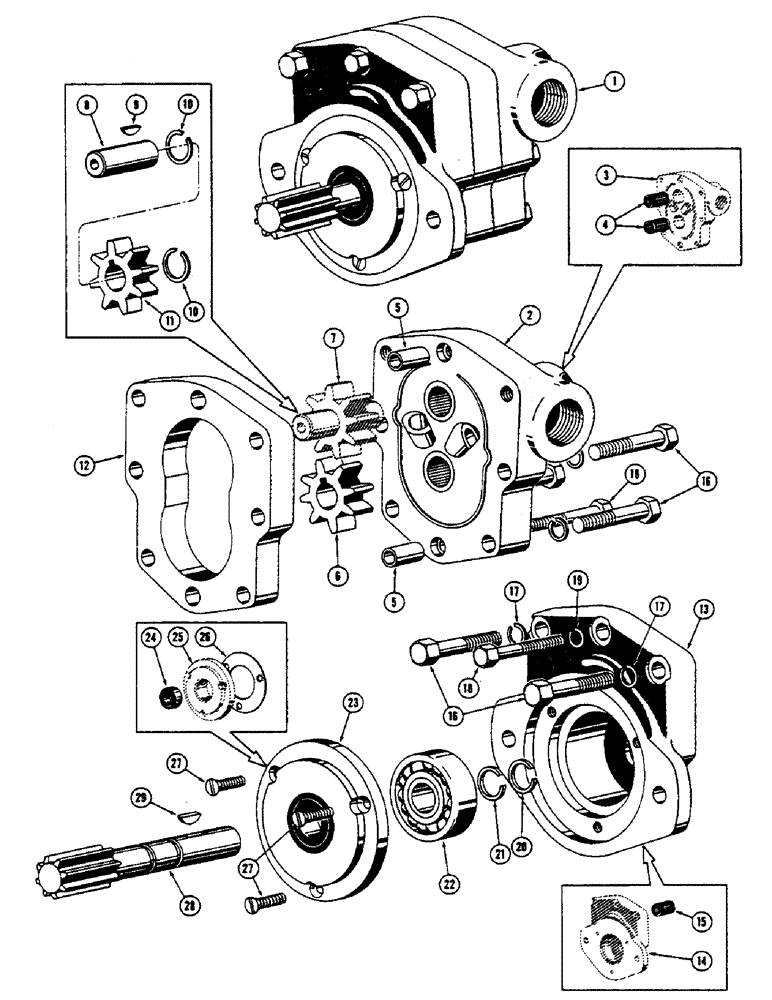
Запчасти Case 600 (300) - HYDRAULIC PUMP ASSEMBLY, BODY, COVERS, BEARINGS, GEARS, SEALS (07) - HYDRAULIC SYSTEM

Схема запчастей Case 600 - (300) - HYDRAULIC PUMP ASSEMBLY, BODY, COVERS, BEARINGS, GEARS, SEALS (07) - HYDRAULIC SYSTEM
FIT
1:1
100%

Артикул

Название

Примечание

Количество

1

31615

CAP

PUMP ASS'Y. - hydraulic

1шт.

2

35695

PLATE

COVER ASS'Y. - pump

1шт.

3

NSS

NOT SOLD SEPARAT

COVER - pump

1шт.

4

14228

NEEDLE BEARING,Needle, 19.05mm ID x 25.4mm OD x 19.05mm W

BEARING - needle

2шт.

5

NLS

NO LONGER SERVICED

PIN - dowel

2шт.

6

14257

GEAR-SET

GEAR - drive

1шт.

7

NSS

NOT SOLD SEPARAT

GEAR & SHAFT ASS'Y. - idler

1шт.

8

34451

SHAFT - idler

1шт.

9

34455

HOOK

KEY - Woodruff

1шт.

10

14217

RING

- retaining

2шт.

11

34453

HEATER PLUG

IDLER

1шт.

12

34452

PLATE - gear

1шт.

13

1969215C1

BUSHING,51.2mm ID x 55.3mm OD x 62mm L

BODY ASS'Y. - pump

1шт.

14

NSS

NOT SOLD SEPARAT

BODY - pump

1шт.

15

14228

NEEDLE BEARING,Needle, 19.05mm ID x 25.4mm OD x 19.05mm W

BEARING - needle

1шт.

16

14202

HHCS Hex, 1/2"-13 x 3 1/4", G5

6шт.

17

14203

SCREW

WASHER - lock

6шт.

18

87845

BOLT,Hex, 1/4" - 20 x 2 1/2", Gr 5

2шт.

19

92-4

LOCK WASHER,1/4"

2шт.

20

34456

X

RING - retaining

1шт.

21

34456

X

RING - retaining

1шт.

22

MT2041S

BEARING

- ball

1шт.

23

35737

LEVER

PLATE ASS'Y. - pilot

1шт.

24

34449

OIL SEAL

SEAL - oil

1шт.

25

NSS

NOT SOLD SEPARAT

PLATE - pilot

1шт.

26

14221

GASKET

- pilot plate

1шт.

27

34447

X

SCREW - flat head machine

3шт.

28

34445

SHIELD

- pump drive

1шт.

29

126-114

WOODRUFF KEY,#7, 1/8" x 3/4", HT

1шт.

Выбрано товаров: 29