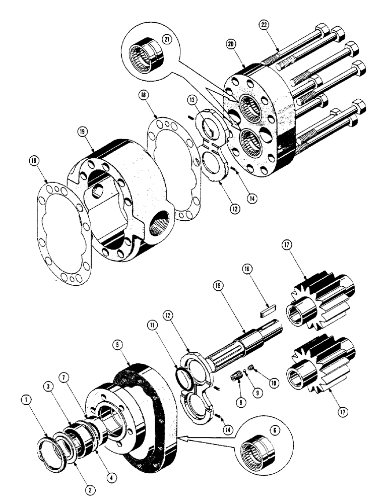
Запчасти Case 600 (302) - HYDRAULIC PUMP ASSEMBLY, BODY, COVERS, GEARS, SHAFTS, BEARINGS, SEALS (07) - HYDRAULIC SYSTEM

Схема запчастей Case 600 - (302) - HYDRAULIC PUMP ASSEMBLY, BODY, COVERS, GEARS, SHAFTS, BEARINGS, SEALS (07) - HYDRAULIC SYSTEM
FIT
1:1
100%

Артикул

Название

Примечание

Количество

74838

PUMP ASS'Y. - hydraulic

1шт.

1

71466

SNAP RING,#206, 2.190", Int, Spiral

RING - retaining

1шт.

2

71429

BEARING COVER

SHIELD - ball bearing

1шт.

3

NLS

NO LONGER SERVICED

BEARING - ball

1шт.

4

72730

SPACER

- bearing

1шт.

73199

COVER ASS'Y. - front

1шт.

5

NSS

NOT SOLD SEPARAT

COVER - front

1шт.

6

71435

BEARING

- roller

2шт.

7

72731

SEAL

- oil

1шт.

8

71430

TOOL

SEAT - check valve

2шт.

9

O8635AB

X

BALL - check

2шт.

10

71432

TOOL

RETAINER - check ball

2шт.

11

71427

HYD CONNECTOR

SEAL - "O" ring

1шт.

12

71442

LARGE PLATE

PLATE - thrust

2шт.

13

71440

X

SEAL - pocket

2шт.

14

71441

SEAL - pocket

8шт.

15

R12838

X

SHAFT - drive

1шт.

16

72737

KEY - gear

1шт.

17

5464

GEAR

KIT - gear

1шт.

NSS

NOT SOLD SEPARAT

GEAR - drive

1шт.

NSS

NOT SOLD SEPARAT

GEAR - driven

1шт.

18

71443

TUBE

- pump

2шт.

19

71439

HOUSING - gear

1шт.

20

NSS

NOT SOLD SEPARAT

COVER ASS'Y. - rear

1шт.

71434

COVER - rear

1шт.

21

71435

BEARING

- roller

2шт.

22

NLS

NO LONGER SERVICED

HHCS 1/2-13 NC x 4 1/4

10шт.

Выбрано товаров: 27