Запчасти Case 600 (304) - HYDRAULIC PUMP ASSEMBLY, BODY, COVERS, GEARS, SHAFTS, BEARINGS, SEALS (07) - HYDRAULIC SYSTEM

Схема запчастей Case 600 - (304) - HYDRAULIC PUMP ASSEMBLY, BODY, COVERS, GEARS, SHAFTS, BEARINGS, SEALS (07) - HYDRAULIC SYSTEM
FIT
1:1
100%

Артикул

Название

Примечание

Количество

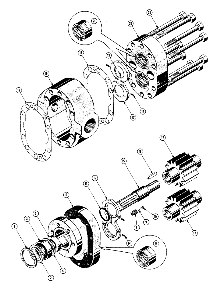
R13331

PUMP ASS'Y - hydraulic

1шт.

1

71466

SNAP RING,#206, 2.190", Int, Spiral

RING - retaining

1шт.

2

R13677

SHIELD

- ball bearing

1шт.

3

R13676

BALL BEARING

BEARING - ball

1шт.

4

R13678

SPACER - bearing

1шт.

5

R13681

COVER ASS'Y - front

1шт.

NSS

NOT SOLD SEPARAT

COVER - front

1шт.

6

71435

BEARING

- roller

2шт.

7

NLS

NO LONGER SERVICED

- oil

1шт.

8

71430

TOOL

SEAT - check valve

2шт.

9

A7456

X

BALL - check

2шт.

10

71432

TOOL

RETAINER - check ball

2шт.

11

238-5217

O-RING,0.139" Thk x 1.17" ID, -217, Cl 5, 75 Duro

SEAL - "O" ring

2шт.

12

71442

LARGE PLATE

PLATE - thrust

2шт.

13

71440

X

SEAL - pocket

2шт.

14

NLS

NO LONGER SERVICED

SEAL - pocket

8шт.

15

39760

SPROCKET

SHAFT - pump

1шт.

16

72737

KEY - gear

1шт.

17

5464

GEAR

KIT - gear

1шт.

NSS

NOT SOLD SEPARAT

GEAR - pump drive

1шт.

NSS

NOT SOLD SEPARAT

GEAR - pump driven

1шт.

18

NLS

NO LONGER SERVICED

- pump

2шт.

19

R13680

HOUSING - gear

1шт.

20

71434

COVER ASS'Y - rear

1шт.

NSS

NOT SOLD SEPARAT

COVER - rear

1шт.

21

BEARING - roller

2шт.

22

39750

HHCS - 1/2-13 NC x 4-1/4

10шт.

Выбрано товаров: 27