Запчасти Case 600 (040) - ENGINE ACCESSORIES, MANIFOLD, MUFFLER, AIR CLEANER (01) - ENGINE

Схема запчастей Case 600 - (040) - ENGINE ACCESSORIES, MANIFOLD, MUFFLER, AIR CLEANER (01) - ENGINE
FIT
1:1
100%

Артикул

Название

Примечание

Количество

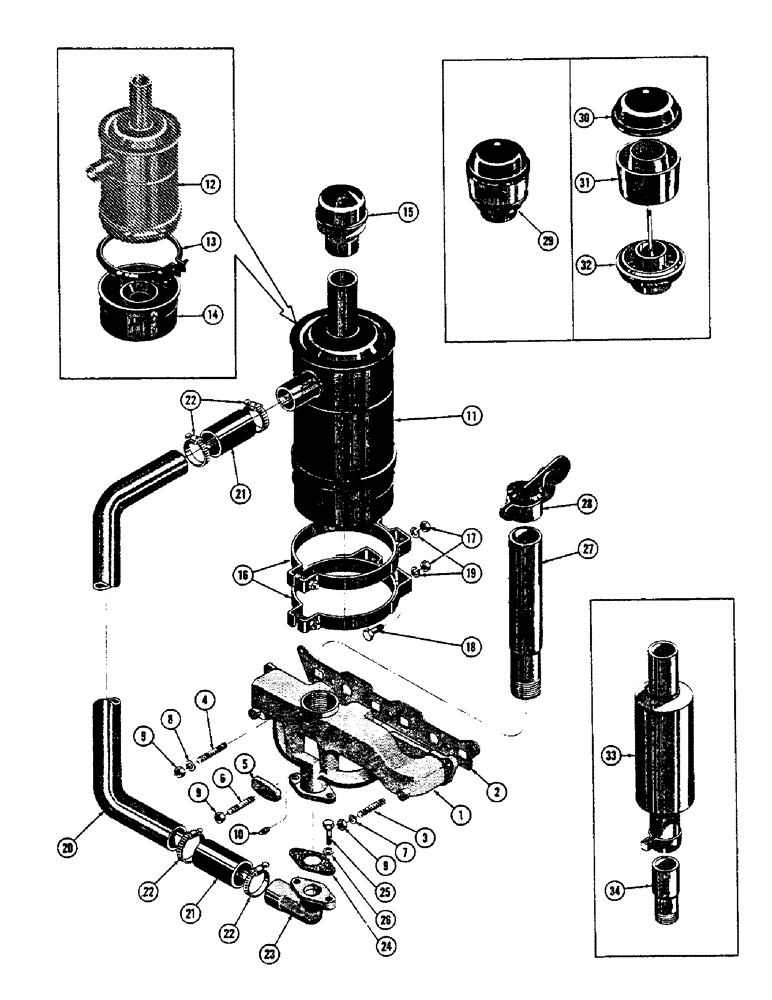
1

33839

SPARE PART MANIFOLD - exhaust & intake (Used up to S/N 12-3-56)

1шт.

17397

MANIFOLD - exhaust & intake (Used from S/N 12-3-56)

1шт.

2

NLS

NO LONGER SERVICED

Manifold

2шт.

3

REF

INSTRUCTION

STUD 7/16-14 NC x 2 (17397 mt'g. to cyl. hd.) (See Figure #18 ref. #13)

4шт.

4

REF

INSTRUCTION

STUD 7/16-14 NC x 1 5/8 (17397 mt'g. to cyl. hd., ends & center) (See Figure #18 ref. #14)

3шт.

5

30110

DECAL

CRAB - manifold

2шт.

6

REF

INSTRUCTION

STUD 7/16-14 NC x 2 1/8 (17397 mt'g. to cyl. hd. thru crabs) (See Figure #18 ref. #12)

2шт.

7

10733

WASHER - plain, manifold to cyl. hd.

4шт.

8

10752

PIPE FITTING

WASHER - plain, manifold to cyl. hd., ends & center

3шт.

9

10719

NUT - hex (7/16-14 NC)

9шт.

10

221-11

PLUG,Sq Hd, 1/8"-27

Pipe, exhaust & intake manifold riser (41820)

1шт.

11

32399

SPARE PART CLEANER ASSY - air

1шт.

12

NSS

NOT SOLD SEPARAT

BODY ASSY - air cleaner

1шт.

13

A8297

CLAMP

ASSY - oil cup retaining

1шт.

14

32545

SEAL

CUP ASSY - oil

1шт.

15

10194

KNOB

CAP - air cleaner inlet

1шт.

16

32685

GLASS

BAND - mt'g.

2шт.

17

9635082

NUT,5/16" - 18, Gr 5

Reg. SF hex, (32685 mt'g.) (Used up to S/N 7060799) (47801)

4шт.

18

14-510

SCREW,Hex, 5/16" - 24 x 5/8", Gr 5, Full Thd

(32685 mt'g.) (Used from S/N 7060799)

4шт.

19

92-5

LOCK WASHER,5/16"

(32685 mt'g.) (48445)

4шт.

20

33341

LOCK VALVE

TUBE - air cleaner

1шт.

21

32530

LOCTITE

HOSE - air cleaner tube

2шт.

22

214-1444

HOSE CLAMP,58.6mm - 82.5mm

CLAMP - hose

4шт.

23

33343

SPARE PART ELBOW - air inlet (Used up to S/N 10-11-57)

1шт.

39255

SPARE PART ELBOW - air inlet (Used from S/N 10-11-57)

1шт.

24

33724

X

GASKET - (Used up to S/N 10-11-57)

1шт.

39256

GASKET

(Used from S/N 10-11-57)

1шт.

25

13-616

BOLT,Hex, 3/8" - 16 x 1", Gr 5, Full Thd

(33343 or 39255 mt'g.) (45056)

2шт.

26

92-6

LOCK WASHER,3/8"

(48446)

2шт.

27

30941

SCREW

PIPE ASSY - exhaust

1шт.

28

10944

HOSE

CAP ASSY - rain (Optional equipment)

1шт.

29

73188

X

AIR PRE-CLEANER ASSY (Optional equipment)

1шт.

30

73187

COVER

ASSY - pre-cleaner

1шт.

31

73186

HOUSING

BODY - pre-cleaner

1шт.

32

73189

TUBE

SPARE PART SLEEVE ASSY - pre-cleaner

1шт.

MUFFLER INSTALLATION (Optional equipment)

1шт.

33

39132

SPARE PART Exhaust

1шт.

34

39133

EXHAUST ASSY

1шт.

Выбрано товаров: 38