Запчасти Case 600 (024) - FUEL INJECTION SYSTEM, (USED UP TO SERIAL #7060734) (02) - FUEL SYSTEM

Схема запчастей Case 600 - (024) - FUEL INJECTION SYSTEM, (USED UP TO SERIAL #7060734) (02) - FUEL SYSTEM
FIT
1:1
100%

Артикул

Название

Примечание

Количество

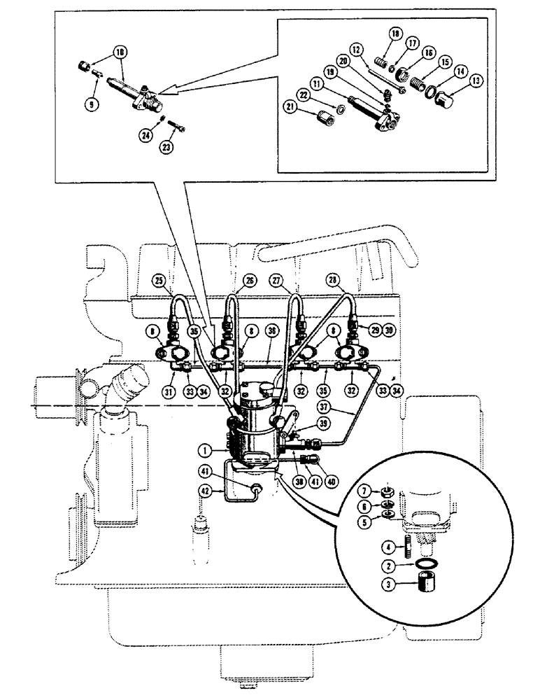
1

10117

PUMP - fuel injection (See Figure #28 for breakdown)

1шт.

2

17886

SEAL - injection pump mt'g.

1шт.

3

17885

BUSHING

- injection pump drive

1шт.

4

30437

CHAIN

STUD - 5/16-18 NC x 1 3/8 (10117 mt'g.)

2шт.

5

195-21

WASHER,5/16"

plain (48425) 5/16"

2шт.

6

92-5

LOCK WASHER,5/16"

(48445) 5/16"

2шт.

7

47861

KNOB

NUT - hex (5/16-18 NC)

2шт.

8

10654

FITTING

HOLDER & TIP ASS'Y. - nozzle

4шт.

9

30383

TIP

- nozzle

9шт.

10

16939

HOLDER ASS'Y. - nozzle

1шт.

11

19344

BODY - nozzle holder

1шт.

12

19345

SPINDLE - nozzle holder

1шт.

13

19332

NUT - spring cap

1шт.

14

19333

WASHER - nozzle holder

2шт.

15

19334

NUT - adjusting spring cap

1шт.

16

19335

NUT - lock

1шт.

17

19336

WASHER - nozzle holder

1шт.

18

19337

SPRING - nozzle holder

1шт.

19

19338

WASHER - nozzle holder

1шт.

20

19339

ROTOR

CONNECTOR - nozzle holder

1шт.

21

19340

NUT - nozzle cap

1шт.

22

19341

SPARE PART

WASHER - nozzle cap

1шт.

23

10690

NUT

SCREW 5/16-18 NC x 1 1/2 (10654 mt'g.)

8шт.

24

92-5

LOCK WASHER,5/16"

(48445) 5/16"

8шт.

25

34286

PLATE

TUBE ASS'Y. - injection (#1, Serial Range: nozzle-pump)

1шт.

26

34287

TUBE ASS'Y. - injection (#2, Serial Range: nozzle-pump)

1шт.

27

34288

PISTON

TUBE ASS'Y. - injection (#3, Serial Range: nozzle-pump)

1шт.

28

34289

TUBE ASS'Y. - injection (#4, Serial Range: nozzle-pump)

1шт.

29

30308

SLEEVE - ermeto coupling

4шт.

30

30307

NUT - ermeto coupling

4шт.

31

30318

X

ELBOW - 90 degrees, 3/16 flex tube

1шт.

32

30309

TEE CONNECTION - 3/16 flex tube

3шт.

33

30317

X

SLEEVE - flex tube fitting

8шт.

34

80672C1

DECAL

NUT - flex tube fitting

8шт.

35

10659

HOUSING

TUBE - leak off (#1 to #2 & #3 to #4 nozzle)

2шт.

36

10661

TUBE - leak off (#2 to #3 nozzle)

1шт.

37

11586

NUT

TUBE - leak off (#4, Serial Range: nozzle-pump)

1шт.

38

30315

TEE CONNECTION - 1/8

1шт.

39

221-11

PLUG,Sq Hd, 1/8"-27

- pipe

1шт.

40

34009

ELBOW - 90 degrees, 1/8 NP crankcase to injection pump oil tube

1шт.

41

30413

SEAL

NUT - (1/8 x 1/2) Crankcase to injection pump oil tube

2шт.

42

33866

PIPE FITTING

TUBE - oil, crankcase to injection pump

1шт.

Выбрано товаров: 42