Запчасти Case 600 (028) - FUEL INJECTION SYSTEM, (10117) FUEL INJECTION PUMP (02) - FUEL SYSTEM

Схема запчастей Case 600 - (028) - FUEL INJECTION SYSTEM, (10117) FUEL INJECTION PUMP (02) - FUEL SYSTEM
FIT
1:1
100%

Артикул

Название

Примечание

Количество

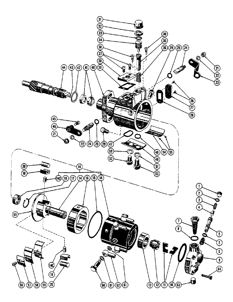
10117

PUMP ASS'Y - fuel injection (Used up to serial #7060734)

1шт.

1

73623

PLUG - end plate

1шт.

2

73620

X

RING - sleeve seal

2шт.

3

73622

SPRING - regulating

1шт.

4

73621

PISTON

- regulating

1шт.

5

73619

SLEEVE - end plate

1шт.

6

73618

SPRING - plunger retainer

1шт.

7

CAS73671

FILTER, ELEMENT

FITTING & ELEMENT ASS'Y - filter

1шт.

8

51200280

SEAL

RING - filter nut seal

1шт.

9

73615

PLATE ASS'Y - plain end

1шт.

73616

PLATE - end

1шт.

73617

PIN - locating

1шт.

10

73610

HYD CONNECTOR

SEAL - transfer pump

1шт.

11

73609

SOLENOID SWITCH

BLADE - transfer pump

2шт.

12

73607

ROTOR - transfer pump

1шт.

13

73608

LINER - transfer pump

1шт.

14

R-14577

ROTOR ASS'Y - hyd head & dist

1шт.

R-11947

SCREW - rotor plug

1шт.

R-11948

WASHER - rotor plug

1шт.

14c

R-14578

PLUNGER

2шт.

15

73522

SCREEN

SEAL - head

1шт.

16

R-14579

RING - cam

1шт.

17

73660

STEEL PLATE

RING - retaining, shoe retainer plate

1шт.

18

R-14580

NUT - retaining, drive shaft

1шт.

19

73516

SHOE - cam roller

2шт.

20

73517

ROLLER - cam

2шт.

21

R-14581

NUT - elastic stop

2шт.

22

R-14582

WASHER - shut-off shaft

1шт.

R-14582

WASHER - throttle shaft

1шт.

23

R-14583

LEVER - throtle shaft

1шт.

24

R-14584

SHAFT - throttle

1шт.

R-14584

SHAFT - shut-off

1шт.

25

73644

O-RING,0.07" Thk x 0.239" ID, -10, Cl 5, 75 Duro

SEAL - throttle shaft

1шт.

73644

O-RING,0.07" Thk x 0.239" ID, -10, Cl 5, 75 Duro

SEAL - shut-off

1шт.

26

NLS

NO LONGER SERVICED

- timing line cover

2шт.

27

R-14585

COVER - timing line

1шт.

28

NLS

NO LONGER SERVICED

- timing line cover

1шт.

29

73611

SCREW - head locking

2шт.

30

R-14586

SCREW - retaining

2шт.

31

R-14587

NUT - seal, torque screw

1шт.

32

R-14588

NUT - lock torque screw

1шт.

33

R-14589

SEAL - torque screw

1шт.

34

R-14590

SCREW - torque

1шт.

35

R-14591

VALVE - metering

1шт.

36

R-14592

SPRING - metering valve

1шт.

37

R-14593

SCREW - adjusting hole cover

2шт.

38

R-14594

COVER - adjusting hole

1шт.

39

R-14595

GASKET - adjusting hole cover

1шт.

40

R-14596

HOUSING & PILOT TUBE ASS'Y

1шт.

41

73450

X

WASHER - drive shaft seal

2шт.

42

73448

PISTON

WASHER - thrust

1шт.

43

73451

PIN - locating, drive shaft

1шт.

44

R-14597

SHAFT - drive

1шт.

45

463-2086

SCREW,Slotted Hex Hd, #8-32 x 3/8"

- stop lever fitting

1шт.

46

R-14598

LEVER ASS'Y - shut-off

1шт.

47

NLS

NO LONGER SERVICED

SEAL - cam hole

1шт.

48

51200832

SEAL ASSY.

SEAL - screw, head locating

1шт.

49

74245

COVER - cam hole

1шт.

50

73614

WASHER

- screw, cam locating

1шт.

51

R-14599

WASHER - screw, head locating

1шт.

52

74243

SCREW - cam locating

1шт.

53

74248

SCREW - head locating

1шт.

54

NSS

NOT SOLD SEPARAT

PLATE - name

1шт.

55

NSS

NOT SOLD SEPARAT

SCREW - name plate

2шт.

56

73518

CUP

SCREW - leaf spring adjusting

1шт.

57

73521

SCREW

SPRING - 3rd leaf

1шт.

58

73520

SPRING - 2nd leaf

1шт.

59

73519

CRANK

SPRING - main leaf

1шт.

60

73613

SCREW

- fuel line connector

4шт.

61

73614

WASHER

- fuel line connector

8шт.

62

73612

CONNECTOR, ELEC

CONNECTOR - fuel line

4шт.

63

73627

X

PLUG - pipe, end plate

1шт.

64

73626

SCREW - end plate

1шт.

65

R-14600

PLATE - shoe retainer

1шт.

73447

WIRE & LEAD PLOMB - seal (Not shown)

2шт.

Выбрано товаров: 75