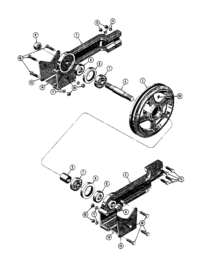
Запчасти Case 600 (126) - TRACK INSTALLATION, FRONT IDLER GROUP (04) - UNDERCARRIAGE

Схема запчастей Case 600 - (126) - TRACK INSTALLATION, FRONT IDLER GROUP (04) - UNDERCARRIAGE
FIT
1:1
100%

Артикул

Название

Примечание

Количество

34260

SHIM,.018" Thk

WHEEL & BRACKET ASS'Y. - idler

2шт.

1

31292

PIN

BRACKET - idler wheel, RH

1шт.

2

31293

BLOCK

BRACKET - idler wheel, LH

1шт.

3

31418

WHEEL - idler

1шт.

4

NLS

NO LONGER SERVICED

SHAFT - front idler

1шт.

5

NLS

NO LONGER SERVICED

SPACER - front idler

1шт.

6

NLS

NO LONGER SERVICED

- front idler

2шт.

7

40002

BALL BEARING

- ball

2шт.

8

NLS

NO LONGER SERVICED

SEAL - oil

2шт.

9

131-373

LOCK NUT,1 3/8"-12, GA

NUT - lock (1 3/8-12 NF) (11950)

2шт.

10

219-23

LUBE NIPPLE,1/4" - 18 NPTF

FITTING - straight grease, 1/4 NP (49230)

1шт.

11

14-872

X,Hex, 1/2" - 20 x 4 1/2", Gr 5

HHCS 1/2-20 NF x 4 1/2 (31292 & 31293 mt'g.) (45719)

4шт.

12

92-8

LOCK WASHER,1/2"

(48448) 1/2"

4шт.

13

25-118

NUT,1/2"-20, G5

- reg. SF hex (1/2-20 NF) (48104)

4шт.

14

31304

EYE

PLATE - wear

4шт.

15

31303

PLATE - box

4шт.

16

14-860

BOLT,Hex, 1/2" - 20 x 3-3/4", Gr 5

HHCS 1/2-20 NF x 3 3/4 (31303 mt'g.) (45717)

16шт.

17

92-8

LOCK WASHER,1/2"

(48448) 1/2"

16шт.

18

25-118

NUT,1/2"-20, G5

- reg. SF hex (1/2-20 NF) (48104)

16шт.

Выбрано товаров: 0