Запчасти Case 600 (172) - MECHANICAL BULLDOZER INSTALLATION, FRAME, MOLDBOARD, MOUNTING PARTS (USED UP TO S/N 7060799) (05) - UPPERSTRUCTURE CHASSIS

Схема запчастей Case 600 - (172) - MECHANICAL BULLDOZER INSTALLATION, FRAME, MOLDBOARD, MOUNTING PARTS (USED UP TO S/N 7060799) (05) - UPPERSTRUCTURE CHASSIS
FIT
1:1
100%

Артикул

Название

Примечание

Количество

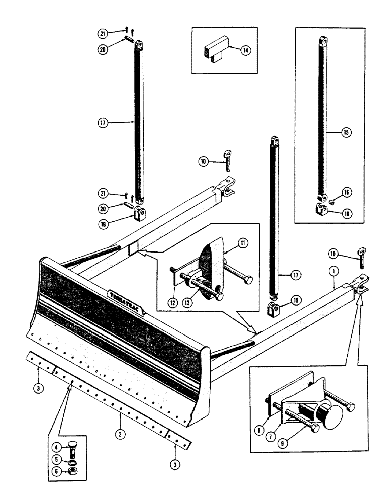
1

33390

DOZER ASS'Y - straight

1шт.

2

NLS

NO LONGER SERVICED

BLADE - cutting, center

1шт.

3

16042

EDGE

BLADE - cutting, end

2шт.

4

19-832

BOLT

- plow 1/2-13 NC x 2 (16040 & 16042 mt'g.) (46711)

20шт.

5

92-8

LOCK WASHER,1/2"

(48448) 1/2"

20шт.

6

25-108

NUT,1/2"-13, G5

- reg. SF hex (1/2-13 NC) (47804)

20шт.

7

33721

BRACKET - dozer attaching

2шт.

8

33828

ROPE

SPACER - attaching bracket (Used up to serial #3-26-56)

2шт.

34142

PIVOT

SPACER - attaching bracket (Used from serial #3-26-56)

2шт.

9

16-12192

BOLT (MACHINE)

HHMB 3/4-16 NF x 12 (33721 mtg) (46494)

4шт.

10

38679

PIN ASS'Y

2шт.

11

33720

PLATE - rub

2шт.

12

33829

NUT

SPACER - rub plate (Used up to serial #3-26-56)

2шт.

34141

RING

SPACER - rub plate (Used from serial #3-26-56)

2шт.

13

16-12192

BOLT (MACHINE)

HHMB 3/4-16 NF x 12 (33720 mtg.) (46494)

4шт.

14

33676

DRAWBAR SUPPORT

BLOCK ASS'Y - spring lockout

2шт.

15

31926

ROD ASS'Y (Used up to serial #2-24-56), special parts for dozer - loader comination

2шт.

16

17631

BUSHING (Used up to serial #2-24-56), special parts for dozer - loader combination

2шт.

17

33933

ROD ASS'Y (Used from serial #2-24-56), special parts for dozer - loader combination

2шт.

18

16809

COOLER

BRACKET - cylinder attaching (Used up to serial #2-24-56), special parts for dozer - loader combination

2шт.

19

31712

BRACKET - cylinder attaching (Used from serial #2-24-56), special parts for dozer - loader combination

2шт.

20

16726

PIN (31926 mtg.) (Used up to serial #2-24-56), special parts for dozer - loader combination

4шт.

16888

PIN (33933 mtg.) (Used from serial #2-24-56), special parts for dozer - loader combination

4шт.

21

132-154

COTTER PIN,1/4" x 2"

Pin, Split (Cotter), (48739), Special parts for dozer - loader combination 1/4" x 2"

8шт.

Выбрано товаров: 24