Запчасти Case 600 (208) - SCARIFIER INSTALLATION,, FRAME, CYL., BRACKETS, COUNTERWEIGHTS, MTG. PARTS (S/N 7060799) (05) - UPPERSTRUCTURE CHASSIS

Схема запчастей Case 600 - (208) - SCARIFIER INSTALLATION,, FRAME, CYL., BRACKETS, COUNTERWEIGHTS, MTG. PARTS (S/N 7060799) (05) - UPPERSTRUCTURE CHASSIS
FIT
1:1
100%

Артикул

Название

Примечание

Количество

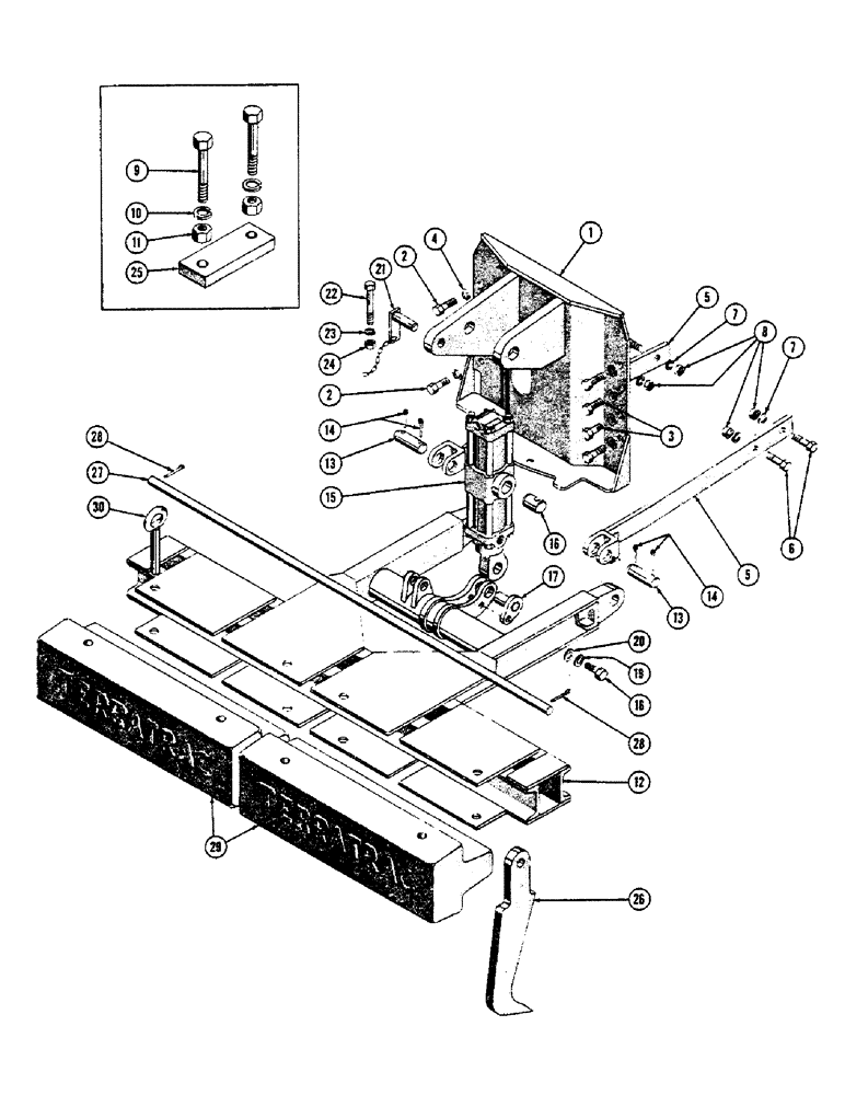
1

37707

OIL SEAL,41.27mm ID x 54.13mm OD x 6.91mm Thk

PLATE ASS'Y - backing

1шт.

2

14-1032

BOLT,Hex, 5/8" - 18 x 2", Gr 5

(37707 mtg.) (45760) Hex, 5/8"-18 x 2", G5

4шт.

3

14-1024

BOLT,Hex, 5/8" - 18 x 1-1/2", Gr 5

(37707 mtg.) (45758) Hex, 5/8"-18 x 1 1/2", G5

4шт.

4

92-10

LOCK WASHER,5/8"

WASHER, LOCK, (48450) 5/8"

8шт.

5

32350

ARM ASS'Y - attaching

2шт.

6

14-1240

BOLT,Hex, 3/4" - 16 x 2-1/2", Gr 5

HHCS 3/4-16 NF x 2-1/2 (32350 mtg.) (45787)

4шт.

7

92-12

LOCK WASHER,3/4"

WASHER, LOCK, (48452) 3/4"

4шт.

8

25-1112

NUT,3/4"-16, G5

- reg. SF hex (3/4-16 NF) (48107)

4шт.

9

14-856

BOLT,Hex, 1/2" - 20 x 3-1/2", Gr 5

HHCS 1/2-20 NF x 3-1/2 (Drawbar mtg.) (45716)

2шт.

10

92-8

LOCK WASHER,1/2"

(48448) 1/2"

2шт.

11

25-118

NUT,1/2"-20, G5

- reg. SF hex (1/2-20 NF) (48104)

2шт.

12

37704

FRAME ASS'Y - scarifier

1шт.

13

31715

PIN

(37704 mtg.)

2шт.

14

132-152

PIN

- cotter, 1/4 dia. x 1-3/4 (48738)

4шт.

15

37715

SHAFT

CYLINDER ASS'Y - hydraulic (See Figure #294 for breakdown)

1шт.

16

37712

ANGLE BAR

PIN (37715 mtg.)

2шт.

17

38549

SHIM

PIN ASS'Y - (37715 mtg.)

1шт.

18

14-816

BOLT,Hex, 1/2" - 20 x 1", Gr 5

HHCS 1/2-20 NF x 1 (38549 mtg.) (45706)

1шт.

19

92-8

LOCK WASHER,1/2"

(48448) 1/2"

1шт.

20

95-8

WASHER,1/2"

- plain (48408) 1/2"

1шт.

21

37711

MOTOR, HYDRAULIC

PIN ASS'Y - frame support

1шт.

22

14-672

BOLT,Hex, 3/8" - 24 x 4-1/2", Gr 5

HHCS 3/8-24 NF x 4-1/2 (37711 mtg.) (45671)

1шт.

23

92-6

LOCK WASHER,3/8"

(48446) 3/8"

1шт.

24

25-116

NUT,Hex, 3/8"-24, G5

- reg. SF hex (3/8-24 NF) (48102)

1шт.

25

37722

NUT

PLATE - drawbar

1шт.

26

31752

LINE

TOOTH - scarifier

5шт.

27

31714

ROD - holding

1шт.

28

132-152

PIN

- cotter, 1/4 dia x 1-3/4 (48738)

2шт.

29

19041

COUNTERWEIGHT - scarifier

2шт.

30

CAS19055

PIN ASSY.

PIN ASS'Y - (19041 mtg.)

4шт.

Выбрано товаров: 30