Запчасти Case 600 (052) - (10128) STARTER ASSY. (06) - ELECTRICAL SYSTEMS

Схема запчастей Case 600 - (052) - (10128) STARTER ASSY. (06) - ELECTRICAL SYSTEMS
FIT
1:1
100%

Артикул

Название

Примечание

Количество

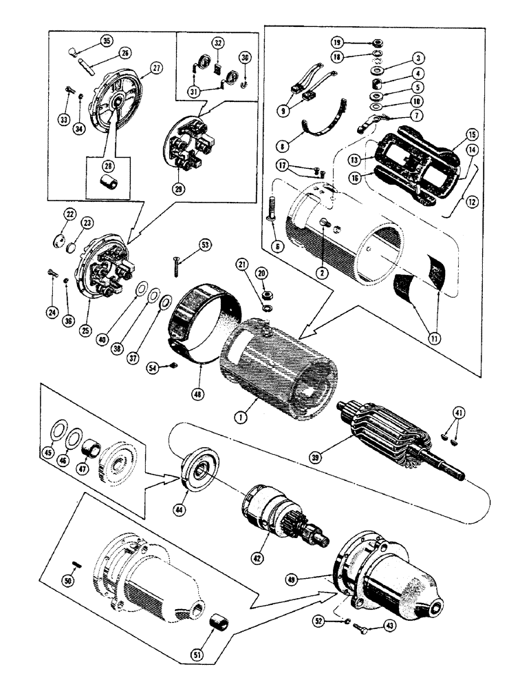
10128

PIN

STARTER ASS'Y. (12V)

1шт.

All parts listed except, 10128 must be obtained from and Auto-Lite service station.

1шт.

104202A2R

REMAN-STARTER

Remanufactured Starter

1шт.

104202A1C

CORE-STARTER

Return Part Number

1шт.

1

NSS

NOT SOLD SEPARAT

FRAME & FIELD ASS'Y

1шт.

2

GK-38

SCREW - pole shoe

4шт.

3

MAX-44

WASHER - insulation, terminal stud, outer

1шт.

4

MAW-37

BUSHING - insulation, terminal stud

1шт.

5

MBD-119

WASHER - insulation, terminal stud

2шт.

6

MBD-233A

STUD - terminal

1шт.

7

MBD-231

CONNECTOR - terminal stud

1шт.

8

MBR-34

CONNECTOR

1шт.

9

MBR-1012S

BRUSH SET - service

1шт.

10

MC-51A

WASHER - plain, terminal stud, inner

1шт.

11

MCK-32

INSULATION - field connection

2шт.

12

MCK-3005S

COIL PACKAGE - field

1шт.

13

MCK-1007

COIL - field, upper left

1шт.

14

MCK-1008

COIL - field, lower right

1шт.

15

MCK-1009

COIL - field, upper right

1шт.

16

MCK-1010

COIL - field, lower left

1шт.

17

8X-66

SCREW - flat head, brush ground, #10-32 x 1/2

4шт.

18

12X-201

WASHER - lock, terminal sttud, 3/8

1шт.

19

8X-830

NUT - hex, terminal stud, (3/8-16 NC)

1шт.

20

8X-148

NUT - hex, terminal stud, (3/8-16 NC)

1шт.

21

12X-201

WASHER - lock, terminal stud, 3/8

1шт.

22

GAL-40A

COVER - bearing, comm. end

1шт.

23

MAD-110

FELT

1шт.

24

MBD-258

SCREW - fill. head, C.E. head, #10-32 x 5/8

12шт.

25

MBR-2410

HEAD ASS'Y. comm. end

1шт.

26

MBD-150

WICK - felt

1шт.

27

MBD-1410

HEAD ASS'Y. - partial

1шт.

28

GBF-79

BEARING - abs. bronze

1шт.

29

MBR-2079

PLATE ASS'Y. - brush

1шт.

30

GG-81

CLIP - brush holder post

4шт.

31

A25740

X

SPRING - brush

8шт.

32

MBD-47

SPACER - brush spring

4шт.

33

8X-120

SCREW - fill. head, brush plate, #10-32 x 5/8

4шт.

34

12X-196

WASHER - lock, brush plate screw

4шт.

35

X-2964A

OILER

1шт.

36

12X-196

WASHER - lock, CE head screw

12шт.

37

MAK-61

WASHER - CE thrust

1шт.

38

MBD-311

WASHER - int. thrust

1шт.

39

MCK-2006

ARMATURE

1шт.

40

MU-54

WASHER - CE thrust (1/32 thick)

1шт.

41

X-261C

KEY - #6 Woodruff, DE

2шт.

42

EBB-11

DRIVE - bendix (Eclipse #A3042)

1шт.

43

MBD-254

SCREW - hex hd., pinion housing, #10-32 x 7/8

8шт.

44

MBD-1315

BEARING ASS'Y. - intermediate

1шт.

45

MBD-312

RETAINER - washer, felt

1шт.

46

MBD-313

FELT - washer

1шт.

47

MBD-314

BEARING - abs. bronze

1шт.

48

MCK-1024

BAND - cover

1шт.

49

PS-1278

HOUSING ASS'Y. - pinion

1шт.

50

MAB-88

PIN - dowel

1шт.

51

A25811

SPARE PART BEARING - abs. bronze

1шт.

52

12X-196

WASHER - lock, housing screw, #10

8шт.

53

8X-714

SCREW - round head, cover band, #10-32 x 1 1/2

1шт.

54

8X-794

NUT - square, cover band (#10-32)

1шт.

Выбрано товаров: 58