Запчасти Case 600 (054) - (R11129) GENERATOR ASSY, (USED FROM SERIAL #7060734) (06) - ELECTRICAL SYSTEMS

Схема запчастей Case 600 - (054) - (R11129) GENERATOR ASSY, (USED FROM SERIAL #7060734) (06) - ELECTRICAL SYSTEMS
FIT
1:1
100%

Артикул

Название

Примечание

Количество

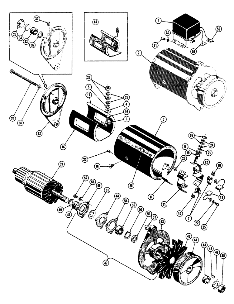
R11129

GENERATOR & VOLTAGE REGULATOR ASS'Y.

1шт.

All parts listed except, R1129, and R14610 must be obtained from and Auto-Lite service station.

1шт.

1

R14610

REGULATOR ASS'Y. - voltage

1шт.

All parts listed except, R1129, and R14610 must be obtained from and Auto-Lite service station.

1шт.

103814A1R

REMAN-GENERATOR

Generator

1шт.

103814A1C

CORE-GENERATOR

Return Number

1шт.

2

NSS

NOT SOLD SEPARAT

GENERATOR ASS'Y.

1шт.

3

GJL-2001

FRAME & FIELD ASS'Y

1шт.

4

GGU-30

WASHER - insulation, field terminal

1шт.

5

GGU-31

WASHER - plain, field terminal

1шт.

6

GGU-32

BUSHING - insulation, field terminal

1шт.

7

GJC-35

ARM - brush

2шт.

8

GJC-39

INSULATION - brush holder

1шт.

9

GJC-41

BUSHING - insulation, armature, terminal

1шт.

10

GJC-42

SPRING - brush

2шт.

11

GJC-1033

HOLDER - brush ground

1шт.

12

GJC-1034

HOLDER & TERMINAL - ins. brush

1шт.

13

A25873

BRUSH ASSY.

BRUSH SET - service

1шт.

14

GJL-1005

COIL ASS'Y. - field, complete

1шт.

15

GGU-27

STUD - field terminal, #10-32

1шт.

16

GJL-1007

COIL - field, right

1шт.

17

GJL-1008

COIL - field, left

1шт.

18

GK-38

SCREW - pole shoe

2шт.

19

MDF-25

BUSHING - insulation, brush holder rivet

1шт.

20

MN-21

PIN - dowel

2шт.

21

SW-634

WASHER - plain, armature terminal

1шт.

22

12X-195

WASHER - lock, brush lead screw, #8

2шт.

23

12X-196

WASHER - lock, field terminal, #10

2шт.

24

12X-199

WASHER - lock, armature terminal, 1/4

2шт.

25

8X-305

SCREW - round he., brush lead, #8-32 x 1/4

2шт.

26

8X-1063

NUT - hex, armature terminal (1/4-28 NF)

2шт.

27

8X-1377

NUT - hex field terminal #10-32

2шт.

28

8X-3280

RIVET - ground brush holder

2шт.

29

8X-3284

RIVET - insulation brush holder

1шт.

30

MW-20A

BOLT - thru

2шт.

31

12X-199

WASHER - lock, thru bolt, 1/4

2шт.

32

GJC-2044B

HEAD ASS'Y. - comm. end

1шт.

33

A25623

BUSHING

BEARING - abs. bronze

1шт.

34

GJC-46

WICK - felt

1шт.

35

GJC-49

COVER - bearing, comm. end

1шт.

36

GJK-1020

RETAINER - oil

1шт.

37

X-3326

OILER

1шт.

38

GBM-21B

NUT - armature shaft, drive end

1шт.

39

GCP-2018F

ARMATURE ASS'Y.

1шт.

40

GAR-171

RING - snap

1шт.

41

GEC-55

SPACER - shaft, drive end, inner

1шт.

42

PU-217

FAN - ventilating

1шт.

43

PU-218

SPACER - shaft, drive end, outer

1шт.

44

PU-232

PULLEY - drive

1шт.

45

X-260

KEY - #5 Woodruff

1шт.

46

12X-864

WASHER - lock, shaft, drive end

1шт.

47

GGW-1102C

HEAD ASS'Y. - drive end

1шт.

48

GBM-125

RETAINER - felt washer, inner

1шт.

49

GBM-127

RETAINER - bearing

1шт.

50

GMB-128

RETAINER - felt washer, outer

1шт.

51

GG-164

WASHER - felt

2шт.

52

GGW-52

SCREW - round hd. retainer, #10-32 x 1/2

3шт.

53

GGW-102C

HEAD - drvie end

1шт.

54

GJK-9

GASKET

1шт.

55

12X-196

WASHER - lock, retainer screw, #10

3шт.

56

A42799

BALL BEARING,0.6693" ID x 1.574" OD x 0.4724"

BEARING - ball, SAE #203

1шт.

57

X-2961

OILER

1шт.

58

GHD-30A

LEAD ASS'Y. - armature terminal

1шт.

59

GHD-33A

LEAD ASS'Y. - field terminal

1шт.

60

12X-196

WASHER - lock, voltage regulator mt'g., #10

3шт.

61

8X-321

SCREW - round head, voltage regulator mt'g., #10-32 x 5/16

3шт.

Выбрано товаров: 66