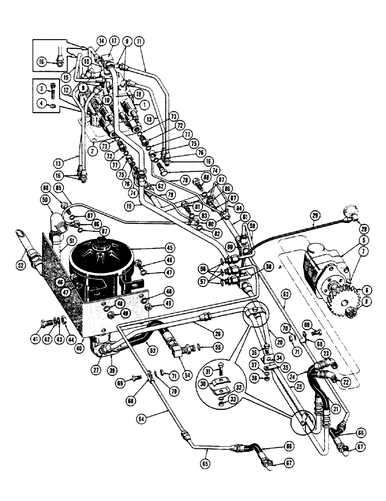
Запчасти Case 600 (114) - HYDRAULIC SYSTEM, (USED FROM SERIAL #7060776), TRANSMISSION HYDRAULIC SYSTEM (07) - HYDRAULIC SYSTEM

Схема запчастей Case 600 - (114) - HYDRAULIC SYSTEM, (USED FROM SERIAL #7060776), TRANSMISSION HYDRAULIC SYSTEM (07) - HYDRAULIC SYSTEM
FIT
1:1
100%

Артикул

Название

Примечание

Количество

1

35660

BEARING

VALVE ASSY - trans. control (Used up to S/N 7060816) (See Figure # 310 for breakdown)

1шт.

74918

SPARE PART VALVE ASSY - control (Used from S/N 7060816) (See Figure #310 for breakdown)

1шт.

2

REF

INSTRUCTION

GASKET - valve mt'g. (See Figure #72, ref. #22)

1шт.

3

62-672

SPARE PART SHCS - 3/8-24 NF x 4 1/2 (Valve mt'g.) (47556)

4шт.

4

92-6

LOCK WASHER,3/8"

(48446)

4шт.

5

32655

SPARE PART PUMP ASSY - hydraulic (See Figure #296 for breakdown)

1шт.

6

32661

LINE

GEAR - coupling

1шт.

7

126-16

WOODRUFF KEY,#9, 3/16" x 3/4"

(48759)

1шт.

8

48316

HANDLE

NUT - slotted hex (32661 mt'g.)

1шт.

9

218-483

ELBOW,90 Degree Elbow, 9/16" - 18 Male JIC x 1/4" - 18 Male NPTF

(50106)

4шт.

10

50554

X

ELBOW - 90 degree extra long male, 3/8 JIC to 1/4 NP

2шт.

11

74446

GEAR,0.375" OD, 8.937" Length

TUBE ASSY - valve to transmission (LH)

1шт.

12

74444

TUBE ASSY - valve to transmission (RH)

1шт.

13

74440

TUBE ASSY -, Serial Range: valve-transmission

2шт.

14

38097

SPARE PART

TUBE ASSY - valve to transmission (LH)

1шт.

15

38095

HUB

TUBE ASSY - valve to transmission (RH)

1шт.

16

218-443

HYD CONNECTOR,9/16" - 18 Male JIC x 1/4" - 18 Male NPTF

(50016)

6шт.

17

218-499

SPARE PART 90 degree male, 5/8 to JIC to 1/2 NP (50556)

1шт.

18

74430

TUBE ASSY -, Serial Range: valve-pump

1шт.

19

74442

TUBE ASSY -, Serial Range: valve-pump

1шт.

20

74846

TUBE ASSY -, Serial Range: valve-pump

1шт.

21

71175

FLEXIBLE HOSE

SPARE PART ASSY -, Serial Range: valve-pump

1шт.

22

218-545

ELBOW,45 Degree, 7/8-14" NPTF x 3/4"-14, 37 Degree

(50155)

1шт.

23

218-536

ELBOW,45 Degree, 1 1/1"6-12, 37 Degree x 3/4"-14, NPTF

(50146)

1шт.

24

74785

HOSE ASSY.

ASSY -, Serial Range: pump-filter

1шт.

25

74844

TUBE ASSY -, Serial Range: pump-filter

1шт.

26

74808

TUBE ASSY -, Serial Range: pump-filter

1шт.

27

218-458

HYD CONNECTOR,1-1/16" - 12 Male JIC x 1/2" - 14 Male NPTF

(50027)

1шт.

28

218-511

ELBOW,90º, 7/16"-20, 37º x 1/8"-27, Fem NPTF

(Used up to S/N 7060776) (50162)

1шт.

218-461

HYD CONNECTOR,7/16" - 20 Male JIC x 1/8" - 27 Female NPTF

(Used from S/N 7060776) (50042)

1шт.

29

33727

HOSE

ASSY - tee to oil pressure gauge

1шт.

30

32978

PLATE ASSY.

CLAMP - tube (74844 & 74846 mt'g.)

4шт.

31

14-524

BOLT,Hex, 5/16" - 24 x 1-1/2", Gr 5

(32978 mt'g.) (45633)

2шт.

32

92-5

LOCK WASHER,5/16"

(48445)

2шт.

33

25-115

NUT,5/16"-24, G5

Reg. SF hex (48101)

2шт.

34

74629

BRACKET - tube support

1шт.

35

515-23190

CLAMP,3/4", Insul, 3/8" Bolt

CLAMP - tube (74844 mt'g.)

1шт.

36

14-612

BOLT,Hex, 3/8" - 24 x 3/4", Gr 5, Full Thd

(49858 mt'g.) (45654)

1шт.

37

92-6

LOCK WASHER,3/8"

(48446)

1шт.

38

25-116

NUT,Hex, 3/8"-24, G5

(48102)

1шт.

39

34630

SPARE PART MANIFOLD, oil filter system

1шт.

40

34860

SPARE PART BRACKET - filter mt'g., oil system

1шт.

41

14-1032

BOLT,Hex, 5/8" - 18 x 2", Gr 5

(34860 mtg.) (45760), oil filter system

3шт.

42

195-41

WASHER,5/8"

(48430), Oil filter system

3шт.

43

92-10

LOCK WASHER,5/8"

(48450), Oil filter system

3шт.

44

25-1110

NUT,5/8"-18, G5

Reg. SF hex (48106), oil filter system

3шт.

45

34634

SPARE PART FILTER ASSY - hydraulic oil (See Figure #118 for breakdown), oil filter system

1шт.

46

14-620

BOLT,Hex, 3/8" - 24 x 1-1/4", Gr 5

(34634 mt'g.) (45657), oil filter system

4шт.

47

195-25

WASHER,3/8"

(48426), Oil filter system

4шт.

48

92-6

LOCK WASHER,3/8"

(48446), Oil filter system

4шт.

49

25-116

NUT,Hex, 3/8"-24, G5

(48102), Oil filter system

4шт.

50

218-488

ELBOW,90 Degree Elbow, 1-5/16" - 12 Male JIC x 1" - 11-1/2 Male NPTF

(50119), Oil filter system

1шт.

51

35579

SPARE PART TUBE ASSY - filter to transmission, oil filter system

1шт.

52

34640

SET SCREW,Hex Soc, M8 x 10, Cone Pt

EXTENSION ASSY - snorkel tube, oil filter system

1шт.

53

35577

SPARE PART HOSE ASSY - filter to converter, torque hydraulic system

1шт.

54

D20071

ELBOW UNION

Union Elbow 90 degree bulkhead, long, special, torque converter hydraulic system

1шт.

55

49401

X

O-RING SEAL - "O" ring, torque converter hydraulic system

1шт.

56

50871

X

HYD CONNECTOR CONNECTOR - special male, torque converter hydraulic system

3шт.

57

49400

X

O-RING SEAL - "O" ring, torque converter hydraulic system

3шт.

58

33415

SPARE PART TUBE ASSY - tee to converter, bottom, torque converter hydraulic system

1шт.

59

33414

BRAKE LINING

TUBE ASSY - tee to converter, top, torque converter hydraulic system

1шт.

59

33414

BRAKE LINING

TUBE ASSY - tee to converter, top, brake hydraulic system

1шт.

60

218-665

TEE

5/8 JIC & 3/8 JIC (50000)

1шт.

61

33413

TUBE ASSY -, Serial Range: tee-transmission

1шт.

62

218-457

HYD CONNECTOR,7/8" - 14 Male JIC x 3/4" - 14 Male NPTF

(50038)

1шт.

63

35953

KIT

TUBE ASSY -, Serial Range: tee-sump

1шт.

64

33410

TUBE ASSY -, Serial Range: converter-sump

1шт.

65

35951

WASHER

TUBE ASSY -, Serial Range: converter-sump

1шт.

66

35955

NUT

ASSY, Serial Range: --sump

2шт.

67

218-483

ELBOW,90 Degree Elbow, 9/16" - 18 Male JIC x 1/4" - 18 Male NPTF

(50106)

2шт.

68

35953

KIT

CLAMP - tube (33410 & 33953 mt'g.)

2шт.

69

14-620

BOLT,Hex, 3/8" - 24 x 1-1/4", Gr 5

(33449 mt'g.) (45657)

2шт.

70

92-6

LOCK WASHER,3/8"

(48446)

2шт.

71

25-116

NUT,Hex, 3/8"-24, G5

(48102)

2шт.

72

72125

ADAPTER

Brake tube, hydraulic system

2шт.

73

49399

X

SEAL - "O" ring, brake hydraulic system

2шт.

74

33262

HORN,1/2" - 20 x 1 5/32"

BOLT - connection, brake hydraulic system

2шт.

75

50861

FITTING

3/16 tube, brake hydraulic system

2шт.

76

L114099

WASHER,13.64mm ID x 21.21mm OD x 1.59mm Thk

Inlet connection, brake hydraulic system

2шт.

77

51200242

SEAL,15.24mm ID x 20.64mm OD x 0.81mm Thk

GASKET - inlet connection, brake hydraulic system

2шт.

78

74436

TUBE ASSY - valve to master cyl. (LH), brake hydraulic system

1шт.

79

74438

TUBE ASSY - valve to master cyl. (RH), brake hydraulic system

1шт.

80

51200243

FITTING

Master cylinder, brake hydraulic system

2шт.

81

33262

HORN,1/2" - 20 x 1 5/32"

BOLT - connection, brake hydraulic system

2шт.

82

51200242

SEAL,15.24mm ID x 20.64mm OD x 0.81mm Thk

GASKET - inlet connection, brake hydraulic system

2шт.

83

L114099

WASHER,13.64mm ID x 21.21mm OD x 1.59mm Thk

Inlet connection, brake hydraulic system

2шт.

84

NLS

NO LONGER SERVICED

TUBE ASSY - master cyl. to, LH, brake hydraulic system

1шт.

85

74434

TUBE ASSY - master cyl. to, RH, brake hydraulic system

1шт.

86

33259

SPARE PART FITTING - brake, hydraulic system

2шт.

87

33257

SPACER

GASKET - copper, brake hydraulic system

4шт.

88

33258

KNIFE

SPARE PART BOLT - brake, hydraulic system

2шт.

Выбрано товаров: 91